电脑桌面
添加小米粒文库到电脑桌面
安装后可以在桌面快捷访问

整改反馈汇报材料VIP专享VIP免费

整改反馈汇报材料_第1页
1/8
整改反馈汇报材料_第2页
2/8
整改反馈汇报材料_第3页
3/8
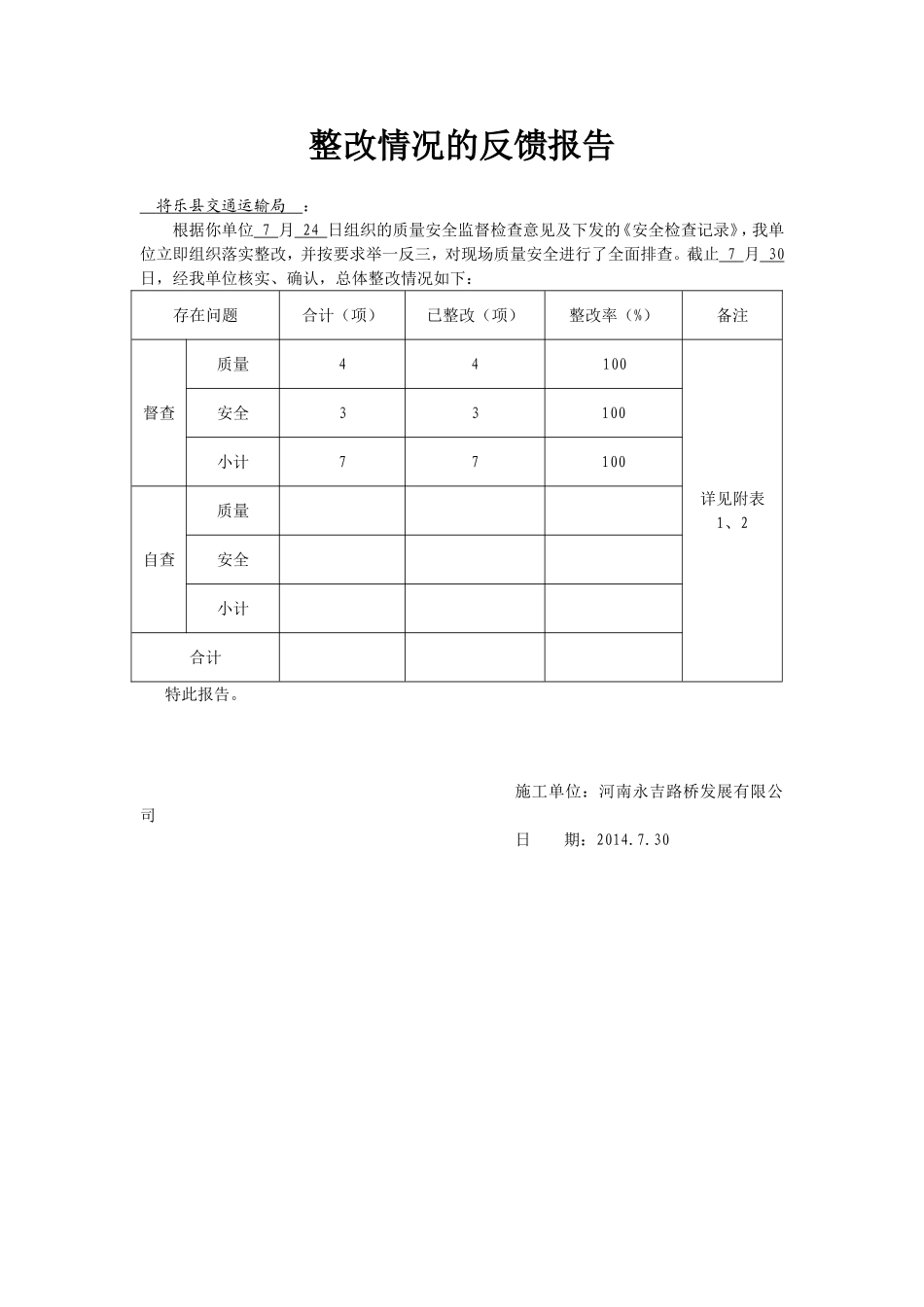
将乐县万全乡至纵七线(南口村)公路工程B标段工程质量安全监督检查整改反馈汇报材料(31)河南永吉路桥发展有限公司2014年7月24日附件3:质量安全督查整改反馈文件格式关于上报质量安全督查整改情况的反馈报告将乐县交通运输局:根据你单位7月24日组织的质量安全监督检查意见及下发的《安全检查记录》,我单位立即组织落实整改,并按要求举一反三,对现场质量安全进行了全面排查。截止7月30日,经我单位核实、确认,总体整改情况如下:存在问题合计(项)已整改(项)整改率(%)备注督查质量44100详见附表1、2安全33100小计77100自查质量安全小计合计特此报告。施工单位:河南永吉路桥发展有限公司日期:2014.7.30附表3-1:质量问题整改情况汇总表建设项目:将乐县万全乡至纵七线(南口村)公路工程建设单位:将乐县交通基础设施建设有限公司合同段:B施工单位:河南永吉路桥发展有限公司监理单位:福建新东南工程建设监理有限公司第页共页序号检查类别存在问题整改结果施工单位责任人监理单位责任人建设单位责任人备注1督查加强路基临时排水沟的设置,做好将溪中桥防台防护措施已整改2高温施工应急措施已整改3K17+000~K18+000段挡墙及护肩墙墙背回填材料使用土及块石回填已整改4项目部水渠段未防护及设立导向标志已整改自查说质量问题4项,已整改4项,整改率100%。明建设单位负责人:监理单位负责人:施工单位负责人:附表3-2:安全内业问题整改情况汇总表建设项目:将乐县万全乡至纵七线(南口村)公路工程建设单位:将乐县交通基础设施建设有限公司合同段:B合同段施工单位:河南永吉路桥发展有限公司监理单位:福建新东南工程建设监理有限公司第页共页序号检查类别存在问题整改结果施工单位责任人监理单位责任人建设单位责任人备注1督查未按照施工进度的要求做好质保内页及相关试验资料的整理已整改2《三明市交通基本建设质量监督站质量安全监督抽查意见通知书》(2014-37)整改未到位已整改3《三明市交通基本建设质量监督站质量安全监督抽查意见通知书》(2014-19)整改材料未上报已整改自查说明安全问题3项,已整改3项,整改率100%。建设单位负责人:监理单位负责人:施工单位负责人:附件3-3:普通公路工程质量安全问题整改复查情况确认(施工单位)编号:030项目名称将乐县万全乡至纵七线(南口村)公路工程合同段B施工单位河南永吉路桥发展有限公司整改通知书(意见书)编号2014-WZ-22项目业主将乐县交通基础设施建设有限公司监理单位福建新东南工程建设监理有限公司致监理工程师:我项目部质量安全问题已整改完毕,并形成报告,请予以检查确认。附件:整改报告。项目经理:项目总工:日期:监理工程师意见:监理工程师签字:日期:总监理工程师意见:总监理工程师签字:日期:项目业主意见:质量(或安全)分管领导签字:日期:整改报告关于2014年7月24日下发的“工程质量安全监督抽查意见通知书”(编号2014-WZ-22),对我部承建的将乐县万全乡至纵七线(南口村)公路工程B标段进行质量安全监督检查,我部已按要求完成整改,反馈内容如下:一、质量外业、安全方面1、已加强路基临时排水沟的设置,及时排除路基积水,做好将溪中桥防台防护措施;2、已启动高温施工应急预案;3、K17+000~K18+000段挡墙及护肩墙墙背回填材料使用土及块石回填,已返工处理;4、项目部水渠段已做好防护及设立导向标志;二、内业;1、按照施工进度的要求做好质保内页及相关试验资料的整理,做到先审批后施工;2、《三明市交通基本建设质量监督站质量安全监督抽查意见通知书》(2014-37)已整改;3、《三明市交通基本建设质量监督站质量安全监督抽查意见通知书》(2014-19)已整改;将乐县万全乡至纵七线(南口村)公路工程B标项目部2014年7月30日

1、当您付费下载文档后,您只拥有了使用权限,并不意味着购买了版权,文档只能用于自身使用,不得用于其他商业用途(如 [转卖]进行直接盈利或[编辑后售卖]进行间接盈利)。
2、本站所有内容均由合作方或网友上传,本站不对文档的完整性、权威性及其观点立场正确性做任何保证或承诺!文档内容仅供研究参考,付费前请自行鉴别。
3、如文档内容存在违规,或者侵犯商业秘密、侵犯著作权等,请点击“违规举报”。

碎片内容

整改反馈汇报材料

起跑线书城+ 关注
实名认证
内容提供者

热爱教学事业,对互联网知识分享很感兴趣

确认删除?
VIP
微信客服
  • 扫码咨询
会员Q群
  • 会员专属群点击这里加入QQ群
客服邮箱
回到顶部