电脑桌面
添加小米粒文库到电脑桌面
安装后可以在桌面快捷访问

移动电源质量标准规范标准[详]VIP免费

移动电源质量标准规范标准[详]_第1页
1/10
移动电源质量标准规范标准[详]_第2页
2/10
移动电源质量标准规范标准[详]_第3页
3/10
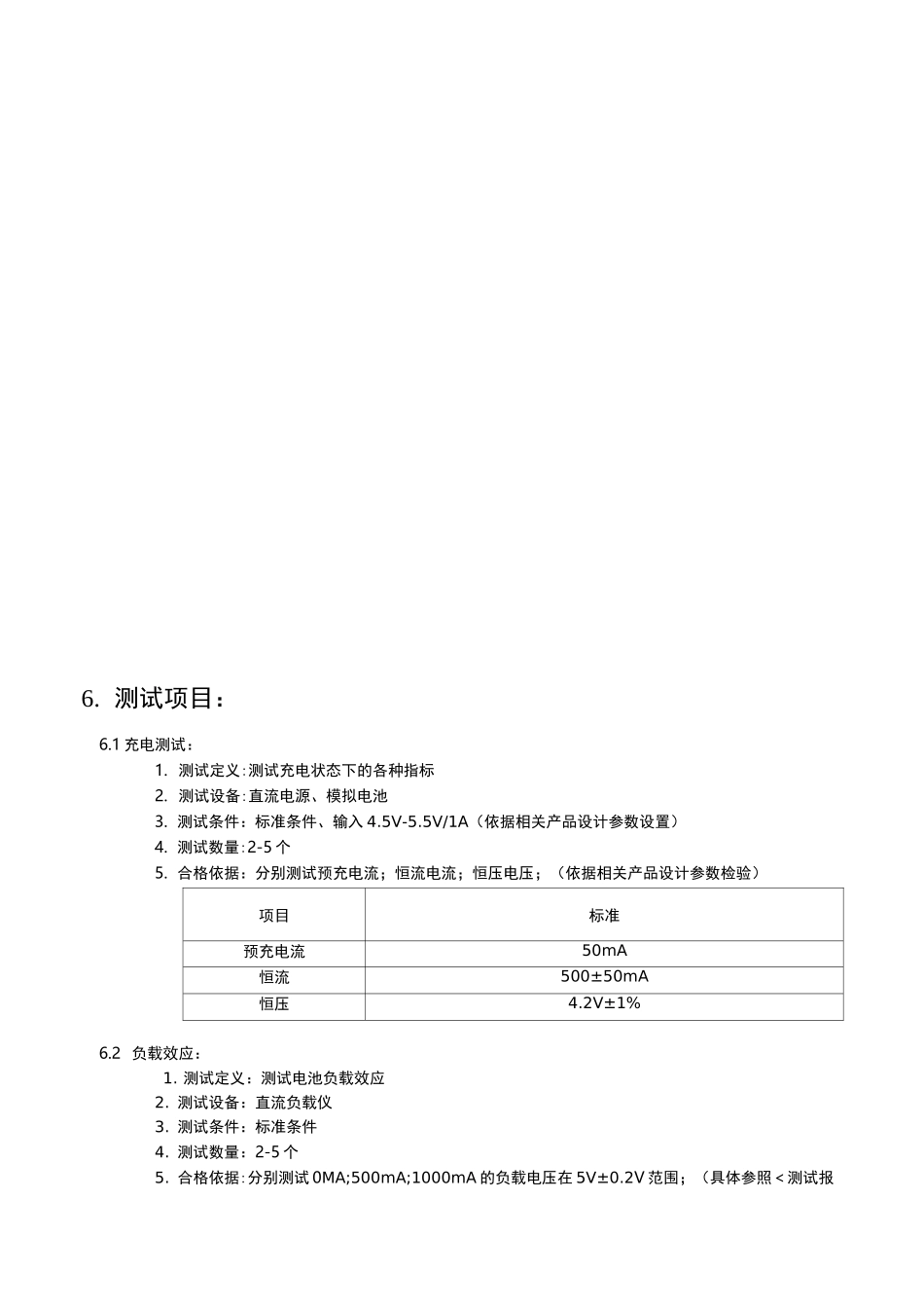
移动电源测试规范文件名称:移动电源测试规范文件编号:版本号:A0编制:日期:审核:日期:批准:日期:1.目的:为保证移动电源质量及新开发产品性能验证,确保设计能满足合同及顾客的要求,达到或超过国家标准规定的技术要求.特制定本测试规范.2.适用范围:本规范适用于所有研发阶段及客户送样移动电源产品相关测试.3.职责:3.1技术部技术部负责编制并且监督执行产品设计验证、设计确认工作。负责处理车间生产制造过程中发生的产品测试问题。3.2品质部:品质部协助进行设计过程中所需的检验,测量和试验工作。3.3采购部:负责测试过程中的配套采购。4.名词解释:4.1移动电源:一种为各类手机及数码产品提供充电的后备供电产品。4.2新产品:指在本公司没有进行合格批量生产的所有产品都称之为新产品。5.测试条件:5.1本测试报告除另有规定外,各项试验均应在试验的标准大气条件下(以下称标准条件)进行:温度:15°C〜35°C相对湿度:45%〜75%大气压:86kPa〜106kPa6.测试项目:6.1充电测试:1.测试定义:测试充电状态下的各种指标2.测试设备:直流电源、模拟电池3.测试条件:标准条件、输入4.5V-5.5V/1A(依据相关产品设计参数设置)4.测试数量:2-5个5.合格依据:分别测试预充电流;恒流电流;恒压电压;(依据相关产品设计参数检验)项目标准预充电流50mA恒流500±50mA恒压4.2V±1%6.2负载效应:1.测试定义:测试电池负载效应2.测试设备:直流负载仪3.测试条件:标准条件4.测试数量:2-5个5.合格依据:分别测试0MA;500mA;1000mA的负载电压在5V±0.2V范围;(具体参照<测试报告>)项目标准0mA5.0V±0.2V500mA1000mA6.3动态负载:1.测试定义:测试电池动态放电性能2.测试设备:直流负载仪3.测试条件:标准条件、放电电流由100mA到产品最大放电电流输出;(动态时间100ms)4.测试数量:2-5个5.合格依据:产品能够正常不间断输出。(具体参照<测试报告>)项目标准动态带载电池能够正常输出6.4放电时间:1.测试定义:测试电池实际放电时间2.测试设备:直流负载仪3.测试条件:标准条件、电池满电并以产品的输出端口最大电流放电(依据相关产品设计参数检验)4.测试数量:2-5个5.合格依据:依据相应产品实际容量容量计算;(具体参照<测试报告>)状况标准放电时间电池正常工作,放电时间不小于分钟6.5输出效率:1.测试定义:测试电池放电时的转换效率2.测试设备:直流电源、直流负载仪、模拟电池、FLUKE17B3.测试条件:标准条件、最大负载输出4.测试数量:2-5个5.合格依据:用产品相应的最大输出电流放电分别测试3.2V;3.4V;3.6;3.8;4.0V;4.2V;每个时段的电流及升压后输出口的相应电压和电流计算出每个时段的输出效率,标准效率>85%(具体参照<测试报告>)项目标准电芯电压(V)电芯电流(mA)输出电压(V)输出电流(mA)效率mA放电平均效率>=85%3.23.43.63.84.04.26.6输出波纹1.测试定义:测试电池输出纹波2.测试设备:示波器3.测试条件:标准条件4.测试数量:2-5个5.合格依据:空载波纹小于100mV,500mA负载不能150Mv;1000mA负载不能250Mv;状况标准0mA<100mV250mA<150mV500mA<250mV7.0保护功能:7.1输入输出保护:1.测试定义:测试电池输入输出保护功能2.测试设备:直流电源、直流负载仪、模拟电池3.测试条件:标准条件4.测试数量:2-5个5.合格依据:符合标准,保护电路需在规定范围内动作,不损坏任何组件输出过流保护限功率,随着电流增大,输出电压下降输出短路保护关闭输出,短路条件移除后,电池包能自行解除保护状态7.2电芯保护:1.测试定义:测试保护IC过流、过充、过放保护点2.测试设备:直流电源、直流负载仪、模拟电池3.测试条件:标准条件4.测试数量:2-5个5.合格依据:符合标准,保护电路需在规定范围内动作,不损坏任何组件过充保护电压4.25-4.35V过放保护电压2.4±0.1V过流保护电流3.0±0.5A7.3温度保护:1.测试定义:测试温度保护点及恢复点2.测试设备:直流电源、直流负载仪3.测试条件:恒温箱4.测试数量:2-5个5.合格依据:符合标准,保护电路需在规定范围内动作项目标准温度保护点55±2°C保护恢复点50±2°C8.其它相关测试:8.1显示:1.测试定义:测试LED显示2.测试设备:直流电源3....

1、当您付费下载文档后,您只拥有了使用权限,并不意味着购买了版权,文档只能用于自身使用,不得用于其他商业用途(如 [转卖]进行直接盈利或[编辑后售卖]进行间接盈利)。
2、本站所有内容均由合作方或网友上传,本站不对文档的完整性、权威性及其观点立场正确性做任何保证或承诺!文档内容仅供研究参考,付费前请自行鉴别。
3、如文档内容存在违规,或者侵犯商业秘密、侵犯著作权等,请点击“违规举报”。

碎片内容

移动电源质量标准规范标准[详]

wxg+ 关注
实名认证
内容提供者

该用户很懒,什么也没介绍

确认删除?
VIP
微信客服
  • 扫码咨询
会员Q群
  • 会员专属群点击这里加入QQ群
客服邮箱
回到顶部