电脑桌面
添加小米粒文库到电脑桌面
安装后可以在桌面快捷访问

厂房给排水系统施工方案VIP免费

厂房给排水系统施工方案_第1页
1/20
厂房给排水系统施工方案_第2页
2/20
厂房给排水系统施工方案_第3页
3/20
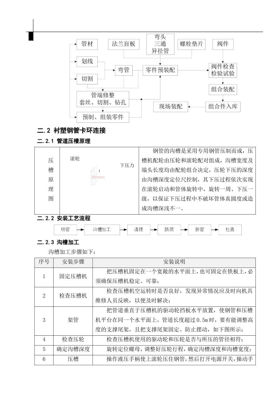
给排水系统施工方案第一节施工总说明一.1给排水系统施工说明一.1.1管道管材及连接方式序号管道系统管道材质连接方式1市政给水管衬塑钢管DN≤100,丝扣或卡环DN>100法兰或卡环2加压生活给水管3反渗透浓水给水管4污水管UPVC排水管粘接5雨水管UPVC给水管粘接6虹吸雨水管(压力)虹吸专用HDPE管电热熔一.1.2管道试压本工程市政给水管、加压生活给水管、反渗透浓水给水管试验压力为1.0MPa,排水及雨水管道进行严密性试验。一.1.3管道保温本工程市政给水管、加压生活给水管反渗透浓水给水管、雨水管在电缆桥架或电器柜,办公室吊顶上部敷设的给水排水管道作防结露保温,保温材料采用橡塑海绵,厚度见下表:配管保温材料厚度管径DN15-32DN40-50DN65-150DN200-500DN≥550保温厚度(mm)1319191919一.2工艺流程一.3质量控制点及控制措施质量控制点及控制措施表分项工程质量控制点质量控制措施安装准备孔洞预留位置、标高准确绘制管道留洞图、洞口检查表套管安装套管类型正确套管水平度、垂直度准确套管类型根据使用部位进行明确立管套管管道完成后再固定套管管道安装位置、标高、坡度正确消除管道交叉和矛盾分系统编制专项施工方案绘制综合图解决施工交叉问题防腐处理除锈、防腐处理彻底认真检查填堵孔洞根据工艺确定填堵方法套管与管道的间隙均匀套管出地面高度不一套管调正后固定牢固与土建协调地面做法水压试验分区分系统打压编制单项方案闭水试验分区分系统编制单项方案设备安装稳固编制单项方案系统冲洗冲洗彻底通水试验认真检查调试编制单项方案第二节给水系统管道安装二.1预制加工预制加工时应根据各系统的特点,在管道安装前进行集中加工预制。施工预制管段的加工尺寸,应根据现场的实际位置确定。对于管道组合件的外形尺寸偏差应控制在3m内±5mm,每增大1m时偏差可增大±2mm,但总偏差不可大于±15mm,同时,组合件的大小规模应考虑运输和安装的方便,并应留有可调整的活口,对于预制好的组合件应提前做好防腐,不允许安装完后再进行防腐工作。流程图如下页所示。根据本工程的特点,按设计图纸画出管道支路、管径、变径,预留管口、阀门位置等施工草图,然后在实际安装的结构位置做上标记,按标记量出实际尺寸,记录在草图上,编号,然后再按草图测的尺寸,整批加工,并留出洞整段,则大大减少了现场的安装时间。二.2衬塑钢管卡环连接二.2.1管道压槽原理压槽原理图钢管的沟槽是采用专用钢管压制而成,压槽机配轮由压轮和滚轮配对组成,沟槽宽度及端头长度均由配轮组合决定,压轮下压的深度由沟槽深度定位尺控制,其下压过程依次实现在滚轮启动和管体旋转中,旋转一周、下压一级,以保证下压过程中不破坏管体真圆度或造成沟槽深浅不一。二.2.2安装工艺流程二.2.3沟槽加工沟槽加工步骤如下:序号安装步骤安装说明1固定压槽机把压槽机固定在一个宽敞的水平面上,也可固定在铁板上,必须确保压槽机稳定、可靠;2检查压槽机检查压槽机空运转时是否良好,发现异常情况应及时向机具维修人员反映,以便及时解决;3架管把管道垂直于压槽机的驱动轮挡板水平放置,使钢管和压槽机平台在同一个水平面上,管道长度超过0.5m时,要有能调整高度的支撑尾架,且把支撑尾架固定、防止摆动,如下图所示;4检查压轮检查压槽机使用的驱动轮和压轮是否与所压的管径相符;5确定沟槽深度旋转定位螺母,调整好压轮行程,确定沟槽深度和沟槽宽度;6压槽操作液压手柄使上滚轮压住钢管,然后打开电源开关,操动手滚轮下压力序号安装步骤安装说明压泵手柄均匀缓慢下压,每压一次手柄行程不超过0.2mm,钢管转动一周,一直压到压槽机上限位螺母到位为止,然后让机械再转动两周以上,以保证壁厚均匀;7检查检查压好的沟槽尺寸,如不符合规定,再微调,进行第二次压槽,再一次检查沟槽尺寸,以达到规定的标准尺寸。镀锌钢管沟槽加工示意图符号说明:1-衬塑钢管2-水平尺3-压槽机4-支撑尾架用压槽机压槽时,管道应保持水平,且与压槽机驱动轮挡板呈90°,压槽时应保持持续渐进,槽深应符合下表要求:钢管沟槽标准深度及公差要求公称直径(mm)沟槽至管端尺寸(mm)沟槽深度(mm)沟槽宽度(mm)DN10015.92.118.74DN12515.9...

1、当您付费下载文档后,您只拥有了使用权限,并不意味着购买了版权,文档只能用于自身使用,不得用于其他商业用途(如 [转卖]进行直接盈利或[编辑后售卖]进行间接盈利)。
2、本站所有内容均由合作方或网友上传,本站不对文档的完整性、权威性及其观点立场正确性做任何保证或承诺!文档内容仅供研究参考,付费前请自行鉴别。
3、如文档内容存在违规,或者侵犯商业秘密、侵犯著作权等,请点击“违规举报”。

碎片内容

厂房给排水系统施工方案

您可能关注的文档

确认删除?
VIP
微信客服
  • 扫码咨询
会员Q群
  • 会员专属群点击这里加入QQ群
客服邮箱
回到顶部