电脑桌面
添加小米粒文库到电脑桌面
安装后可以在桌面快捷访问

电厂锅炉吹灰系统组成及功能详解VIP免费

电厂锅炉吹灰系统组成及功能详解_第1页
1/10
电厂锅炉吹灰系统组成及功能详解_第2页
2/10
电厂锅炉吹灰系统组成及功能详解_第3页
3/10
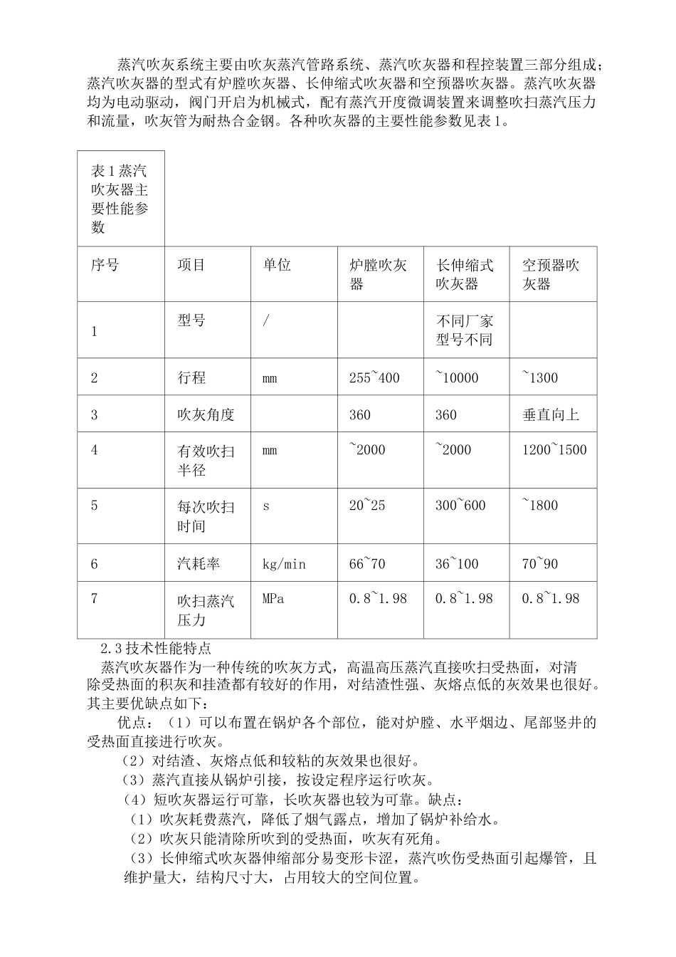
电厂锅炉吹灰系统组成及功能详解目前电站锅炉安装的吹灰设备主要是蒸汽吹灰器和声波吹灰器。蒸汽吹灰器为传统吹灰器,目前使用数量最多,由于结构和介质的特点,加上高温环境的影响,吹灰枪管易发生卡涩、失灵、漏汽等现象,设备故障率相对较高,要求维护水平较高;声波吹灰器,由于能量不足(目前最大声能在140分贝左右),与灰粒的固有频率差别很大,与积灰特性不适应,吹灰效果很差,基本上不能除掉已有的积灰,只能在其吹灰时阻止积灰的产生,造成锅炉受热面积灰严重,排烟温度升高,从而大大降低了锅炉热效率。根据火电机组多年来运行经验表明,正确使用吹灰器对防止和清除锅炉水冷壁、过热器、省煤器、空气预热器管外结渣和积灰有明显作用,对提高锅炉热效率和锅炉安全运行有明显的效果。吹灰器的维护方法对吹灰器进行维修时,必须先切断电源,关闭吹灰器阀门前的蒸汽管路阀,以防吹灰器自行启动或其它电器事故。1、定期检查各密封处有漏汽现象。如有泄漏,可适当调整填料的压紧度;若调整仍无法解决的问题时,可更换填料密封圈。当更换空心轴处的聚四氟乙烯密封圈时,V型开口应朝阀杆方向装人。2、若阀门关闭后仍有泄漏,则表明阀座环与阀瓣的结合面磨损或变形,一般要重新研磨密封面;若密封面损坏到研磨不足以解决时,必须更换阀体。3、定期加润滑油脂。减速箱半处一次,启动臂、铜套处每周一次。4、吹灰器应每年解体一次,经常检查行程开关,定期清理吹灰器上的积灰。5、如电机负载过重,应检查吹灰枪是否弯曲。如有弯曲应及时取出校直。1锅炉安装吹灰器的必要性对燃煤锅炉而言,炉膛燃烧水冷壁结焦,高温过热器及再热器挂焦,尾部受热面积灰是常见的不可避免的现象。水冷壁结焦严重时,大渣使冷渣斗蓬住无法排渣;高温过热器和再热器结焦严重时,会使部分受热面间烟气通廊堵死;尾部受热面积灰严重时,会使过热器、再热器、省煤器、空预器传热效率降低,锅炉排烟温度升高,锅炉效率降低;受热面结焦、积灰还会引起受热面超温,加剧受热面腐蚀,缩短受热面寿命,严重时会影响锅炉的正常运行,甚至影响到巡检人员的人身安全。因此,结焦、积灰是燃煤电站锅炉运行中存在的难题,在锅炉设计时均配有一定数量的吹灰器,常用的吹灰器有蒸汽吹灰器、燃气脉冲激波吹灰器、声波吹灰器。下面就以上三种吹灰器的工作原理、技术特点、应用范围发表一下自己的看法。2蒸汽吹灰器2.1工作原理蒸汽吹灰器的工作原理是利用高温高压蒸汽流经连续变化的旋转喷头高速喷出,产生较大冲击力吹掉受热面上的积灰,随烟气带走,沉积的渣块破碎脱落。2.2主要型式蒸汽吹灰系统主要由吹灰蒸汽管路系统、蒸汽吹灰器和程控装置三部分组成;蒸汽吹灰器的型式有炉膛吹灰器、长伸缩式吹灰器和空预器吹灰器。蒸汽吹灰器均为电动驱动,阀门开启为机械式,配有蒸汽开度微调装置来调整吹扫蒸汽压力和流量,吹灰管为耐热合金钢。各种吹灰器的主要性能参数见表1。表1蒸汽吹灰器主要性能参数序号项目单位炉膛吹灰器长伸缩式吹灰器空预器吹灰器1型号/不同厂家型号不同2行程mm255~400~10000~13003吹灰角度360360垂直向上4有效吹扫半径mm~2000~20001200~15005每次吹扫时间s20~25300~600~18006汽耗率kg/min66~7036~10070~907吹扫蒸汽压力MPa0.8~1.980.8~1.980.8~1.982.3技术性能特点蒸汽吹灰器作为一种传统的吹灰方式,高温高压蒸汽直接吹扫受热面,对清除受热面的积灰和挂渣都有较好的作用,对结渣性强、灰熔点低的灰效果也很好。其主要优缺点如下:优点:(1)可以布置在锅炉各个部位,能对炉膛、水平烟边、尾部竖井的受热面直接进行吹灰。(2)对结渣、灰熔点低和较粘的灰效果也很好。(3)蒸汽直接从锅炉引接,按设定程序运行吹灰。(4)短吹灰器运行可靠,长吹灰器也较为可靠。缺点:(1)吹灰耗费蒸汽,降低了烟气露点,增加了锅炉补给水。(2)吹灰只能清除所吹到的受热面,吹灰有死角。(3)长伸缩式吹灰器伸缩部分易变形卡涩,蒸汽吹伤受热面引起爆管,且维护量大,结构尺寸大,占用较大的空间位置。燃气脉冲激波吹灰器3.1工作原理燃气脉冲激波吹灰器的工作原理是利用空气和可燃气体(如氢气、乙炔气、煤气、...

1、当您付费下载文档后,您只拥有了使用权限,并不意味着购买了版权,文档只能用于自身使用,不得用于其他商业用途(如 [转卖]进行直接盈利或[编辑后售卖]进行间接盈利)。
2、本站所有内容均由合作方或网友上传,本站不对文档的完整性、权威性及其观点立场正确性做任何保证或承诺!文档内容仅供研究参考,付费前请自行鉴别。
3、如文档内容存在违规,或者侵犯商业秘密、侵犯著作权等,请点击“违规举报”。

碎片内容

电厂锅炉吹灰系统组成及功能详解

您可能关注的文档

确认删除?
VIP
微信客服
  • 扫码咨询
会员Q群
  • 会员专属群点击这里加入QQ群
客服邮箱
回到顶部