电脑桌面
添加小米粒文库到电脑桌面
安装后可以在桌面快捷访问

哈工大机械设计大作业VIP免费

哈工大机械设计大作业_第1页
1/13
哈工大机械设计大作业_第2页
2/13
哈工大机械设计大作业_第3页
3/13
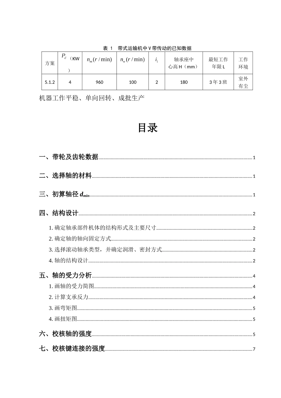
哈尔滨工业大学机械设计作业设计计算说明书题目:轴系部件设计系别:英才学院班号:1436005姓名:刘璐日期:2016.11.12哈尔滨工业大学机械设计作业任务书题目:轴系部件设计设计原始数据:图1表1带式运输机中V带传动的已知数据方案(KW)轴承座中心高H(mm)最短工作年限L工作环境5.1.2496010021803年3班室外有尘机器工作平稳、单向回转、成批生产目录一、带轮及齿轮数据...........................................................................................................................1二、选择轴的材料................................................................................................................................1三、初算轴径dmin..................................................................................................................................1四、结构设计...........................................................................................................................................21.确定轴承部件机体的结构形式及主要尺寸.............................................................................22.确定轴的轴向固定方式.................................................................................................................23.选择滚动轴承类型,并确定润滑、密封方式........................................................................24.轴的结构设计...................................................................................................................................2五、轴的受力分析................................................................................................................................41.画轴的受力简图..............................................................................................................................42.计算支承反力...................................................................................................................................43.画弯矩图............................................................................................................................................54.画扭矩图............................................................................................................................................5六、校核轴的强度................................................................................................................................5七、校核键连接的强度......................................................................................................................7八、校核轴承寿命................................................................................................................................81.计算轴承的轴向力..........................................................................................................................82.计算当量动载荷..............................................................................................................................83.校核轴承寿命...................................................................................................................................8九、绘制轴系部件装配图(图纸)...........................................................................................9十、参考文献...........................................................................................................................................9一、带轮及齿轮数据已知带传动输出轴功率P=3.8...

1、当您付费下载文档后,您只拥有了使用权限,并不意味着购买了版权,文档只能用于自身使用,不得用于其他商业用途(如 [转卖]进行直接盈利或[编辑后售卖]进行间接盈利)。
2、本站所有内容均由合作方或网友上传,本站不对文档的完整性、权威性及其观点立场正确性做任何保证或承诺!文档内容仅供研究参考,付费前请自行鉴别。
3、如文档内容存在违规,或者侵犯商业秘密、侵犯著作权等,请点击“违规举报”。

碎片内容

哈工大机械设计大作业

确认删除?
VIP
微信客服
  • 扫码咨询
会员Q群
  • 会员专属群点击这里加入QQ群
客服邮箱
回到顶部