电脑桌面
添加小米粒文库到电脑桌面
安装后可以在桌面快捷访问

各种变频器恒压供水参数VIP免费

各种变频器恒压供水参数_第1页
1/7
各种变频器恒压供水参数_第2页
2/7
各种变频器恒压供水参数_第3页
3/7
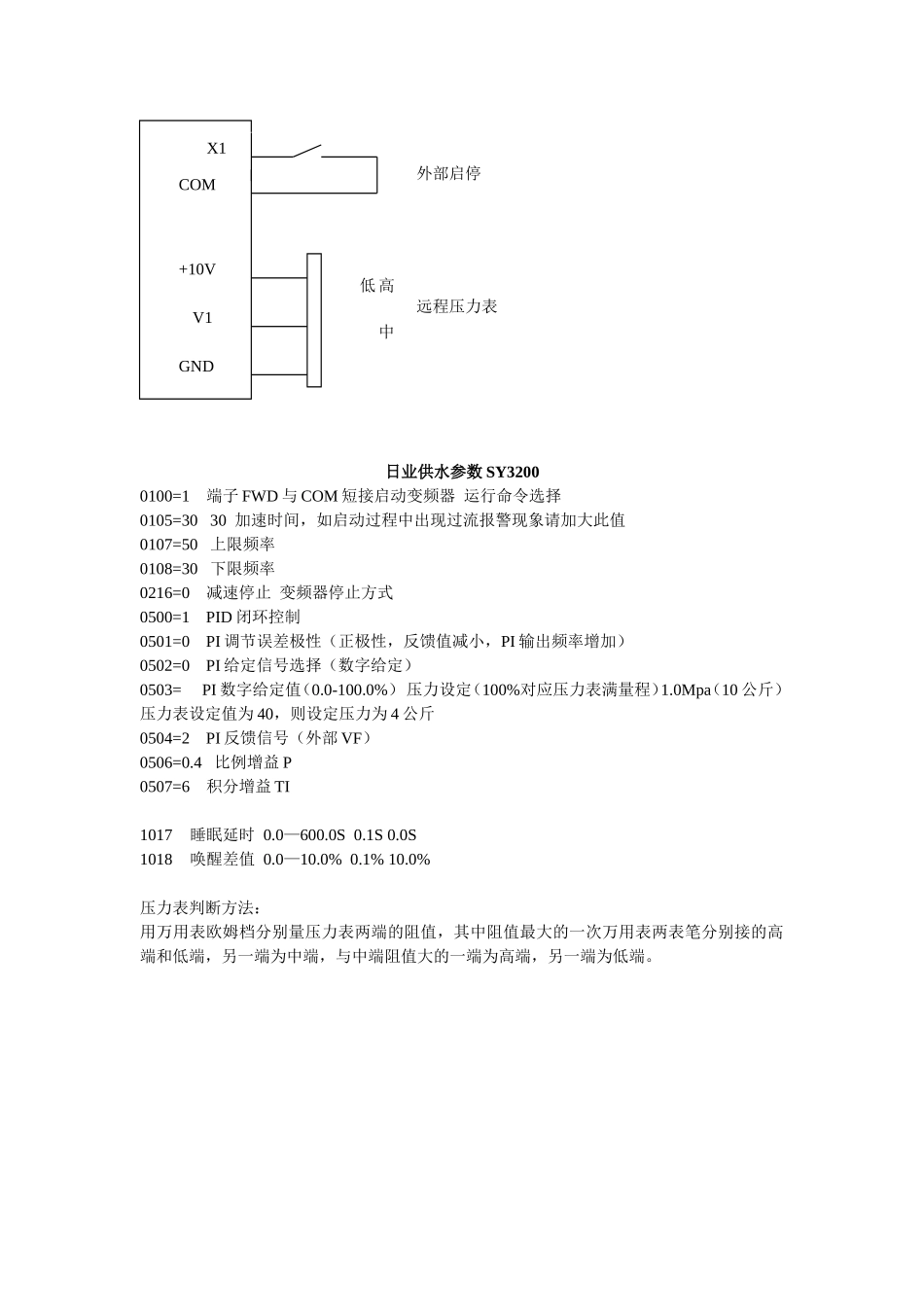
安邦信AM300变频器供水参数表F0.04=1端子COM与X1短接启动变频器F0.02=30加速时间如启动过程中出现过流报警现象请加大此值F0.03=30减速时间F0.05=5PID控制设定闭环控制F0.07=50上限频率F0.08=30下限频率F4.01=1P型机F9.01=键盘预置PID给定压力设定(100%对应压力表满量程)1Mpa(10公斤)压力设定值40,则设定压力为4公斤压力表判断方法:用万用表欧姆档分别量压力表两端的阻值,其中阻值最大的一次万用表两表笔分别接的高端和低端,另一端为中端,与中端阻值大的一端为高端,另一端为低端。安邦信G7-P7系列变频器供水参数表F9=给定压力值(0—50对应压力表压力)F10=1:外部端子0(本机监视)3:外部端子1(远程监视)F11=0本机键盘/远控键盘F17=下限频率,休眠启动模式下为休眠频率F76=运行监视功能选择0:C00输出频率/PID反馈1:C01参考频率/PID给定6:C06机械速度(PID模式下变频器输出频率)F80=1PID闭环模式有效F87=4比例P增益F88=0.2积分时间常数TiF114=休眠时间,10秒,0表示休眠关闭F115=唤醒频率,唤醒压力,此值要低于给定的压力值(小于F9)。需根据现场情况自行调整F116=0:G型机1:P型机压力表判断方法:用万用表欧姆档分别量压力表两端的阻值,其中阻值最大的一次万用表两表笔分别接的高X1COM+10AI1GND外部启停高中低远程压力表端和低端,另一端为中端,与中端阻值大的一端为高端,另一端为低端。欧陆变频器PID供水参数参数设置:P0.00设为1P机型P0.02面板运行时设为0,端子运行时设为1P0.04设为20加速时间(根据机型设定)(秒)P0.05设为20减速时间(根据机型设定)(秒)P0.10设为20最小频率(Hz)P0.11设为50最大频率(Hz)P6.00设为1PID控制P6.01设为2比例,积分控制P6.02设为1压力设定通道1面板数字设定P6.03设为0反馈通道选择V1(0-10V)P6.07设为0.5比例增益P6.08设为1积分时间常数P6.18设为30预置频率,开始运行频率(Hz)P6.19设为10预置频率运行时间(秒)(本变频器为使系统快速达到稳定状态,避免对管网的冲击,可先预置30Hz运行,10秒钟后在闭环运行)d-08设定压力值(此值为百分比形式,例:压力表量程为1Mpa(10公斤),如果想设定压力为3公斤,则此值应设为30)F/RCOM+10VSGND外部启停高中低远程压力表日业供水参数SY32000100=1端子FWD与COM短接启动变频器运行命令选择0105=3030加速时间,如启动过程中出现过流报警现象请加大此值0107=50上限频率0108=30下限频率0216=0减速停止变频器停止方式0500=1PID闭环控制0501=0PI调节误差极性(正极性,反馈值减小,PI输出频率增加)0502=0PI给定信号选择(数字给定)0503=PI数字给定值(0.0-100.0%)压力设定(100%对应压力表满量程)1.0Mpa(10公斤)压力表设定值为40,则设定压力为4公斤0504=2PI反馈信号(外部VF)0506=0.4比例增益P0507=6积分增益TI1017睡眠延时0.0—600.0S0.1S0.0S1018唤醒差值0.0—10.0%0.1%10.0%压力表判断方法:用万用表欧姆档分别量压力表两端的阻值,其中阻值最大的一次万用表两表笔分别接的高端和低端,另一端为中端,与中端阻值大的一端为高端,另一端为低端。X1COM+10VV1GND外部启停高中低远程压力表三肯变频器IPF(同SPF)恒压供水参数(一拖一)1=2外部端子信号操作面板7=50上限频率8=15下限频率55=50增益频率71=3内置PID控制模式120=1122=1PID控制比例增益123=0.5PID控制积分增益900=365274=6553529=设定压力三肯变频器SAMCO-e恒压供水参数C1=2外部端子控制启停C2=1操作面板C7=50上限频率FWDCOMV10VFGND外部启停高中低远程压力表FRDCM1+V1VRFACM外部启停高中低远程压力表C8=15下限频率C55=50增益频率C71=3内置PID控制C120=1C120=5外部模拟IRF(4-20mA)(温控)C122=1PID控制比例增益C123=0.5积分增益C643=99C29=设定压力(50/最大量程*要求压力)远程压力表接线:+V接压力表高端,VRF接压力表的中间抽头,COM接压力表的低端温控器:+接+24V直流电,—接IRF,COM与DCM短接。有的变频器没有+24V直流电,需外接一个直流电源。三肯变频器VM05系列恒压供水参数程序调试方法Cd1=2(外部信号控制启动停止,即:DI1和DCM1,启动端子闭合即启动)Cd7=50(上限频率)Cd8=10-20(下限频率)Cd19加...

1、当您付费下载文档后,您只拥有了使用权限,并不意味着购买了版权,文档只能用于自身使用,不得用于其他商业用途(如 [转卖]进行直接盈利或[编辑后售卖]进行间接盈利)。
2、本站所有内容均由合作方或网友上传,本站不对文档的完整性、权威性及其观点立场正确性做任何保证或承诺!文档内容仅供研究参考,付费前请自行鉴别。
3、如文档内容存在违规,或者侵犯商业秘密、侵犯著作权等,请点击“违规举报”。

碎片内容

各种变频器恒压供水参数

文章天下+ 关注
实名认证
内容提供者

各种文档应有尽有

确认删除?
VIP
微信客服
  • 扫码咨询
会员Q群
  • 会员专属群点击这里加入QQ群
客服邮箱
回到顶部