电脑桌面
添加小米粒文库到电脑桌面
安装后可以在桌面快捷访问

华为通信产品单板和槽位图1VIP免费

华为通信产品单板和槽位图1_第1页
1/15
华为通信产品单板和槽位图1_第2页
2/15
华为通信产品单板和槽位图1_第3页
3/15
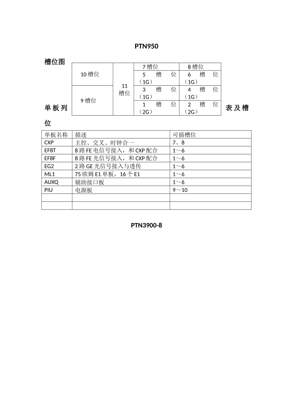
PTN950槽位图单板列表及槽位单板名称描述可插槽位CXP主控、交叉、时钟合一7、8EF8T8路FE电信号接入,和CXP配合1~6EF8F8路FE光信号接入,和CXP配合1~6EG22路GE光信号接入与透传1~6ML175欧姆E1单板,16个E11~6AUXQ辅助接口板1~6PIU电源板9~10PTN3900-810槽位11槽位7槽位8槽位5槽位(1G)6槽位(1G)9槽位3槽位(1G)4槽位(1G)1槽位(2G)2槽位(2G)处理槽位和接口板处理槽位对应接口板槽位处理槽位对应接口板槽位5槽位1、2槽位13槽位15、16槽位6槽位3、4槽位14槽位17、18槽位7、8、11、12槽位无单板列表及槽位单板名称描述可插槽位EX210GE业务接入处理5、7、11、13EG1616路以太网处理板5、7、11、13EG88路以太网处理板5~8、11~14MP1处理母板,与业务子卡配合5~8、11~14MD132路E1子卡,与MP1配合MQ163路E1子卡,与MP1配合AUX辅助接口板20、21PIU电源板19、22风扇27PTN3900子架分上下2层上层20个槽位,下层18个槽位,2个风扇槽位,共40槽位每个处理槽位容量为20Gbit/s处理槽位和接口板处理槽位对应接口板槽位处理槽位对应接口板槽位1槽位19、20槽位11~14槽位无2槽位21、22槽位15槽位31、32槽位3槽位23、24槽位16槽位33、34槽位4槽位25、26槽位17槽位35、36槽位5槽位无18槽位37、38槽位单板列表及槽位单板名称描述可插槽位SCA主控及通信处理单元9、10XCS交叉时钟处理单元29、30PIU电源板27、2881EG22路10GE以太网处理板1、3、5、7、11、13、15、17EG1616路GE以太网处理板1、3、5、7、11、13、15、17EG88路GE以太网处理板1~8、11~18MP1母板,配合子卡使用1~8、11~18MD132路E1子卡,和MP1配合1~5、14~18MQ163路E1子卡,和MP1配合1~5、14~18D75E32路E1出线板(EG8\EG16处理)19~26、31~38ETFC12路FE电接口板(EG8\EG16处理)19~26、31~38ETMC:10*FE+2*FE/GE混合接口板19~26、31~38EFF88路FE光接口板(EG8\EG16处理19~26、31~38EFG22路GE光接口板(EG8\EG16处理)19~26、31~38Metro1000槽位图1槽位2槽位3槽位4槽位SCB单板列表及槽位单板名称描述可插槽位SCB交叉、时钟、主控合一板1~3OI41路622M(STM-4)光口板1~3OI2S1路155M(STM-1)光口板1~3OI2D2路155M(STM-1)光口板1~3SP1S4路E1接口板1~3SP1D8路E1接口板1~3SP2D16路E1接口板1~3PD2S16路E1接口板4PD2D32路E1接口板4ET18路FE电接口以太网板4EF12路光接口、4路电接口板4OSN1500单板未拆分时的槽位和容量不拆分时对偶槽位4槽位-5槽位6槽位-9槽位7槽位-8槽位12槽位-13槽位单板拆分后的槽位和容量拆分后对偶槽位4槽位-5槽位6槽位-9槽位7槽位-8槽位1槽位-11槽位2槽位-12槽位3槽位-13槽位处理槽位和接口板处理槽位对应接口板槽位处理槽位对应接口板槽位2槽位14槽位3槽位16槽位7槽位15槽位8槽位17槽位12槽位14、15槽位13槽位16、17槽位单板列表及槽位单板名称描述可插槽位SL16STM-16光接口板11~13SLQ44路STM-4光接口板11~13SLD42路STM-4光接口板11~13SL41路STM-4光接口板11~13SLQ14路STM-1光接口板11~13SL11路STM-1光接口板11~13CXL16STM-16线路、主控、交叉、时钟合一4~5CXL4STM-4线路、主控、交叉、时钟合一4~5PQ163路E1业务处理板11~13PD132路E1业务处理板1~3、6~8、11~13D75S32路75欧姆E1电接口出线板14~17EGS22路千兆以太网处理板11~13EFS02层交换快速以太网处理板12~13EFS44路二层交换快速以太网处理板11~13ETF88路10/100M以太网双绞线接口板14、16EFF88路10/100M以太网光接口板14、16OSN2500处理槽位和接口板处理槽位对应接口板槽位处理槽位对应接口板槽位6槽位1、2槽位12槽位15、16槽位7槽位3、4槽位13槽位17、18槽位单板列表及槽位单板名称描述可插槽位SL16STM-16光接口板5~8、11~13SLQ44路STM-4光接口板5~8、11~13SLD42路STM-4光接口板5~8、11~13SL41路STM-4光接口板5~8、11~13SLQ14路STM-1光接口板5~8、11~13SL11路STM-1光接口板5~8、11~13SLO18路STM-1光接口板5~8、11~13CXL4STM-4线路、主控、交叉、时钟合一4~5PQ163路E1业务处理板5~7、12~13PD132路E1业务处理板5~7、19~21D75S32路75欧姆E1电接口出线板1~4、15~18SAP辅助接口板14FAN风扇24~25PIU...

1、当您付费下载文档后,您只拥有了使用权限,并不意味着购买了版权,文档只能用于自身使用,不得用于其他商业用途(如 [转卖]进行直接盈利或[编辑后售卖]进行间接盈利)。
2、本站所有内容均由合作方或网友上传,本站不对文档的完整性、权威性及其观点立场正确性做任何保证或承诺!文档内容仅供研究参考,付费前请自行鉴别。
3、如文档内容存在违规,或者侵犯商业秘密、侵犯著作权等,请点击“违规举报”。

碎片内容

华为通信产品单板和槽位图1

您可能关注的文档

确认删除?
VIP
微信客服
  • 扫码咨询
会员Q群
  • 会员专属群点击这里加入QQ群
客服邮箱
回到顶部