电脑桌面
添加小米粒文库到电脑桌面
安装后可以在桌面快捷访问

母线槽安装交底VIP免费

母线槽安装交底_第1页
1/9
母线槽安装交底_第2页
2/9
母线槽安装交底_第3页
3/9
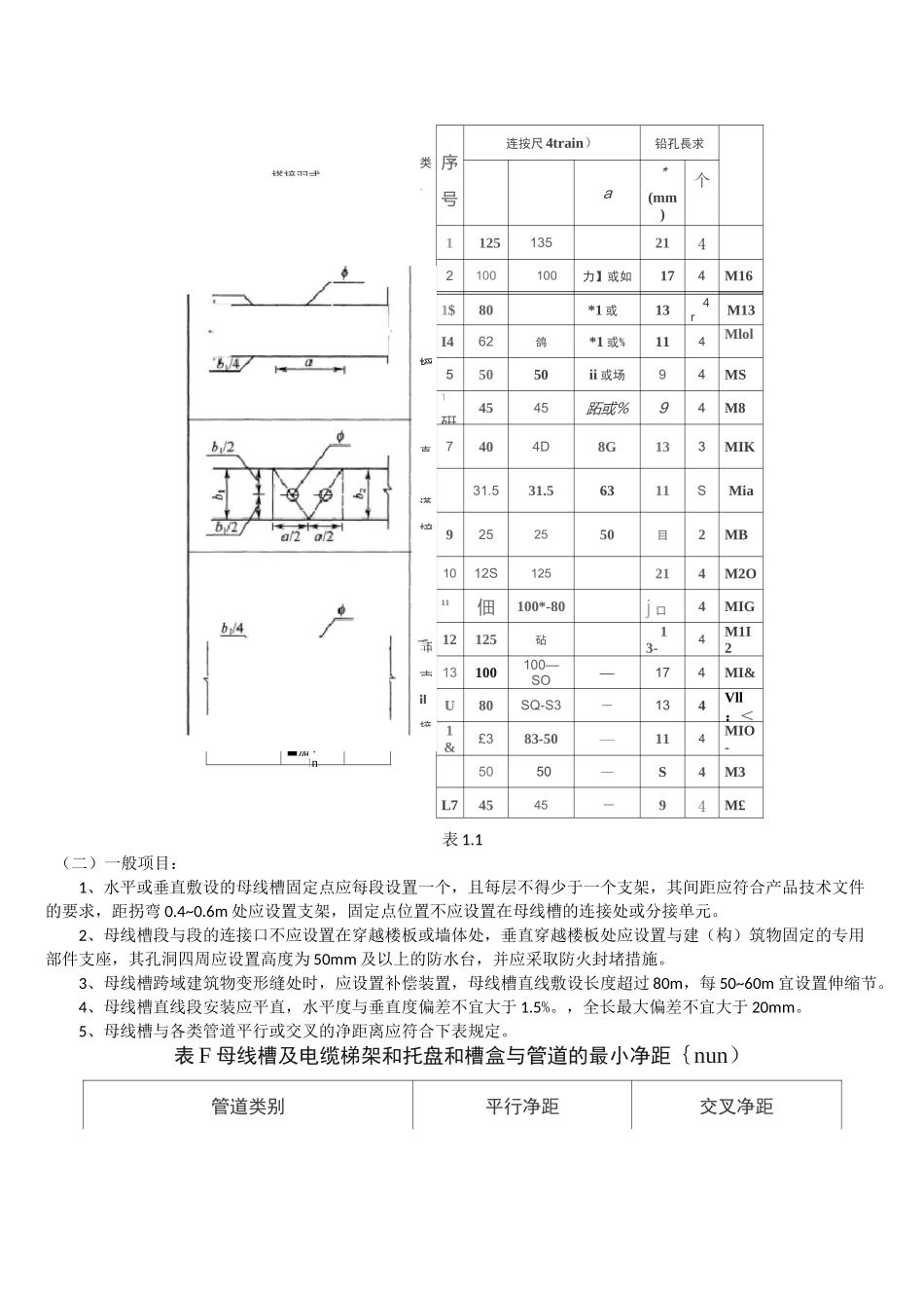
XXX建筑安装工程有限公司二级技术交底表工程名称:XXX项目交底日期:施工单位:XXX筑安装工程有限公司分部分项名称:电气安装工程交底提要:-1F~5F母线槽安装安全、材料、质量及施工工艺要求交底人:被父底人:交底内容:一、质量控制标准(一)主控项目1、母线的金属外壳等外露可导电部分应与保护导体可靠连接,并应符合下列规定:(1)每段母线槽的金属外壳必须连接可靠,且母线槽全长与保护导体可靠连接不应少于2处。(2)分支母线槽的金属外壳末端应与保护导体可靠连接。(3)连接导体的材质、截面积应符合设计要求。2、当设计将母线槽的金属外壳作为保护接地导体(PE)时,其外壳导体应具有连续性且应符合现行国家标准《低压成套开关设备和控制设备第一部分,总则》GB7251.1的规定。3、当母线与母线、母线与电器设备接线端子采用螺栓搭接连接时,应符合下列规定:(1)母线的各类搭接连接的钻孔直径和搭接直径应符合表1.1的规定;当一个连接处需要多个螺栓连接时,每个螺栓的拧紧力矩值应一致。(2)母线接触面应保持清洁,宜涂抗氧化剂,螺栓孔周边应无毛刺。(3)连接螺栓两侧应有平垫圈,相邻垫圈间应有大于3mm的间隙,螺母侧应装有弹簧垫圈或锁紧螺母。(4)螺栓受力应均匀,不应使电器或设备的接线端子受额外应力。4、母线安装应符合卜夕列规定:(1)母线槽不应安装在水管止下方。(2)母线应与外壳同心,允许偏差应为±5mm。(3)当母线槽与段与段连接时,两相邻段母线及外壳宜对准,相序应正确,连接后不应使母线及外壳额外受力。(4)母线的连接方法应符合产品的技术文件要求。(5)母线槽连接用部件的防护等级与母线槽本体的防护等级一致。5、母线槽通电运行前应进行检验或试验,并应符合下列规定:(1)低压母线绝缘电阻值不应大于0.5MQ。(2)母线槽与配电柜、电气设备的接线相序应一致。(3)检查分接单元插入时,接地触头应先于相线触头接触,且触头连接应紧密,退出时,接地触头应后于搭接羽式ri1b‘Tx!盘xQ-4L■■I■加・!n序号连按尺4train)铅孔長求a*(mm)个11251352142100100力】或如174M161$80*1或134rM13I462鸽*1或%114Mlol55050ii或场94MS1硏4545跖或%94M87404D8G133MIK31.531.56311SMia9252550目2MB1012S125214M2O11佃100*-80j口4MIG12125砧13-4M1I213100100—SO—174MI&U80SQ-S3一134Vll:<1&£383-50—114MIO-5050—S4M3L74545一94M£表1.1(二)一般项目:1、水平或垂直敷设的母线槽固定点应每段设置一个,且每层不得少于一个支架,其间距应符合产品技术文件的要求,距拐弯0.4~0.6m处应设置支架,固定点位置不应设置在母线槽的连接处或分接单元。2、母线槽段与段的连接口不应设置在穿越楼板或墙体处,垂直穿越楼板处应设置与建(构)筑物固定的专用部件支座,其孔洞四周应设置高度为50mm及以上的防水台,并应采取防火封堵措施。3、母线槽跨域建筑物变形缝处时,应设置补偿装置,母线槽直线敷设长度超过80m,每50~60m宜设置伸缩节。4、母线槽直线段安装应平直,水平度与垂直度偏差不宜大于1.5%。,全长最大偏差不宜大于20mm。5、母线槽与各类管道平行或交叉的净距离应符合下表规定。表F母线槽及电缆梯架和托盘和槽盒与管道的最小净距{nun)管道类别平行净距交叉净距授直谨接垂克il接类.—般工艺管道400300可燃或易燃易爆气体管道500500热力管道有保温层500300无保温层1000500二、施工操作要点1、设备进场(1)封闭插接母线应有出厂合格证、安装技术文件。技术文件应包括额定电压、额定容量、试验报告等技术数据。型号、规格、电压等级、应符合设计要求。(2)各种规格的型钢应无明显锈蚀,卡件、各种螺栓、垫圈应符合设计要求。2、操作工艺(1)工艺流程设备点件检查f支架制作及安装f封闭插接母线安装f插接箱安装f绝缘电阻测试f试运行验收1)设备开箱点件检查,应有安装单位、建设单位或供货单位共同进行,并做好记录。2)根据装箱单检查设备及附件,其规格、数量、品种应符合设计要求。3)检查设备及附件,分段标志应清晰齐全、外观无损伤变形,母线绝缘电阻符合设计要求。4)检查发现设备及附件不符合设计和质量要求时,必须进行妥善处理,经过设计认可后再进行安装。(2)支架制作...

1、当您付费下载文档后,您只拥有了使用权限,并不意味着购买了版权,文档只能用于自身使用,不得用于其他商业用途(如 [转卖]进行直接盈利或[编辑后售卖]进行间接盈利)。
2、本站所有内容均由合作方或网友上传,本站不对文档的完整性、权威性及其观点立场正确性做任何保证或承诺!文档内容仅供研究参考,付费前请自行鉴别。
3、如文档内容存在违规,或者侵犯商业秘密、侵犯著作权等,请点击“违规举报”。

碎片内容

母线槽安装交底

您可能关注的文档

确认删除?
VIP
微信客服
  • 扫码咨询
会员Q群
  • 会员专属群点击这里加入QQ群
客服邮箱
回到顶部