电脑桌面
添加小米粒文库到电脑桌面
安装后可以在桌面快捷访问

八年级物理全册 6.3 弹力与弹簧测力计学案 (新版)沪科版-(新版)沪科版初中八年级全册物理学案VIP免费

八年级物理全册 6.3 弹力与弹簧测力计学案 (新版)沪科版-(新版)沪科版初中八年级全册物理学案_第1页
1/4
八年级物理全册 6.3 弹力与弹簧测力计学案 (新版)沪科版-(新版)沪科版初中八年级全册物理学案_第2页
2/4
八年级物理全册 6.3 弹力与弹簧测力计学案 (新版)沪科版-(新版)沪科版初中八年级全册物理学案_第3页
3/4
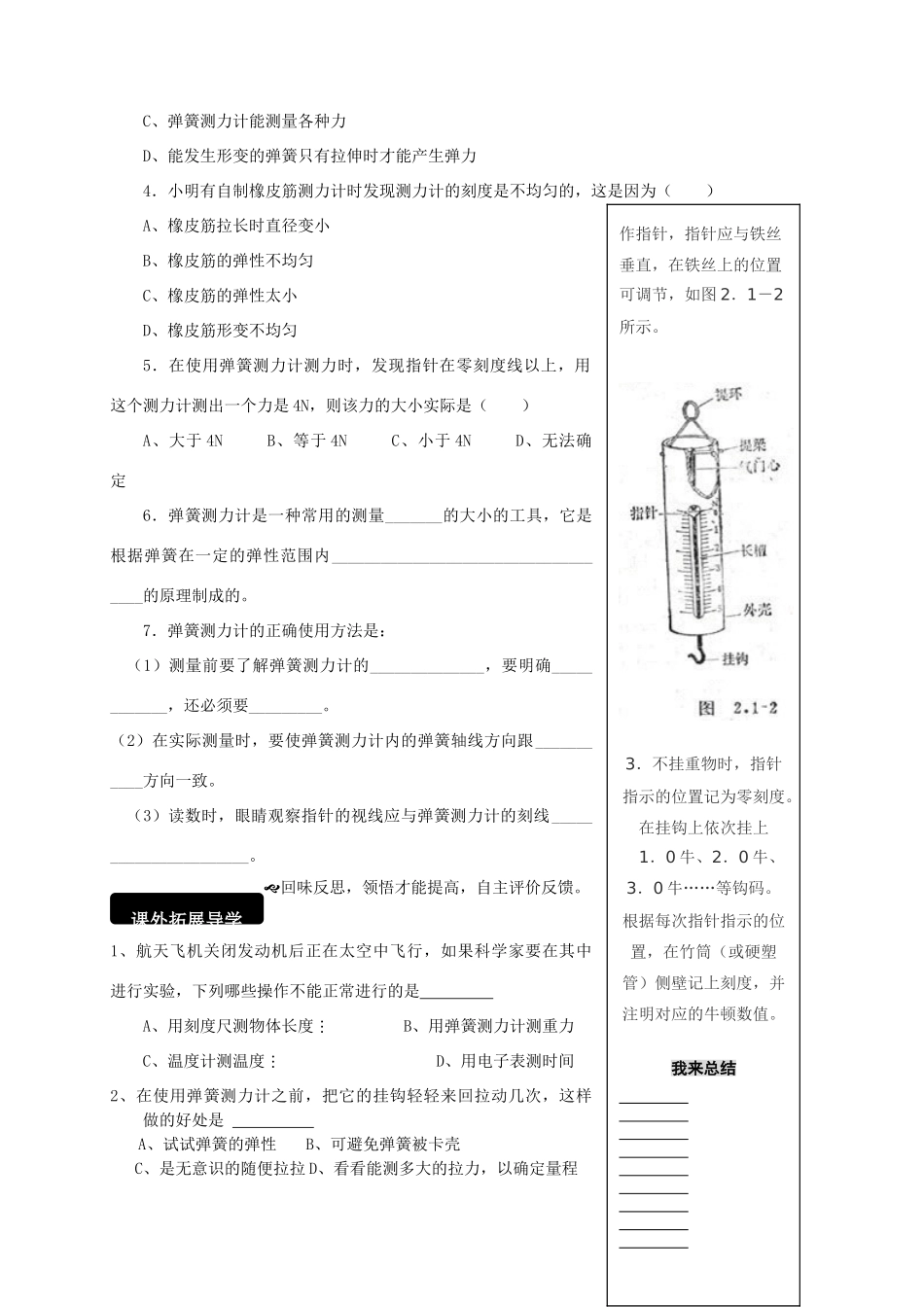
图5-6弹力弹簧测力计自主预习,确立学习目标,检测预习效果1、一根弹簧,用力拉长后,则弹簧发生了形变,如果这个力消失后,弹簧恢复了原来的状态,这种形变称之为________;2、测力的仪器有很多种,实验室常用来测力的大小用________测力计,它的工作原理是在弹性范围内,弹簧所受拉力________,弹簧的________越长;试举一个生活中常见测力的其他仪器________。3、关于弹力,下列说法错误的是A、相互接触的物体间不一定产生弹力B、弹力仅仅是指弹簧形变时对其他物体的作用C、弹力是指发生弹性形变的物体,由于要恢复原状,对接触它的物体产生的力D、压力、支持力、拉力都属于弹力4、使用弹簧测力计时,下列注意事项中错误的是A、弹簧测力计必须竖直放置,不得倾斜B、使用前必须检查指针是否指在零刻度线上C、使用中,弹簧、指针、挂钩不能与外壳摩擦D、测量力的大小不能超出测量范围典例精析,名师点拨解疑,重在授之以渔知识点1:弹力例1.关于弹力,下列说法正确的是()A.不相接触的物体间也会产生弹力B.拉力不属于弹力C.压缩的弹簧能产生弹力D.物体在发生形变时,产生的力叫做弹力【变式1】当一个人站在坚硬的水泥地面上时,水泥地面A、发生了形变,受到了人施加的压力的作用B、发生了形变,受到了人施加的重力的作用C、没有发生形变,因为地面太坚硬了D、没有发生形变,因为人太轻了知识点2:弹簧测力计课前预习导学课中名师导学预学目标◆了解弹力及其在生活中的应用◆会使用弹簧测力计我的疑惑名师点拔例1弹力是接触力,因此,存在弹力的条件是物体要接触而且要发生弹性形变。弹力的大小跟物体的弹性强弱及形变量有关。弹力作用也是相互的。平时所说的压力、支持力、拉力实质都是弹力。.解题规律:知道弹力的概念以及决定弹力大小的因素。分析:物体只有相互接触时才能产生弹力。拉力的作用使物体发生弹性形变,所以拉力属于弹力,压缩的弹簧发生了弹性形变,能产生弹力。选择C。例2:弹簧在一定限度内,所受到的拉力越大它的伸长就越长,弹簧测力计就是根据这一原理来测量力的大小的。解题规律:考查弹簧测力计的读数。分析:从图中可以看出弹簧测力计的示数单位是牛顿,分度值是0.2N,故读数为2.4N。图5-6例2.如图所示,弹簧测力计的示数是()【变式2】弹簧测力计的基本原理是:弹簧所受的拉力与弹簧的______成正比,弹簧测力计在月球上能否测出拉力的大小?______知识点3:正确使用弹簧测力计★重点例3.下列关于弹簧测力计的说法中错误的是()A、弹簧测力计的刻度是均匀的B、弹簧测力计在任何情况下都可以拿来使用C、使用弹簧测力计前应轻轻地拉挂钩,以防卡住D、使用弹簧测力计时,挂钩不能与外壳相碰【变式3】常用的测力的工具是;如图1所示,弹簧测力计的分度值为N,用该测力计测量力可以精确到N,其测量范围是N,此时所测力的大小是N。自主练兵,双基达标训练,会做才算懂了1.下列事例中,不是应用弹力工作的是()A、撑杆跳高B、跳远C、玩具弹簧枪射击子弹D、守门员用力扑住射向球门的足球2.下列说法中正确的是()A、弹簧受到的拉力越大,弹簧的伸长就越长B、弹簧测力计的刻度可以用cm、mm等做单位课堂巩固导学例3:正确使用弹簧测力计:a、了解量程,不要测量超过它量程的力。b.明确分度值。c、校零。d.测力时,测力计内的弹簧轴线方向跟所测力的方向一致,弹簧不要靠在刻度盘上。解题规律:平时要学会正确使用弹簧测力计。分析:如要测量一个水平方向的拉力时,弹簧测力计要水平放置。纠误笔记谐趣苑自制橡皮筋测力计利用自行车上用的气门心或橡皮筋代替弹簧,可以做成皮筋测力计。【制作万法】1.取一段长100毫米的气门心(或橡皮筋),对折成两股,两端再用细铁丝扎紧代替弹簧。2.取一根长150毫米的竹筒(或其他合适的硬塑料管),在靠近顶端处用粗铁丝沿竹筒的某一直径穿过作为提梁,在提梁上用绳系一提环。在筒上离提梁50毫米处,C、弹簧测力计能测量各种力D、能发生形变的弹簧只有拉伸时才能产生弹力4.小明有自制橡皮筋测力计时发现测力计的刻度是不均匀的,这是因为()A、橡皮筋拉长时直径变小B、橡皮筋的弹性不均匀C、橡皮...

1、当您付费下载文档后,您只拥有了使用权限,并不意味着购买了版权,文档只能用于自身使用,不得用于其他商业用途(如 [转卖]进行直接盈利或[编辑后售卖]进行间接盈利)。
2、本站所有内容均由合作方或网友上传,本站不对文档的完整性、权威性及其观点立场正确性做任何保证或承诺!文档内容仅供研究参考,付费前请自行鉴别。
3、如文档内容存在违规,或者侵犯商业秘密、侵犯著作权等,请点击“违规举报”。

碎片内容

八年级物理全册 6.3 弹力与弹簧测力计学案 (新版)沪科版-(新版)沪科版初中八年级全册物理学案

您可能关注的文档

慧源书店+ 关注
实名认证
内容提供者

从事历史教学,热爱教育,高度负责。

确认删除?
VIP
微信客服
  • 扫码咨询
会员Q群
  • 会员专属群点击这里加入QQ群
客服邮箱
回到顶部