电脑桌面
添加小米粒文库到电脑桌面
安装后可以在桌面快捷访问

(通用版)高考化学一轮复习 第十章 第三节 物质的制备学案(含解析)-人教版高三全册化学学案VIP免费

(通用版)高考化学一轮复习 第十章 第三节 物质的制备学案(含解析)-人教版高三全册化学学案_第1页
1/20
(通用版)高考化学一轮复习 第十章 第三节 物质的制备学案(含解析)-人教版高三全册化学学案_第2页
2/20
(通用版)高考化学一轮复习 第十章 第三节 物质的制备学案(含解析)-人教版高三全册化学学案_第3页
3/20
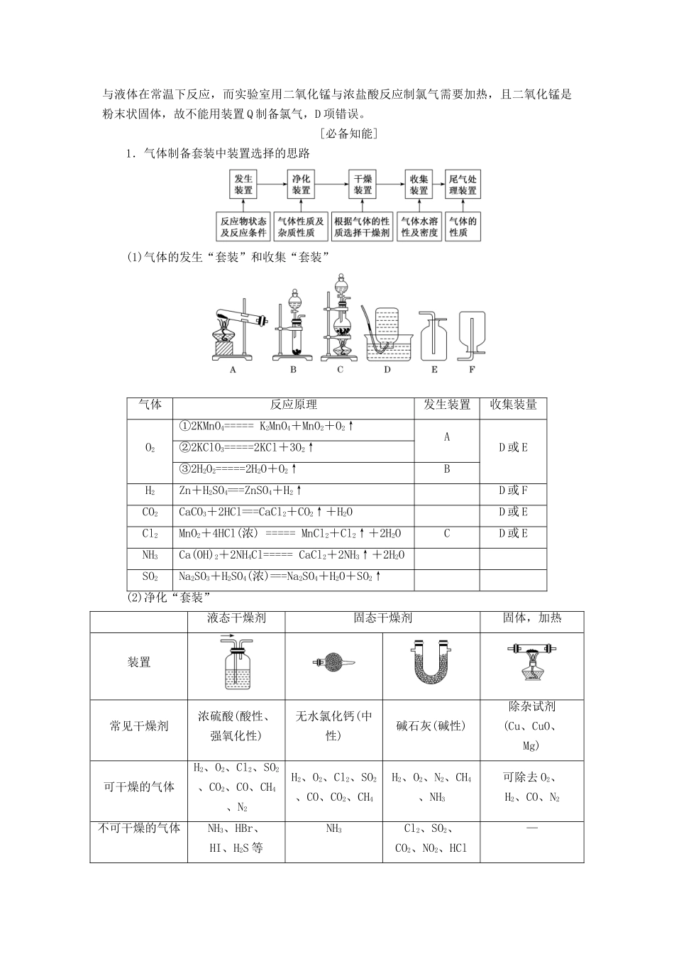
物质的制备考点(一)常见气体的制备知考情明学法气体的制备常以选择题的形式进行考查,命题角度较为固定,基本为常见气体的制备及注意事项,难度一般牢记教材中典型气体H2、O2、Cl2、NH3等的制备方法和注意事项,注意分析气体制备流程中的仪器选择、易误操作等基本问题[考法感悟]1.判断下列说法的正误(正确的打“√”,错误的打“×”)。(1)(2016·江苏高考)用图①装置制取氨气()(2)(2015·四川高考)用图②装置除去氯气中的HCl气体()(3)(2014·江苏高考)实验室用图③装置制取氯气()(4)(2014·福建高考)用图④装置可除去尾气中的SO2气体()(5)(2012·江苏高考)用图⑤装置制取少量纯净的CO2气体()答案:(1)×(2)×(3)×(4)×(5)×2.(2017·全国卷Ⅰ)实验室用H2还原WO3制备金属W的装置如图所示(Zn粒中往往含有硫等杂质,焦性没食子酸溶液用于吸收少量氧气)。下列说法正确的是()A.①、②、③中依次盛装KMnO4溶液、浓H2SO4、焦性没食子酸溶液B.管式炉加热前,用试管在④处收集气体并点燃,通过声音判断气体纯度C.结束反应时,先关闭活塞K,再停止加热D.装置Q(启普发生器)也可用于二氧化锰与浓盐酸反应制备氯气解析:选B制得的氢气中含有H2S、O2、HCl、H2O等杂质,由于酸性高锰酸钾溶液氧化氯化氢生成氯气,所以应先用焦性没食子酸溶液吸收氧气,同时除去氯化氢(易溶于水),再用酸性高锰酸钾溶液吸收硫化氢,最后用浓硫酸干燥,试剂盛放顺序依次为焦性没食子酸溶液、酸性高锰酸钾溶液、浓硫酸,A项错误;若在④处收集气体点燃,发出“噗”声,则证明制取的氢气较纯,可以加热管式炉,B项正确;类似氢气还原氧化铜,实验完毕后,先停止加热,再继续通入氢气一段时间,C项错误;启普发生器不能加热,适合块状固体与液体在常温下反应,而实验室用二氧化锰与浓盐酸反应制氯气需要加热,且二氧化锰是粉末状固体,故不能用装置Q制备氯气,D项错误。[必备知能]1.气体制备套装中装置选择的思路(1)气体的发生“套装”和收集“套装”气体反应原理发生装置收集装量O2①2KMnO4=====K2MnO4+MnO2+O2↑AD或E②2KClO3=====2KCl+3O2↑③2H2O2=====2H2O+O2↑BH2Zn+H2SO4===ZnSO4+H2↑D或FCO2CaCO3+2HCl===CaCl2+CO2↑+H2OD或ECl2MnO2+4HCl(浓)=====MnCl2+Cl2↑+2H2OCD或ENH3Ca(OH)2+2NH4Cl=====CaCl2+2NH3↑+2H2OSO2Na2SO3+H2SO4(浓)===Na2SO4+H2O+SO2↑(2)净化“套装”液态干燥剂固态干燥剂固体,加热装置常见干燥剂浓硫酸(酸性、强氧化性)无水氯化钙(中性)碱石灰(碱性)除杂试剂(Cu、CuO、Mg)可干燥的气体H2、O2、Cl2、SO2、CO2、CO、CH4、N2H2、O2、Cl2、SO2、CO、CO2、CH4H2、O2、N2、CH4、NH3可除去O2、H2、CO、N2不可干燥的气体NH3、HBr、HI、H2S等NH3Cl2、SO2、CO2、NO2、HCl—等(3)防堵塞“套装”分类装置简图原理及使用方法液封式若装置通畅,导气管内外的液面相等;若装置不通畅、堵塞,则装置中的压强会增大,压迫液体沿导气管上升恒压式使分液漏斗内的压强与烧瓶内的压强相同,保证漏斗中液体顺利流出防阻式将棉花置于导管口,防止固体粉末或糊状物进入导管(4)尾气的处理“套装”通常有毒和有污染的尾气必须适当处理。常用仪器有:①吸收溶解度较小的尾气(如Cl2、SO2等)用图A装置。②吸收溶解度较大的尾气(如HCl、NH3等)用图B或C装置。③CO、NO等气体可用点燃或收集于塑料袋(气球)中的方法除去,如图D或E。[注意]①选择气体的发生装置时,应考虑反应物的状态及反应条件,有些气体可用不同的反应原理来制备,要注意选择不同的发生装置。②气体的收集方法要根据气体的化学性质和物理性质(溶解性、密度)进行分析选择,对于易溶于水的气体除用排空气法收集外,还可用排其他液体法,如Cl2可用排饱和食盐水法收集。2.气体发生装置的创新(1)利用“启普发生器”原理的制气装置创新①装置的优点:能做到随开随用,随关随停。②使用范围:块状固体与液体反应生成气体,反应不需要加热,且生成的气体难溶于水。这些装置能制取的气体有H2(Zn+稀H2SO4)、CO2(CaCO3+稀盐酸)、H2S(FeS+稀H2SO4)。(2)“固(液)+液――→气体”装置的创新图1的改进优点是能控制反应液的温度。图2的改进...

1、当您付费下载文档后,您只拥有了使用权限,并不意味着购买了版权,文档只能用于自身使用,不得用于其他商业用途(如 [转卖]进行直接盈利或[编辑后售卖]进行间接盈利)。
2、本站所有内容均由合作方或网友上传,本站不对文档的完整性、权威性及其观点立场正确性做任何保证或承诺!文档内容仅供研究参考,付费前请自行鉴别。
3、如文档内容存在违规,或者侵犯商业秘密、侵犯著作权等,请点击“违规举报”。

碎片内容

(通用版)高考化学一轮复习 第十章 第三节 物质的制备学案(含解析)-人教版高三全册化学学案

确认删除?
VIP
微信客服
  • 扫码咨询
会员Q群
  • 会员专属群点击这里加入QQ群
客服邮箱
回到顶部