电脑桌面
添加小米粒文库到电脑桌面
安装后可以在桌面快捷访问

一种嵌入式PC非标准键盘的设计作者刘勇王玉晶曲斌于洋摘要随着VIP免费

一种嵌入式PC非标准键盘的设计作者刘勇王玉晶曲斌于洋摘要随着_第1页
1/5
一种嵌入式PC非标准键盘的设计作者刘勇王玉晶曲斌于洋摘要随着_第2页
2/5
一种嵌入式PC非标准键盘的设计作者刘勇王玉晶曲斌于洋摘要随着_第3页
3/5
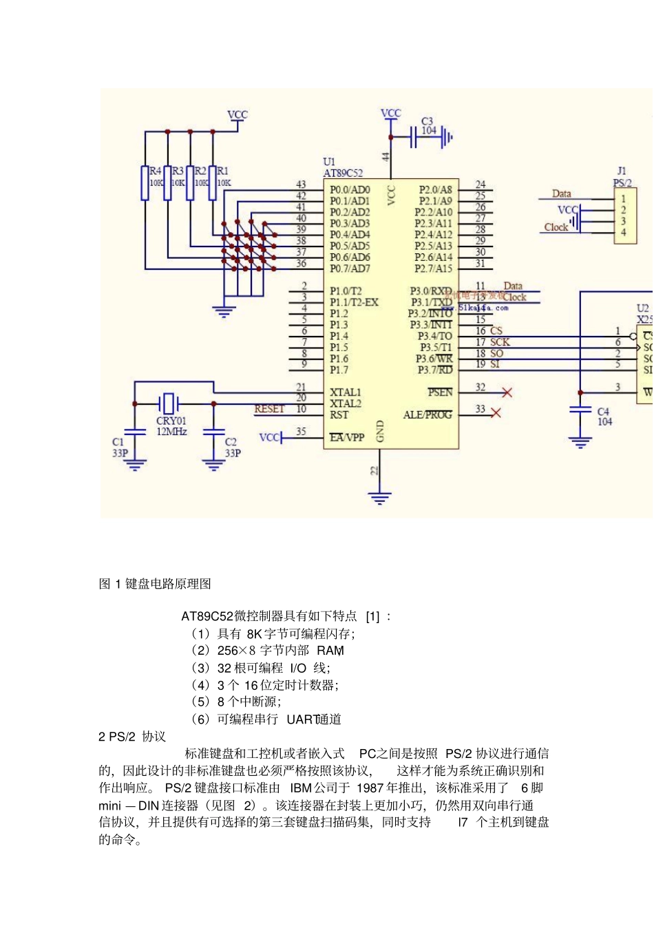
一种嵌入式PC非标准键盘的设计作者:刘勇王玉晶曲斌于洋摘要:随着嵌入式系统的飞速发展,嵌入式PC得到了广泛应用。标准的PC键盘由于体积大,按键多等原因在多数情况下不能满足要求。本文在介绍PS/2通信协议的基础上,利用AT89C52实现了一种PC非标准键盘的设计。给出了其完整的硬件实现电路图和主要的软件开发方法。该键盘具有结构简单、工作稳定、便于扩展等特点,并已在某型航空图像回传系统中得到具体应用。关键词:键盘,PS/2协议,单片机,嵌入式系统随着嵌入式系统的飞速发展,嵌入式PC在工业控制、测量仪器等领域得到了广泛应用,如ADVANTECH公司的PC/104、AMD公司的E86等。它们除了具有PC的功能外,还提供了功能强大的各种标准接口,如:平板/VGA显示器控制接口、光驱接口、以太网接口、RS-232/422/485接口、PC/AT键盘接口等。这就为新产品开发的标准化、模块化提供了方便,可大大缩小研发周期,降低研制成本。由于嵌入式PC具有标准PC键盘接口,也就是说,可以用标准的PC/AT键盘来对嵌入式PC进行操作与控制。然而,在很多实际应用中,需要用到键的数量和类型有很大的差异,并希望键盘具有体积小巧、便于布放等特点。因此,希望能够设计一种小巧、灵活的PC非标准键盘,来满足用户需求。本文根据课题要求,设计了一种由AT89C52实现的PC非标准键盘。下面对其硬件设计、软件实现及PS/2键盘通信协议分别进行介绍。1硬件设计图1为该键盘电路原理图,由ATMEL公司的微控制器AT89C52、逻辑系统(包括看门狗复位电路X25045和晶体振荡电路)、矩阵键盘三部分组成。AT89C52单片机主要完成键盘扫描,确定键盘闭合断开的信息,并发送键码和同步时钟到工控机;逻辑系统提供起振信号及看门狗定时复位功能,防止出现死机;矩阵键盘为4×4的行列式键盘,当有键按下时产生低电平触发信号,便于单片机检测有效的按键操作。该键盘由4×4=16个按键组成,其中行线为P0.4~P0.7,列线为P0.3~P0.0。P3.0为键码数据输出,P3.1为同步时钟,分别输出到嵌入式PC的PS/2端口;+5V电源由主机提供。由于AT89C52的IO端口为32个,除看门狗电路的输入输出端CS、SI、SO、SCK、以及键码数据输出端Data和时钟输出端Clock外,还剩26个可用端口,这样,其最大可独立响应13×13=169个键的输入,不仅可满足标准键盘的多键需求,也可满足工控机常用控制键的要求。X25045为看门狗电路,它实时接收来自AT89C52的CS信号,并自动判断两次信号的间隔时间。当时间间隔到达设定时间时,其RST输出端保持低电平;反之,其RST输出端输出高电平,AT89C52被复位。此外增加了发光二极管LED,用来指示键盘的工作状态。图1键盘电路原理图AT89C52微控制器具有如下特点[1]:(1)具有8K字节可编程闪存;(2)256×8字节内部RAM;(3)32根可编程I/O线;(4)3个16位定时计数器;(5)8个中断源;(6)可编程串行UART通道2PS/2协议标准键盘和工控机或者嵌入式PC之间是按照PS/2协议进行通信的,因此设计的非标准键盘也必须严格按照该协议,这样才能为系统正确识别和作出响应。PS/2键盘接口标准由IBM公司于1987年推出,该标准采用了6脚mini—DIN连接器(见图2)。该连接器在封装上更加小巧,仍然用双向串行通信协议,并且提供有可选择的第三套键盘扫描码集,同时支持l7个主机到键盘的命令。图2PS/2端口示意图PS/2接口的6个引脚只有4个有定义,它们分别是1脚Data(数据脚)、5脚Clock(时钟脚)、3脚Ground(电源地)、4脚Vcc(+5V电源);2脚和6脚为未定义保留端口。PS/2键盘与PC机的物理连接,只要保证这4根线一一对应就可以了。键盘靠PC的PS/2端口提供+5V电源,因此不需要专门电源。另外时钟脚Clock和数据脚Data都是集电极开路的,需外接上拉电阻,上拉电阻的阻值一般可取1K~10K,这和51系列单片机IO口的特性是一致的。PS/2通信协议是一种双向同步串行通信协议。通信的两端通过Clock(时钟脚)同步,并通过Data(数据脚)交换数据。PS/2的数据是按帧进行传输的,每一数据帧包含l1~12个位,其中键盘发送的数据帧为11位。1个起始位(低电平)、8个数据位(低位在前,高位在后)、1个奇偶校验位(采用奇校验)、1个停止位(高电平)。在键码传送的同时,...

1、当您付费下载文档后,您只拥有了使用权限,并不意味着购买了版权,文档只能用于自身使用,不得用于其他商业用途(如 [转卖]进行直接盈利或[编辑后售卖]进行间接盈利)。
2、本站所有内容均由合作方或网友上传,本站不对文档的完整性、权威性及其观点立场正确性做任何保证或承诺!文档内容仅供研究参考,付费前请自行鉴别。
3、如文档内容存在违规,或者侵犯商业秘密、侵犯著作权等,请点击“违规举报”。

碎片内容

一种嵌入式PC非标准键盘的设计作者刘勇王玉晶曲斌于洋摘要随着

确认删除?
VIP
微信客服
  • 扫码咨询
会员Q群
  • 会员专属群点击这里加入QQ群
客服邮箱
回到顶部