电脑桌面
添加小米粒文库到电脑桌面
安装后可以在桌面快捷访问

三相功率因数校正技术综述VIP免费

三相功率因数校正技术综述_第1页
1/14
三相功率因数校正技术综述_第2页
2/14
三相功率因数校正技术综述_第3页
3/14
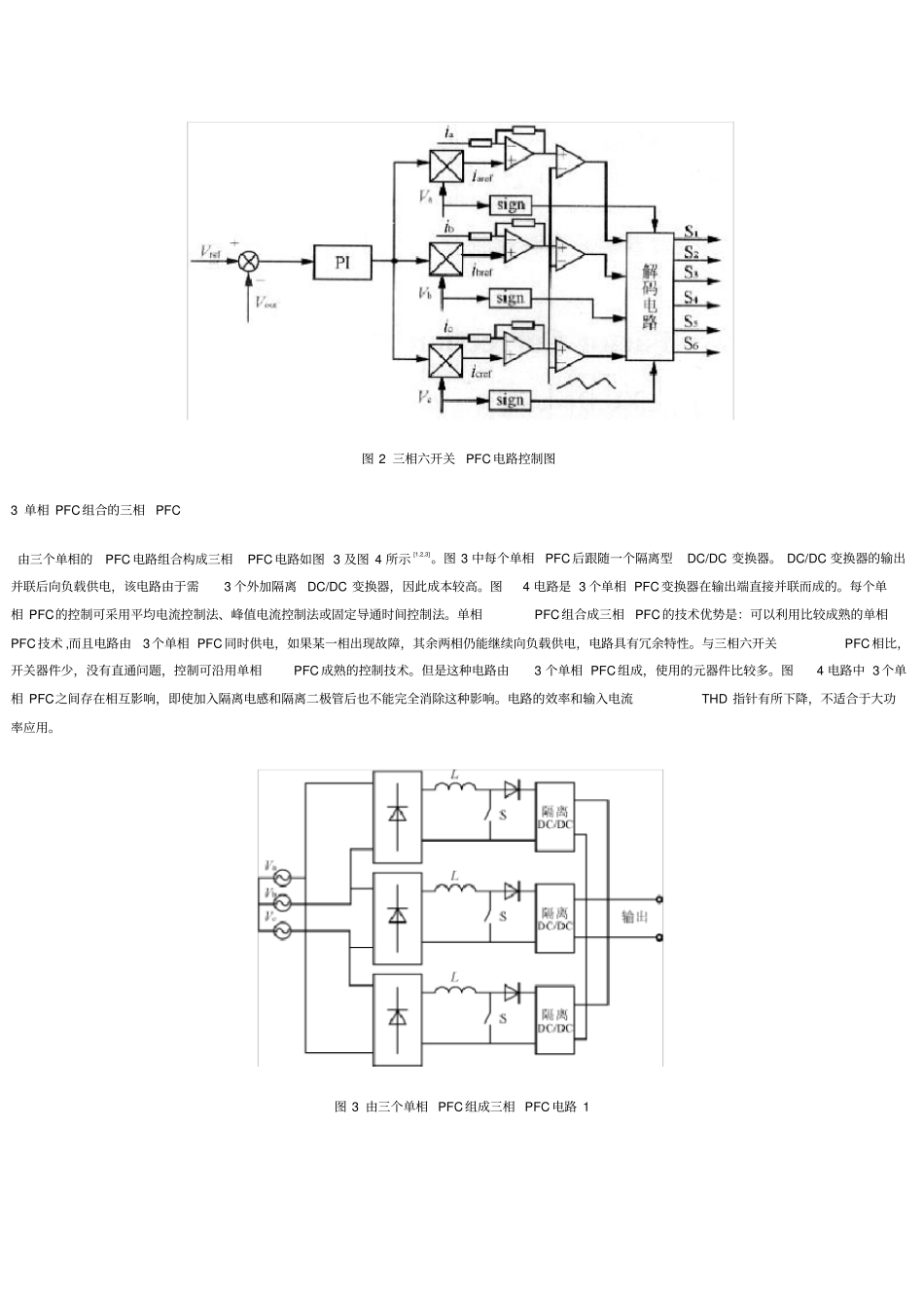
三相功率因子校正(PFC)技术的综述(1)杨成林,陈敏,徐德鸿(浙江大学电力电子研究所,浙江杭州310027)摘要:综述了三相功率因子校正电路发展现状,并对典型拓扑进行分析比较。关键词:三相整流器;谐波;功率因子校正1引言近20年来电力电子技术得到了飞速的发展,已广泛应用到电力、冶金、化工、煤炭、通讯、家电等领域。电力电子装置多数通过整流器与电力网接口,经典的整流器是由二极管或晶闸管组成的一个非线性电路,在电网中产生大量电流谐波和无功污染了电网,成为电力公害。电力电子装置已成为电网最主要的谐波源之一。我国国家技术监督局在1993年颁布了《电能质量公用电网谐波》标准(GB/T14549-93),国际电工委员会也于1988年对谐波标准IEC5552进行了修正,另外还制定了IEC61000-3-2标准,其A类标准要求见表1。传统整流器因谐波远远超标而面临前所未有的挑战。表1IEC61000-3-2A类标准谐波次数最大允许的谐波电流值/A奇次32.3051.1470.7790.40110.33130.21n=15~390.15×15/n偶次21.0840.4360.30n=8~400.23×8/n注:表中n为谐波次数。抑制电力电子装置产生谐波的方法主要有两种:一是被动方法,即采用无源滤波或有源滤波电路来旁路或滤除谐波;另一种是主动式的方法,即设计新一代高性能整流器,它具有输入电流为正弦波、谐波含量低、功率因子高等特点,即具有功率因子校正功能。近年来功率因子校正(PFC)电路得到了很大的发展,成为电力电子学研究的重要方向之一。单相功率因子校正技术目前在电路拓扑和控制方面已日趋成熟,而三相整流器的功率大,对电网的污染更大,因此,三相功率因子校正技术近年来成为研究热点。2三相六开关PFC电路六开关三相PFC是由6只功率开关器件组成的三相PWM整流电路,电路如图1所示。每个桥臂由上下2只开关管及与其并联的二极管组成,每相电流可通过桥臂上的这2只开关管进行控制。如A相电压为正时,S4导通使La上电流增大,电感La充电;S4关断时,电流ia通过与S1并联的二极管流向输出端,电流减小。同样A相电压为负时,可通过S1及与S4并联的二极管对电流ia进行控制。在实际中控制电路由电压外环、电流内环及PWM发生器构成。常用的控制方法如图2所示。PWM控制可采用三角波比较法、滞环控制或空间向量调制法(SVM)[27]。由于三相的电流之和为零,所以只要对其中的两相电流进行控制就足够了。因而在实际应用中,对电压绝对值最大的这一相不进行控制,而只选另外两相进行控制。这样做的好处是减小了开关动作的次数,因而可以减小总的开关损耗。该电路的优点是输入电流的THD小,功率因子为1,输出直流电压低,效率高,能实现功率的双向传递,适用于大功率应用。不足之处是使用开关数目较多,控制复杂,成本高,而且每个桥臂上两只串联开关管存在直通短路的危险,对功率驱动控制的可靠性要求高。为了防止直通短路危险,可以在电路的直流侧串上一只快恢复二极管[28]。图1三相六开关PFC电路图2三相六开关PFC电路控制图3单相PFC组合的三相PFC由三个单相的PFC电路组合构成三相PFC电路如图3及图4所示[1,2,3]。图3中每个单相PFC后跟随一个隔离型DC/DC变换器。DC/DC变换器的输出并联后向负载供电,该电路由于需3个外加隔离DC/DC变换器,因此成本较高。图4电路是3个单相PFC变换器在输出端直接并联而成的。每个单相PFC的控制可采用平均电流控制法、峰值电流控制法或固定导通时间控制法。单相PFC组合成三相PFC的技术优势是:可以利用比较成熟的单相PFC技术,而且电路由3个单相PFC同时供电,如果某一相出现故障,其余两相仍能继续向负载供电,电路具有冗余特性。与三相六开关PFC相比,开关器件少,没有直通问题,控制可沿用单相PFC成熟的控制技术。但是这种电路由3个单相PFC组成,使用的元器件比较多。图4电路中3个单相PFC之间存在相互影响,即使加入隔离电感和隔离二极管后也不能完全消除这种影响。电路的效率和输入电流THD指针有所下降,不适合于大功率应用。图3由三个单相PFC组成三相PFC电路1图4由三个单相PFC组成三相PFC电路2图5是通过工频变压器把三相电压变换成2个单相,这两相的输出电压幅值相同,相位差90°。然后用2个单相PFC电路来实现三相PFC的功能[...

1、当您付费下载文档后,您只拥有了使用权限,并不意味着购买了版权,文档只能用于自身使用,不得用于其他商业用途(如 [转卖]进行直接盈利或[编辑后售卖]进行间接盈利)。
2、本站所有内容均由合作方或网友上传,本站不对文档的完整性、权威性及其观点立场正确性做任何保证或承诺!文档内容仅供研究参考,付费前请自行鉴别。
3、如文档内容存在违规,或者侵犯商业秘密、侵犯著作权等,请点击“违规举报”。

碎片内容

三相功率因数校正技术综述

确认删除?
VIP
微信客服
  • 扫码咨询
会员Q群
  • 会员专属群点击这里加入QQ群
客服邮箱
回到顶部