电脑桌面
添加小米粒文库到电脑桌面
安装后可以在桌面快捷访问

防雷接地系统工程施工方法VIP免费

防雷接地系统工程施工方法_第1页
1/9
防雷接地系统工程施工方法_第2页
2/9
防雷接地系统工程施工方法_第3页
3/9
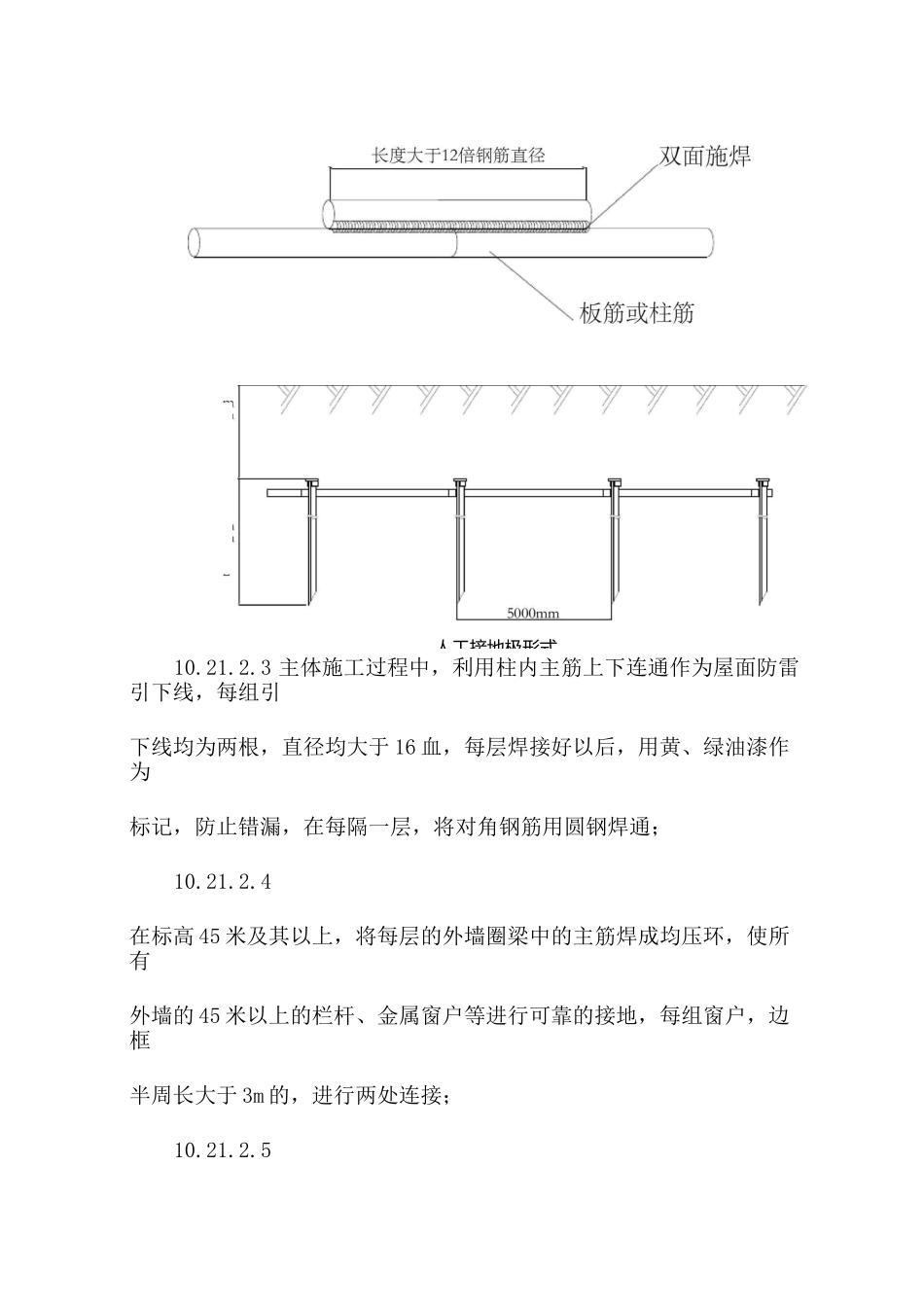
防雷接地系统工程施工方法10.21.1防雷接地系统特点及施工流程本建筑为二类防雷,利用建筑底板主体作为接地体,在屋面设置10mX10m①12镀锌圆钢避雷网,沿女儿墙敷设①12镀锌圆钢避雷带,为防止侧击雷,45m及以上建筑外圈钢筋焊接成均压环,外墙所有不应带电的金属体和均压环连接。在变配电所内设总等电位箱,引出一50X5镀锌扁钢至各局部等电位箱,局部等电位箱至个接地点采用6mm2铜芯线穿①15PVC管敷设。对进出本建筑物的各类管道均进行可靠的等电位联结,医用气体管道、安装高度小于2.4米的灯具、线槽的盖板等都可靠接地。根据本工程的特点,拟采用以下的施工流程:10.21.2防雷系统施工本工程设计为二级防雷,防雷接地和其他各种接地组成共同联合接地,接地电阻小于0.5Q;10.21.2.1在底板筋绑扎完成后,在地下3层底板下侧沿建筑周圈焊接-80X8镀锌扁钢,并和底板内的不小于①16的主筋焊接成10mX10m的网格,并和地下室建筑物外墙钢筋焊接作为自然接地体,同时和所有的框架柱内的不小于①16的两条主筋焊通,焊接的搭接长度大于6倍的钢筋直径,且双面焊接;10.21.2.2在-1.0m的位置,将外墙框架柱内的主筋引出外墙1.0m,并做防腐处理,选择设置引下线的位置,进行接地电阻的测试,若接地电阻大于0.5Q,则在这些引出点增打接地极,直到接地电阻值满足设计要求;人工接地极形式mmomm10.21.2.3主体施工过程中,利用柱内主筋上下连通作为屋面防雷引下线,每组引下线均为两根,直径均大于16血,每层焊接好以后,用黄、绿油漆作为标记,防止错漏,在每隔一层,将对角钢筋用圆钢焊通;10.21.2.4在标高45米及其以上,将每层的外墙圈梁中的主筋焊成均压环,使所有外墙的45米以上的栏杆、金属窗户等进行可靠的接地,每组窗户,边框半周长大于3m的,进行两处连接;10.21.2.5图1避雷带搭接示15主体封顶以后,即可以着手屋面防雷的施工,将引下线钢筋刷上醒目的黄绿相间色,防止土建等其他专业误割,将引下线和支撑钢筋调整到避雷带的轮廓上;屋面避雷网采用ei2镀锌圆钢焊接,网格为10X10米,具体作法见下图,沿机房屋面及女儿墙敷设ei2镀锌圆钢避雷带,形成闭合的环路,并与所有的避雷引下线焊接连通。10.21.3等电位联结施工双面焊图2避雷网格预制水泥支图3屋面避雷网安装示意-80X8镀锌扁10.21.3.1在底板接地装置施工完成后,从底板接地装置用-80X8镀锌扁钢至地下一层变配电房内的总等电位箱,与等电位箱内的镀锌扁钢相联,如下图所示:两根由接地装置引来10.21.3.2在电气竖井内预留100*50孔,竖向接地干线从中穿过,在每层电气竖井中,局部等电位端子箱内的接地母排和接地干线连接,如图所示:预留局部等电位箱引出接点与总等电位端子排三边焊接10.21.3.3各种需要进行等电位连接的地方,设置等电位接点盒,等电位接地线由竖井内局部等电位箱用-50X5镀锌扁钢埋地敷设引来。10.21.3.4各进出建筑物的管道均就近和等电位母排连接,示意图如下:医疗气体管电子信息设电源进金属下水,-0【o666d6d-6(±3等电位母线同接地亠体连接10.21.3.5总等电位端子箱与医疗气体金属管道之间的联接采用抱箍连接法,通过抱箍与管道连接,再与接地线连接。如图所示断接检查10.27.3.总等电位端子箱与总计量表、阀门之间的联接在计量表或阀门两端管道上连接抱箍,管道上连接抱箍的做法同上,通过BVR-6mm2导线将两抱箍连通。如图所示10.21.3.7总等电位端子箱与其他金属结构或电源箱之间直接通过接地线来联接,接地线通过螺栓一端压接在端子板上,另一端直接压接或焊接在电源箱或预埋件上。所有接线端子采用内六角螺母加弹簧垫圈接线,防止无关人员误将接地线拆卸下来,引起触电事故。10.21.3.8卫生间及淋浴间等处,均对浴盆、金属管道、金属台盆等进行等电位连螺栓带弹簧垫口£€2020断接测试卡接地电阻测试EPiC—接,卫生间等电位联接祥图如下(以脸盆处为例):10.21.4接地系统测试采用ZC-8型接地电阻测试仪对接地电阻进行测量,其测得的电阻值应满足设计及规范要求。接地网接地电阻测量点不得少于3处,且每点测量最少为3次,计算出数据的平均值即可认为是该点的接地电阻值。接线方式如下图:

1、当您付费下载文档后,您只拥有了使用权限,并不意味着购买了版权,文档只能用于自身使用,不得用于其他商业用途(如 [转卖]进行直接盈利或[编辑后售卖]进行间接盈利)。
2、本站所有内容均由合作方或网友上传,本站不对文档的完整性、权威性及其观点立场正确性做任何保证或承诺!文档内容仅供研究参考,付费前请自行鉴别。
3、如文档内容存在违规,或者侵犯商业秘密、侵犯著作权等,请点击“违规举报”。

碎片内容

防雷接地系统工程施工方法

确认删除?
VIP
微信客服
  • 扫码咨询
会员Q群
  • 会员专属群点击这里加入QQ群
客服邮箱
回到顶部