电脑桌面
添加小米粒文库到电脑桌面
安装后可以在桌面快捷访问

灌装机酒操作标准作业指导书VIP免费

灌装机酒操作标准作业指导书_第1页
1/9
灌装机酒操作标准作业指导书_第2页
2/9
灌装机酒操作标准作业指导书_第3页
3/9
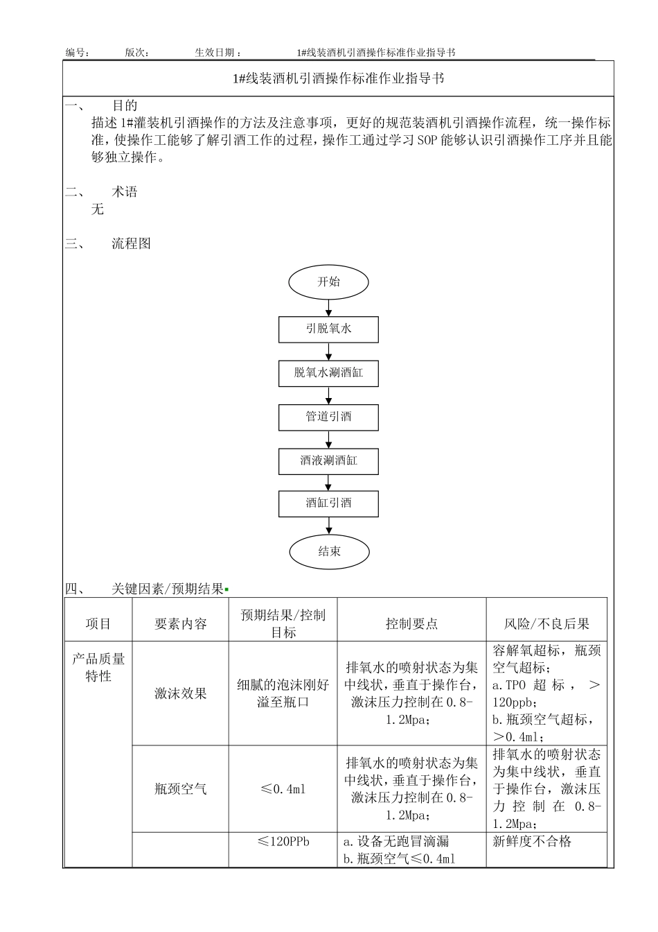
编号:版次:生效日期:1#线装酒机引酒操作标准作业指导书1#线装酒机引酒操作标准作业指导书一、目的描述1#灌装机引酒操作的方法及注意事项,更好的规范装酒机引酒操作流程,统一操作标准,使操作工能够了解引酒工作的过程,操作工通过学习SOP能够认识引酒操作工序并且能够独立操作。二、术语无三、流程图四、关键因素/预期结果项目要素内容预期结果/控制目标控制要点风险/不良后果产品质量特性激沫效果细腻的泡沫刚好溢至瓶口排氧水的喷射状态为集中线状,垂直于操作台,激沫压力控制在0.8-1.2Mpa;容解氧超标,瓶颈空气超标;a.TPO超标,>120ppb;b.瓶颈空气超标,>0.4ml;瓶颈空气≤0.4ml排氧水的喷射状态为集中线状,垂直于操作台,激沫压力控制在0.8-1.2Mpa;排氧水的喷射状态为集中线状,垂直于操作台,激沫压力控制在0.8-1.2Mpa;≤120PPba.设备无跑冒滴漏b.瓶颈空气≤0.4ml新鲜度不合格开始引脱氧水脱氧水涮酒缸管道引酒酒液涮酒缸酒缸引酒结束编号:版次:生效日期:1#线装酒机引酒操作标准作业指导书TPOc.抽真空压力<-0.08Mpa;d.抽真空泵水温<30℃;e.定期更换抽真空阀、泄压阀密封,1次/3个月;f.定期更换中心分配器密封,1次/6个月;g.定期更换对中罩密封玻璃酒数量/只0只a.爆瓶喷冲正常开启,喷冲压力≥0.2Mpa;b.开班前、品种转换、生产中检查酒管是否弯曲、倾斜,发现异常及时更换;玻璃酒反馈净含量(600±8)ml(500±5)ml批量检测:净含量大于标注净含量a.酒温控制在4度以下;b.保证设备连续运转;c.对单阀异常的情况及时处理;a.净含量不合格,造成质量反馈;b.酒损过高压盖尺寸28.5mm<D﹤29.2mm按时巡检(1次/20分钟),按照调车标准调试压盖机裙盖酒、群盖酒或压碎瓶口抽真空压力压力<-0.08MPaa.真空阀密封定期更换;b.管道密封定期更换,1次/6个月容氧超标食品安全危害酒液微生物/按照工艺要求进行灌装,按时巡检;啤酒口味不好化学品残留/按照工艺要求进行刷洗,刷洗结束后进行品评和PH试纸进行检测;啤酒质量不合格碎玻璃按照现场标准清理及时清理卫生;碎玻璃划伤激沫水微生物/定期刷洗激沫水管路及激沫头;啤酒酒液染菌油品泄露无泄漏定期检查油管路,更换密封,加油时避免洒到外面;啤酒质量不合格瓶盖微生物/按照工艺要求添加瓶盖啤酒质量不合格编号:版次:生效日期:1#线装酒机引酒操作标准作业指导书环境因素酒头酒尾排放专用管道集中排放废液经污水管道进入污水处理场;水体污染刷洗水的排放专用管道集中排放保证车间内污水排放管路的畅通,无阻碍的排放到公司的污水处理;水体污染土壤污染废机油集中回收由部门定置封闭存放,由生产部回收处理(交给有资质的废品回收公司处理);水体污染土壤污染生产中碎玻璃及时清理放入专用垃圾桶;碎玻璃划伤危险源蒸汽无泄漏定期对蒸汽管路阀门、连接处检查检修;定期进行蒸汽压力检测;修订完善蒸汽相关操作SOP并落实执行;定期对人员进行操作安全的培训;建立蒸汽泄露应急预案;蒸汽管路或泄漏蒸汽烫伤噪声<85分贝定期对作业环境检测,对员工进行公示;对员工定期进行培训,按规范佩戴耳塞;测试吸音材料,成功后在其它地方安装;听力受损触电/用电设备接地;触电伤害事故穿越输送碰伤/走安全通道;碰伤设备挤伤/挂牌上锁,停机处理设备故障;安全事故热碱、热水、消毒剂/按规定穿戴劳保用品、挂牌标示;安全事故五、设备示意图及部件编号编号:版次:生效日期:1#线装酒机引酒操作标准作业指导书装酒机管道阀名称及编号:六、操作前准备1、常用工具:名称阀号自来水CIP1+CV1-Q171热水罐进CIP1+HWT1-Q161热水罐出CIP1+HWT1-Q151热水罐喷淋阀CIP1+HWT1-Q111碱罐进CIP1+LGT1-Q161碱罐出CIP1+LGT1-Q151碱罐喷淋阀CIP1+LGT1-Q111排污阀CIP1+CV1-Q161热水排污阀CIP1+HWT1-Q121碱罐排污阀CIP1+LGTI-Q121热水浮球阀CIP1+HWT1-Q115碱罐浮球阀CIP1+LGTI-Q115加热循环阀CIP1+CV1-Q141CIP循环阀CIP1+CV1-Q121CIP1+CV1-Q101跨接板CIP循环阀CIP1+PAN1-Q126CIP1+PAN1-Q127溢流阀CIP1+CV1-F101进酒阀105名称阀号酒管路连通CIP回路阀Q104阀阵CIP回路阀Q120、Q122阀阵排污阀Q121真空泵回路阀Q141真空泵CIP回路阀Q...

1、当您付费下载文档后,您只拥有了使用权限,并不意味着购买了版权,文档只能用于自身使用,不得用于其他商业用途(如 [转卖]进行直接盈利或[编辑后售卖]进行间接盈利)。
2、本站所有内容均由合作方或网友上传,本站不对文档的完整性、权威性及其观点立场正确性做任何保证或承诺!文档内容仅供研究参考,付费前请自行鉴别。
3、如文档内容存在违规,或者侵犯商业秘密、侵犯著作权等,请点击“违规举报”。

碎片内容

灌装机酒操作标准作业指导书

您可能关注的文档

海纳百川+ 关注
实名认证
内容提供者

热爱教学事业,对互联网知识分享很感兴趣

确认删除?
VIP
微信客服
  • 扫码咨询
会员Q群
  • 会员专属群点击这里加入QQ群
客服邮箱
回到顶部