电脑桌面
添加小米粒文库到电脑桌面
安装后可以在桌面快捷访问

屋面防水做法图解VIP专享VIP免费

屋面防水做法图解_第1页
1/8
屋面防水做法图解_第2页
2/8
屋面防水做法图解_第3页
3/8
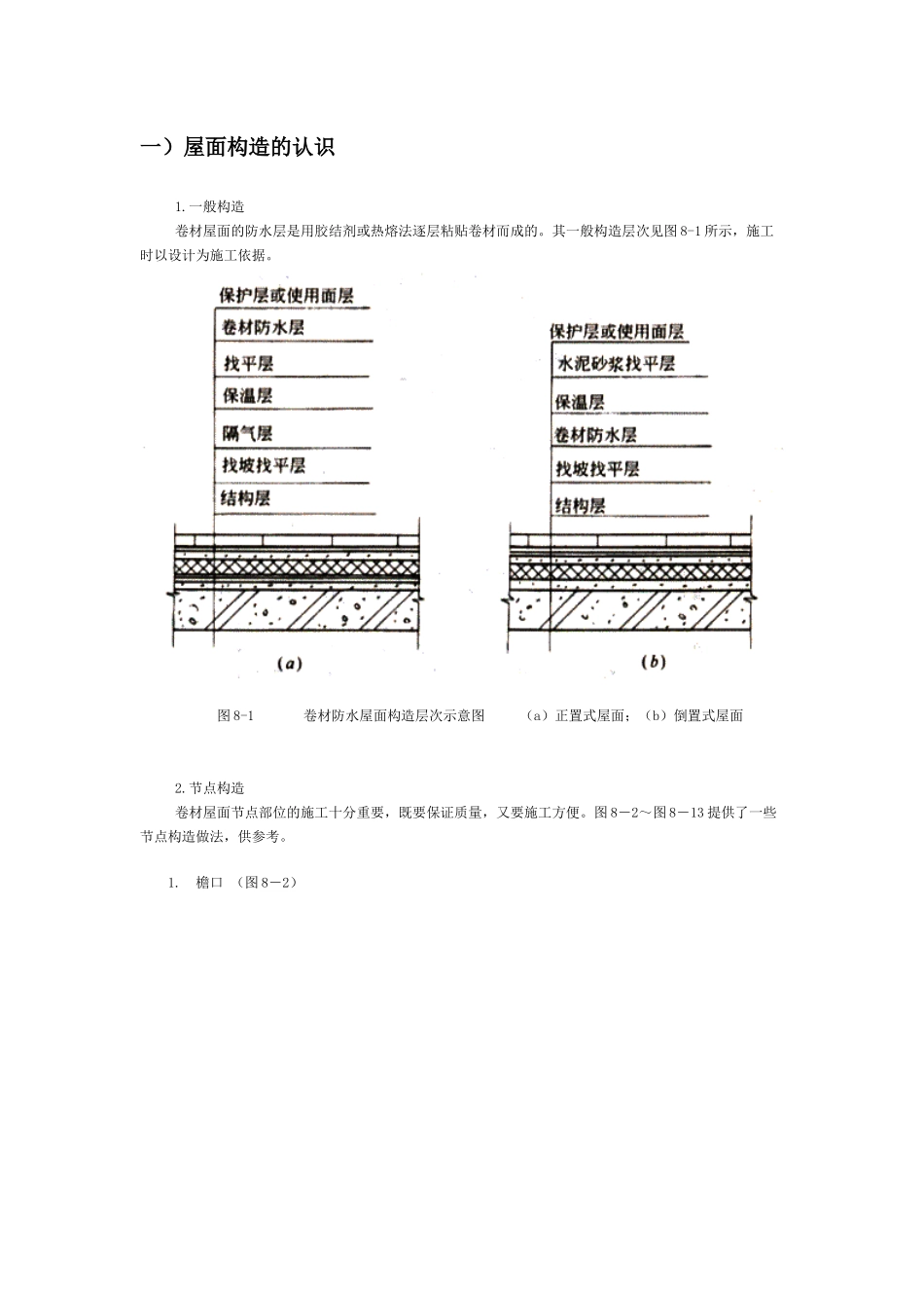
一)屋面构造的认识1.一般构造卷材屋面的防水层是用胶结剂或热熔法逐层粘贴卷材而成的。其一般构造层次见图8-1所示,施工时以设计为施工依据。图8-1卷材防水屋面构造层次示意图(a)正置式屋面;(b)倒置式屋面2.节点构造卷材屋面节点部位的施工十分重要,既要保证质量,又要施工方便。图8-2~图8-13提供了一些节点构造做法,供参考。1.檐口(图8-2)图8-2檐口(2)檐沟(图8-3)图8-3檐沟及檐沟卷材收头(3)水落口(图8-4、图8-5)①直式水落口(图8-4)图8-4直式水落口②横式水落口(图8-5)图8-5横式水落口(4)泛水收头(图8-6、图8-7)①混凝土墙卷材泛水收头(图8-6)图8-6混凝土墙卷材泛水收头②砖墙卷材泛水收头(图8-7)图8-7砖墙卷材泛水收头(5)女儿墙泛水收头与压顶(图8-8)图8-8女儿墙泛水收头与压顶(6)变形缝(图8-9、图8-10)①变形缝(图8-9)图8-9变形缝②高低跨变形缝(图8-10)图8-10高低跨变形缝(7)伸出屋面管道(图8-11)图8-11伸出屋面管道(8)出入口(图8-12、图8-13)①垂直出入口(图8-12)图8-12垂直出入口②水平出入口(图8-13)图8-13水平出入口

1、当您付费下载文档后,您只拥有了使用权限,并不意味着购买了版权,文档只能用于自身使用,不得用于其他商业用途(如 [转卖]进行直接盈利或[编辑后售卖]进行间接盈利)。
2、本站所有内容均由合作方或网友上传,本站不对文档的完整性、权威性及其观点立场正确性做任何保证或承诺!文档内容仅供研究参考,付费前请自行鉴别。
3、如文档内容存在违规,或者侵犯商业秘密、侵犯著作权等,请点击“违规举报”。

碎片内容

屋面防水做法图解

海纳百川+ 关注
实名认证
内容提供者

热爱教学事业,对互联网知识分享很感兴趣

确认删除?
VIP
微信客服
  • 扫码咨询
会员Q群
  • 会员专属群点击这里加入QQ群
客服邮箱
回到顶部