电脑桌面
添加小米粒文库到电脑桌面
安装后可以在桌面快捷访问

品质管理QC七种(大)手法工具--检查表VIP免费

品质管理QC七种(大)手法工具--检查表_第1页
1/4
品质管理QC七种(大)手法工具--检查表_第2页
2/4
品质管理QC七种(大)手法工具--检查表_第3页
3/4
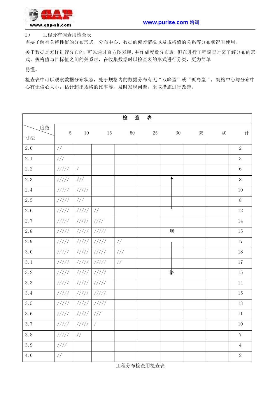
企业培训品质管理QC七种(大)手法工具--检查表检查表用于多种目的,是一种预先设计的适当的规格用纸,以便于数据简单记录、提取及整理,且能够对检查、确认项目进行毫无遗漏的核对、检查。因此,设计合适的检查表可以将必要的数据整理归纳出来,收集情报并且有条不紊的对需检查确认的项目进行毫无遗漏的点检核对。利用检查表可以迅速地将繁琐数据记录在纸上,方便的知道问题是什么,缺陷集中在什么地方,另外在作直方图、帕累托图时也经常使用检查表。一、检查表的种类及使用检查表按其使用的不同大致可分为:1.记录用检查表记录用检查表是将数据以项目、位置等分类,并在其图表上记录数据或用记号等,能够一目了然的知道,记录完整后的数据大体集中在哪个项目上,是怎样分布的。记录用检查表又可分为如下:1)不良项目调查用检查表用于调查何种不良项目属于多发。制品名C2730检查日期2000.10.1工程最终检查检查者名黎明检查总数C2420批量番号5.9A种类检查结果小计表面伤痕//…32变形/…11涂装脱落/…27尺寸不良/…4其它//…11合计85作业者在发现不衣时填写不良项目检查表,记录检查记号并对应到相应栏中,作业结束时,就可以看出哪一个项目不良有多少?企业培训2)工程分布调查用检查表需要了解有关特性值的分布形式、分布中心、数据的偏差情况以及规格值的关系等分布状况时使用。关于数据是怎样进行分布的,可以通过直方图表现,并作成度数分布表,但在进行工程调查时需了解分布的形式、规格值与目标值之间的关系时,在收集数据时以检查表的形式进行分类,更为简单易懂。检查表中可以观察数据分布状态,处于规格内的数据分布有无“双峰型”或“孤岛型”,规格中心与分布中心有无偏心大小,估计超出规格的比率等,及时发现问题,采取措施进行改善。检查表度数寸法510155025303540计2.0//22.1///32.2//////62.3////////82.4//////////102.5////////82.6////////////122.7//////////////142.8///////////////规152.9/////////////////173.0//////////////////183.1/////////////////173.2///////////////格153.3///////////////143.4///////////////153.5///////////////133.6/////////////113.7///////////103.8///////73.9////44.0//2工程分布检查用检查表企业培训3)欠点位置调查用检查表通常先准备好产品的大致图形,以此来检查缺陷的位置,用于调查欠点的发生处所时使用。一般用于制品的草图或者展开图,比较容易与现场结合。使用该图表调查欠点发生的场所,为什么该处所的缺陷会相对集中,从这一角度观察问题可以查明原因,着手对策。4)不良原因调查用检查表产生不良的原因很多时,按不同原因对产生不良的情况分类,根据机械、作业、材料、零部件、作业方法的不同分层找出不良项目,用于发现不良主要时使用。机械作业者月(一)火(二)水(三)木(四)金(五)计午前午后午前午后午前午后午前午后午前午后1号机佐藤○○△●○△○○○○▲▲○○○△△△▲▲●○○○●○○△△○○△○○●3573中村○△△●○○○△△●○○○○○○△△○○○▲▲○▲○○▲○△▲○△▲○△▲○382号机松本○○△○△○○▲○○△▲△▲○▲○△△○○△2246丸山○○△○△○○△○○○●▲●△▲○○○○○○○▲24计141216131391111119119○:表面伤痕●:短射△:变形▲:光斑5)检修·确认用检查表检修·确认用检查表是在设备的启动、保养、检查、安全确认、整理整顿等的场合,对检修·确认事项无遗漏的查对,在事先写有应检修·确认的项目的纸上将查对的结果记录上去。6)点检确认用检查表这种检查表是预先记录所有需检查的项目,检查时对应检查表边检查边记录,可以做到无遗漏的检查确认核对项目,也可以用于事后检讨。检查表中的项目顺序根据实际点检手顺编排最佳。二、检查表的使用方法作成检查表的一般步骤:1、明确收集数据的目的明确收集数据是为了调查不良项目、不良主因或欠点位置等等。2、整理调查项目将需调查的项目作成清单,并决定其顺序为了使数据收集后还能继续层别或分析使用,应明确各项目的履历3、决定检查方法检查期间、检查方式(全数检查或者抽样检查)、检查数...

1、当您付费下载文档后,您只拥有了使用权限,并不意味着购买了版权,文档只能用于自身使用,不得用于其他商业用途(如 [转卖]进行直接盈利或[编辑后售卖]进行间接盈利)。
2、本站所有内容均由合作方或网友上传,本站不对文档的完整性、权威性及其观点立场正确性做任何保证或承诺!文档内容仅供研究参考,付费前请自行鉴别。
3、如文档内容存在违规,或者侵犯商业秘密、侵犯著作权等,请点击“违规举报”。

碎片内容

品质管理QC七种(大)手法工具--检查表

您可能关注的文档

确认删除?
VIP
微信客服
  • 扫码咨询
会员Q群
  • 会员专属群点击这里加入QQ群
客服邮箱
回到顶部