电脑桌面
添加小米粒文库到电脑桌面
安装后可以在桌面快捷访问

张家界市城市规划技术规定(修订草案)VIP免费

张家界市城市规划技术规定(修订草案)_第1页
1/27
张家界市城市规划技术规定(修订草案)_第2页
2/27
张家界市城市规划技术规定(修订草案)_第3页
3/27
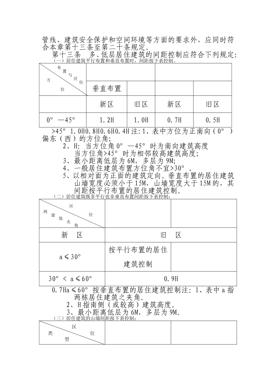
张家界市规划管理局关于《张家界市城市规划技术规定(修订草案)》公开征求意见的公告(二○○八年十一月二十五日)为促进城市规划管理工作科学化、规范化,根据张家界市城市总体规划以及有关法律法规、技术规范和技术标准,并在调查研究、广泛征求各部门、规划设计和开发单位意见的基础上,我局对《张家界市城市规划技术规定(试行)》进行了修订,现将《张家界市城市规划技术规定(修订草案)》全文公布,向社会征求意见。欢迎各界人士提出意见和建议,以便进一步完善。公开征求意见的时间为2008年11月25日至12月14日,各界人士可用信函、传真或电子邮件方式返回意见。信函地址:张家界市规划管理局技术科传真:0744-8380203电子邮箱:liaoqiyong7895@163.com张家界市规划管理局二○○八年十一月二十五日张家界市城市规划技术规定第一章总则第一条为了促进城市规划管理工作科学化、规范化,根据张家界市城市总体规划以及有关法律法规、技术规范和技术标准,结合本市实际情况,制定本规定。第二条本规定适用于本市城市规划区范围内各项建设工程;县人民政府所在地镇的各项建设工程可参照执行。第三条编制审批详细规划(含控制性详细规划和修建性详细规划)和规划设计方案应符合本规定。各项工程建设应按经批准的详细规划执行;尚无经批准的详细规划,按本规定执行。凡本规定未涉及到的,依照国家现行标准。第二章建设用地分类和适建范围第四条按照主要用途和功能,建设用地分类依据《城市用地分类与规划建设用地标准》(GBJ137—90)确定。第五条根据土地使用相容性的原则,各类建设用地的适建范围见《各类建设用地适建范围表》(附表一)。凡需改变规划用地性质、超出附表一规定范围的,应先提出调整规划申请,按规定程序和权限报请批准。第三章建筑容量控制第六条新建、改建、扩建建筑工程的建筑容量控制指标(含建筑容积率、建筑密度、绿地率)按本章的有关规定执行。第七条建筑基地详细规划,应按城市规划要求及有关规范、规定进行建筑基地规划设计,其建筑容量指标应按《建筑容积率、建筑密度、绿地率控制指标表》(附表二)的规定执行。第八条附表二规定指标中建筑容积率和建筑密度为上限,绿地率为下限,使用附表二规定指标应根据规模、性质、功能、区位及用地情况等因素进行综合环境分析后确定。附表二规定指标适用于单一类型的建筑基地。对混合类型的建筑基地,其建筑容量控制指标应将建筑基地按使用性质分类规定后,按不同类型分别执行;对难以分类执行的建筑基地,应按不同性质建筑的建筑面积比例和不同的建筑容量控制指标换算成建筑容量综合控制指标。第九条对未列入附表二的科研机构,大中专院校、中小学校、体育场馆以及医疗卫生、文化艺术、幼托等城市公共设施的建筑容量控制指标,应按经批准的详细规划和有关专业技术规定执行。但不应超过附表二中相应居住建筑的控制指标。第十条原有建筑基地建筑容量控制指标已超出规定值的,不得在原有建筑基地范围内进行扩建。基地内原有建筑的总建筑容量虽未超出规定值,但其扩建破坏原空间环境的亦不能进行建设。第十一条建筑基地为社会公众服务提供开放空间的(规划要求以外的),在符合消防、卫生、交通等有关规定和本章有关规定的前提下,可按下表的规定增加建筑面积。但增加的建筑面积总计不得超过核定建筑面积的20%。核定建筑容积率每提供1m2有效面积的开放空间允许增加的建筑面积m2FAR<21.02≤FAR<41.54≤FAR<62.0核定建筑容积率由城市规划行政主管部门按已审定的详细规划或附表二中有关规定确定.注:开放空间的条件和计算方法见附录二第四章建筑间距第十二条建筑间距除必须符合消防、卫生、环保、工程、管线、建筑安全保护和空间环境等方面的要求外,应同时符合本章第十三条至第二十条规定。第十三条多、低层居住建筑的间距控制应符合下列规定:(一)居住建筑平行布置和垂直布置时,间距按下表控制。垂直布置新区旧区新区旧区0°—45°1.2H1.0H0.7H0.5H>45°1.0H0.8H0.6H0.4H注:1、表中方位为正南向(0°)偏东(西)的方位角;2、H:当方位角0°—45°时为南向建筑高度当方位角>45°时为相邻较高建筑高度;3、最小距...

1、当您付费下载文档后,您只拥有了使用权限,并不意味着购买了版权,文档只能用于自身使用,不得用于其他商业用途(如 [转卖]进行直接盈利或[编辑后售卖]进行间接盈利)。
2、本站所有内容均由合作方或网友上传,本站不对文档的完整性、权威性及其观点立场正确性做任何保证或承诺!文档内容仅供研究参考,付费前请自行鉴别。
3、如文档内容存在违规,或者侵犯商业秘密、侵犯著作权等,请点击“违规举报”。

碎片内容

张家界市城市规划技术规定(修订草案)

您可能关注的文档

确认删除?
VIP
微信客服
  • 扫码咨询
会员Q群
  • 会员专属群点击这里加入QQ群
客服邮箱
回到顶部