电脑桌面
添加小米粒文库到电脑桌面
安装后可以在桌面快捷访问

土木工程制图与CAD A卷答案VIP专享VIP免费

土木工程制图与CAD    A卷答案_第1页
1/7
土木工程制图与CAD    A卷答案_第2页
2/7
土木工程制图与CAD    A卷答案_第3页
3/7
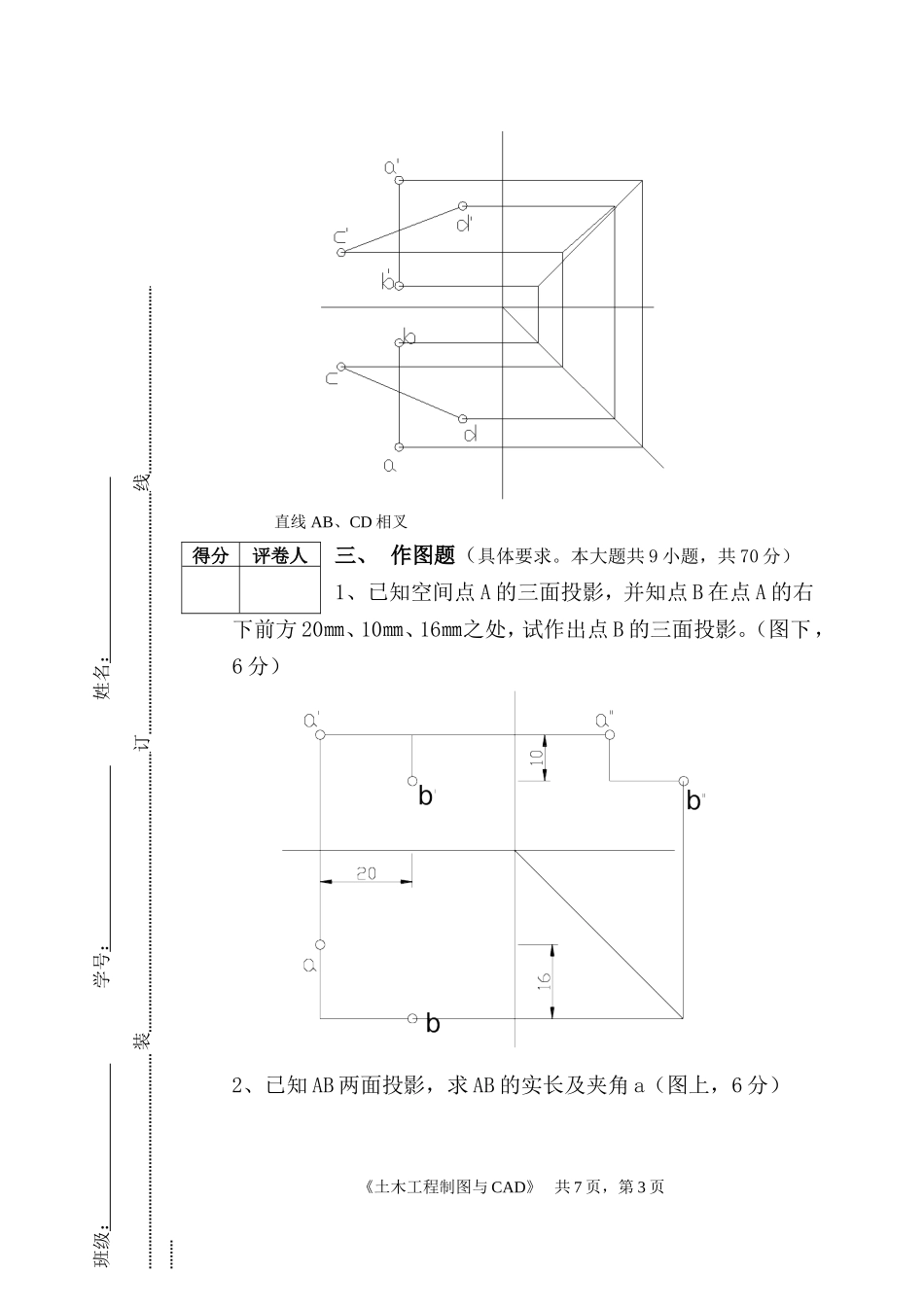
班级:学号:姓名:装订线北京科技大学远程与成人教育学院函授教育2013学年第2学期《土木工程制图与CAD》试题A答案题号一二三总分评分一、填空题(具体要求。本大题共5小题,每2分,共10分)1、点A的Y坐标反映了改点与(V)投影面的距离。2、在建筑施工图中,标高以(m)计。3、在建筑施工图中,定位轴线采用(单画线)线型绘制。4、图样上的尺寸应包括尺寸线、尺寸界线、(尺寸起止符号)和尺寸数字等四要素。5、投影面垂直线的投影特性:(1)在垂直的投影面上的投影,(积聚成一点)。(2)在另外两个投影上的投影,平行于投影轴,且反应真长。二、判断题(具体要求。本大题共5小题,每4分,共20分,前两题判断√或×,后两道题画出判断步骤)1、×2、√3、已知点A、B、C、D的三面投影,试判断各重影点的可见性(提示:在重影点代号上加括号表示)。(图下)《土木工程制图与CAD》共7页,第1页得分评卷人班级:学号:姓名:装订线班级:学号:姓名:装订线4、作图判别点M、N是否在直线AB上。(图下)M点不在AB线上、N点在AB线上5、判断直线AB和CD的相对位置(图上)。《土木工程制图与CAD》共7页,第2页班级:学号:姓名:装订线直线AB、CD相叉三、作图题(具体要求。本大题共9小题,共70分)1、已知空间点A的三面投影,并知点B在点A的右下前方20㎜、10㎜、16㎜之处,试作出点B的三面投影。(图下,6分)2、已知AB两面投影,求AB的实长及夹角a(图上,6分)《土木工程制图与CAD》共7页,第3页得分评卷人班级:学号:姓名:装订线3、已知五边形ABCDE,其中对角线AC为水平线,补全四边形ABCDE的正面投影与平面内△FGH的水平投影。(图下,8分)4、已知半圆柱面上线段AB、CD的一个投影,求作其余两投影。《土木工程制图与CAD》共7页,第4页班级:学号:姓名:装订线(图下,8分)5、求作五棱锥的W面投影及表面上各直线的另外两个投影。(图下,8分)6、求T形块截断后的H、W投影。(图下,8分)《土木工程制图与CAD》共7页,第5页班级:学号:姓名:装订线7、求带缺口的三棱柱的H、W面投影。(图下,8分)8、求三棱柱与三棱锥相贯线的H、W面投影。(图下,8分)《土木工程制图与CAD》共7页,第6页班级:学号:姓名:装订线9、根据轴测图,作组合体的三面投影图,并标注尺寸。(图下,10分)《土木工程制图与CAD》共7页,第7页

1、当您付费下载文档后,您只拥有了使用权限,并不意味着购买了版权,文档只能用于自身使用,不得用于其他商业用途(如 [转卖]进行直接盈利或[编辑后售卖]进行间接盈利)。
2、本站所有内容均由合作方或网友上传,本站不对文档的完整性、权威性及其观点立场正确性做任何保证或承诺!文档内容仅供研究参考,付费前请自行鉴别。
3、如文档内容存在违规,或者侵犯商业秘密、侵犯著作权等,请点击“违规举报”。

碎片内容

土木工程制图与CAD A卷答案

确认删除?
VIP
微信客服
  • 扫码咨询
会员Q群
  • 会员专属群点击这里加入QQ群
客服邮箱
回到顶部