电脑桌面
添加小米粒文库到电脑桌面
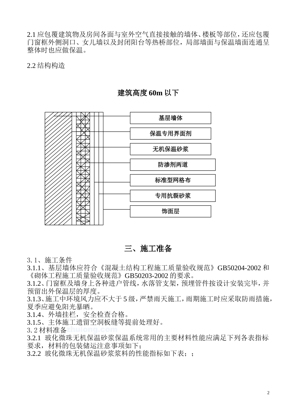
安装后可以在桌面快捷访问

中空玻化微珠无机保温砂浆施工工艺VIP免费

中空玻化微珠无机保温砂浆施工工艺_第1页
1/12
中空玻化微珠无机保温砂浆施工工艺_第2页
2/12
中空玻化微珠无机保温砂浆施工工艺_第3页
3/12
一、编制依据(修改)1.1、国家规程、规范序号名称编号1工程测量规范GB50026-932建筑装饰装修工程质量验收规范GB50210-20013建筑工程施工质量验收统一标准GB50300-20014建筑工程项目管理规范GB/T50326-20015住宅装饰装修工程施工规范GB50327-20016干压陶瓷砖GB/T4100.1~3-19991.2、行业规程、规范序号名称编号1施工现场临时用电安全技术规范JGJ46-20052建筑施工高处作业安全技术规范JGJ80-913建筑工程饰面砖粘接强度检验标准JGJ110-974外墙饰面砖工程施工及验收规程JGJ126-20005陶瓷墙地砖胶粘剂JC/T547-2005二、应用范围及构造12.1应包覆建筑物及房间各面与室外空气直接接触的墙体、楼板等部位,还应包覆门窗框外侧洞口、女儿墙以及封闭阳台等热桥部位,局部墙面与保温墙面连通呈整体时也应做保温。2.2结构构造建筑高度60m以下三、施工准备3.1、施工条件3.1.1、基层墙体应符合《混凝土结构工程施工质量验收规范》GB50204-2002和《砌体工程施工质量验收规范》GB50203-2002的要求。3.1.2、门窗框及墙身上各种进户管线,水落管支架,预埋管件按设计安装完毕,并预留出外保温层的厚度。3.1.3、施工中环境风力应不大于5级,严禁雨天施工,雨期施工时应采取防雨措施,夏季应避免阳光暴晒。3.1.4、外墙挂栏,安全检查合格。3.1.5、主体施工遗留空洞板缝等提前处理好。3.2材料准备3.2.1玻化微珠无机保温砂浆保温系统常用的主要材料性能应满足下列各表指标要求,材料的包装储运注意事项如下;3.2.2玻化微珠无机保温砂浆浆料的性能指标如下表;;基层墙体保温专用界面剂无机保温砂浆防渗剂两道标准型网格布专用抗裂砂浆饰面层2通风干燥条件下贮存,避免雨淋。3.2.3界面剂的性能指标如下;项目性能指标外观灰色均匀粉末压剪粘结强度kpa原强度≥0.70耐水≥0.50耐冻融≥0.50通风干燥条件下贮存,避免雨淋。3.2.4耐碱玻璃纤维网格布的性能指标如下;项目单位指标网孔中心距普通型mm4~6加强形5~10单位面积质量普通型g∕㎡≥160加强形≥300断裂强力(经纬向)普通型N∕50mm≥1000加强形≥1800耐碱强力保留率(经纬向普通型﹪≥80加强形断裂应力普通型﹪5加强形贮存应立放,不宜平堆,通风干燥条件下贮存3.2.5聚合物抗裂砂浆的性能指标如下:项目单位指标拉伸粘结强度与水泥砂浆标准状态28dMpa≥0.70耐水7dMpa≥0.50耐冻融25次Mpa≥0.50项目技术要求Ⅰ型Ⅱ型干密度(㎏/m3)240~300301~400抗压强度(MPa)≥0.20≥0.40导热系数(W/m·K)≤0.070≤0.085线收缩率﹪≤0.30≤0.30压剪粘结强度kpa≥50≥50燃烧性能级别A级A级3可操作时间h≥2吸水量(浸水24小时)g∕㎡≤1000渗透压力比﹪≥200柔韧性水泥基:28d≤3非水泥基:开裂应变﹪1.5通风干燥条件下贮存,避免雨淋’3.2.6四角钢丝网的主要性能指标如下:项目单位指标工艺—丝径mm0.90+0.04网孔大小mm12.7×12.7焊点抗拉力N>65镀锌层质量g/㎡≥122防晒、防潮、立码堆放。3.2.7塑料膨胀锚栓的性能指标如下:项目单位指标有效锚固深度mm≥25塑料圆盘直径mm≥50套管外径mm7~10单个锚栓抗拉力值(c25砼)KN≥0.8贮存环境:无腐蚀介质,空气流动,相对湿度不大于85%的仓库中。3.3、施工机具。外接电源设备,垂直运输机械,水平运输手推车,300L砂浆搅拌机,外墙脚手架,测量仪器,电锤及放线工具,水桶,滚刷,铁锹,手锤,剪刀,钳子,经纬仪,托线板,垂直尺,检测尺,直角检测尺,靠尺,塞尺,钢尺及常用抹灰工具,抹灰专用检测工具等。3.4、技术准备所有施工材料(玻化微珠原料、镀锌钢丝网、纤维网格布、塑料锚、界面剂、抗压强度)均已经完成了复试和复试报告的报审工作。施工方案对相关的技术人员和班组已经熟知和领会,技术员依据方案和技术规范的要求编制完技术及完全交底,已经履行了口头交底和书面交底的程序。本系统大面积施工前,应在现场采用相同材料、构造做法和工艺制作样板墙或样板间,熟悉工程图纸和资料,了解材料性能指标,掌握施工要点,明确施工工序。4四、玻化微珠无机保温砂浆施工工艺4.1、玻化微珠无机保温砂浆体系说明玻化微珠无机保温砂浆系统是一种新型保温隔热材料,采用轻质玻化微珠产品,替代传统的普通膨胀珍珠岩和...

1、当您付费下载文档后,您只拥有了使用权限,并不意味着购买了版权,文档只能用于自身使用,不得用于其他商业用途(如 [转卖]进行直接盈利或[编辑后售卖]进行间接盈利)。
2、本站所有内容均由合作方或网友上传,本站不对文档的完整性、权威性及其观点立场正确性做任何保证或承诺!文档内容仅供研究参考,付费前请自行鉴别。
3、如文档内容存在违规,或者侵犯商业秘密、侵犯著作权等,请点击“违规举报”。

碎片内容

中空玻化微珠无机保温砂浆施工工艺

确认删除?
VIP
微信客服
  • 扫码咨询
会员Q群
  • 会员专属群点击这里加入QQ群
客服邮箱
回到顶部