电脑桌面
添加小米粒文库到电脑桌面
安装后可以在桌面快捷访问

排水课程设计VIP免费

排水课程设计_第1页
1/13
排水课程设计_第2页
2/13
排水课程设计_第3页
3/13
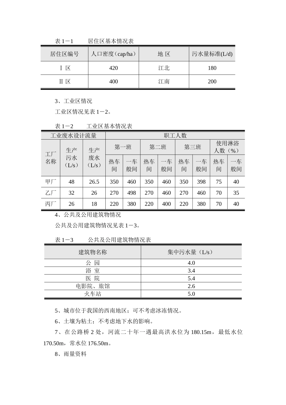
四川大学排水工程课程设计姓名:学号:班级:一、设计原始资料1、城市(包括工业区)总平面图一张,比例尺为1∶5000,等高线间距为1m。2、居住区情况居住区情况如表1所示。表1-1居住区基本情况表居住区编号人口密度(cap/ha)地区污水量标准(L/d)Ⅰ区420江北180Ⅱ区400江南2003、工业区情况工业区情况见表1-2。表1-2工业区基本情况表工业废水设计流量职工人数工厂名称生产污水(L/s)生产废水(L/s)第一班第二班第三班使用淋浴人数(%)热车间一车般间热车间一车般间热车间一车般间热车间一车般间甲厂4826.53504603504603503987540乙厂32262704982704602704607035丙厂261822038022040022038070404、公共及公用建筑物情况公共及公用建筑物情况见表1-3。表1-3公共及公用建筑物情况表建筑物名称集中污水量(L/s)公园4.0浴室3.4医院5.4电影院、旅馆2.6火车站5.05、城市位于我国的西南地区;可不考虑冰冻情况。6、土壤为粘土;不考虑地下水的影响。7、在公路桥2处,河流二十年一遇最高洪水位为180.15m,最低水位170.50m,常水位176.50m。8、雨量资料⑴暴雨强度公式⑵地面种类地面种类及所占比例见表1-4。表1-4地面种类及所占比例表屋面(%)混凝土路面(%)碎石路面(%)绿地(%)非铺砌土地面(%)3516121522二、排水管网设计方案比较1、分流制当生活污水、工业废水和雨水用两个或两个以上排水管去排除时,称为分流制排水系统。其中排除生活污水,工业废水的系统称为污水排水系统;排除雨水的系统称为雨水排水系统。根据排除雨水的方式不同,又分为完全分流制、不完全分流制和截流式分流制。完全分流制排水系统分设污水和雨水两个管渠系统,前者汇集生活污水、工业废水,送至处理厂,经处理后排放或加以利用。后者通过各种排水设施汇集城市内的雨水和部分工业废水(较洁净),就近排入水体。但初期雨水未经处理直接排放到水体,对水体污染严重。近年来,国内外对雨水径流的水质调查发现,雨水径流特别是初降雨水径流对水体的污染相当严重,因此提出对雨水径流也要严格控制的截流式分流制排水系统。截流式分流制既有污水排水系统,又有雨水排水系统,与完全分流制的不同之处是在于它具有把初期雨水引入污水管道的特殊设施,称雨水截流井。在小雨时,雨水经初期雨水截流干管与污水一起进入污水处理厂处理;大雨时,雨水跳跃截流干管经雨水出流干管排入水体。截流式分流制的关键是初期雨水截流井。要保证初期雨水进入截流管,中期以后的雨水直接排入水体,同时截流井中的污水不能溢出泄入水体。截流式分流制可以较好地保护水体不受污染,由于仅接纳污水和初期雨水,截流管的断面小于截流式合流制,进入截流管内的流量和水质相对稳定,亦减少污水泵站和污水处理厂的运行管理费用。不完全分流制只建污水排水系统,未建雨水排水系统,雨水沿着地面、道路边沟和明渠泄入水体。或者在原有渠道排水能力不足之处修建部分雨水管道,待城市进一步发展或有资金时再修建雨水排水系统。该排水体制投资省,主要用于有合适的地形、有比较健全的明渠水系的地方,以便顺利排泄雨水。目前还有很多城市在使用,不过它没有完整的雨水管道,在雨季容易造成径流污染和洪涝灾害,所以最终还得改造为完全分流制。对于常年少雨、气候干燥的城市可采用这种体制,而对于地势平坦,多雨易造成积水地区,不宜采用不完全分流制。分流制的优点是它可以分期建设和实施,一般在城市建设初期建造城市污水下水道,在城市建设达到一定规模后再建造雨水道,收集、处理和排放降水尤其是暴雨径流水。2、合流制合流制排水系统是将城市生活污水、工业废水和雨水径流汇集入在一个管渠内予以输送、处理和排放。按照其产生的次序及对污水处理的程度不同,合流制排水系统可分为直排式合流制、截流处理式合流制和全处理式合流制。城市污水与雨水径流不经任何处理直接排入附近水体的合流制称为直排式合流制排水系统。国内外老城区的合流制排水系统均属于此类。由于污水对环境造成的污染越来越严重,必须对污水进行适当的处理才能够减轻城市污水和雨水径流对水环境造成的污染,为此产生了截流式合流制。截流式合流制是在直排式合流制的基础...

1、当您付费下载文档后,您只拥有了使用权限,并不意味着购买了版权,文档只能用于自身使用,不得用于其他商业用途(如 [转卖]进行直接盈利或[编辑后售卖]进行间接盈利)。
2、本站所有内容均由合作方或网友上传,本站不对文档的完整性、权威性及其观点立场正确性做任何保证或承诺!文档内容仅供研究参考,付费前请自行鉴别。
3、如文档内容存在违规,或者侵犯商业秘密、侵犯著作权等,请点击“违规举报”。

碎片内容

排水课程设计

您可能关注的文档

确认删除?
VIP
微信客服
  • 扫码咨询
会员Q群
  • 会员专属群点击这里加入QQ群
客服邮箱
回到顶部