电脑桌面
添加小米粒文库到电脑桌面
安装后可以在桌面快捷访问

路基技术交底(三级)VIP免费

路基技术交底(三级)_第1页
1/18
路基技术交底(三级)_第2页
2/18
路基技术交底(三级)_第3页
3/18
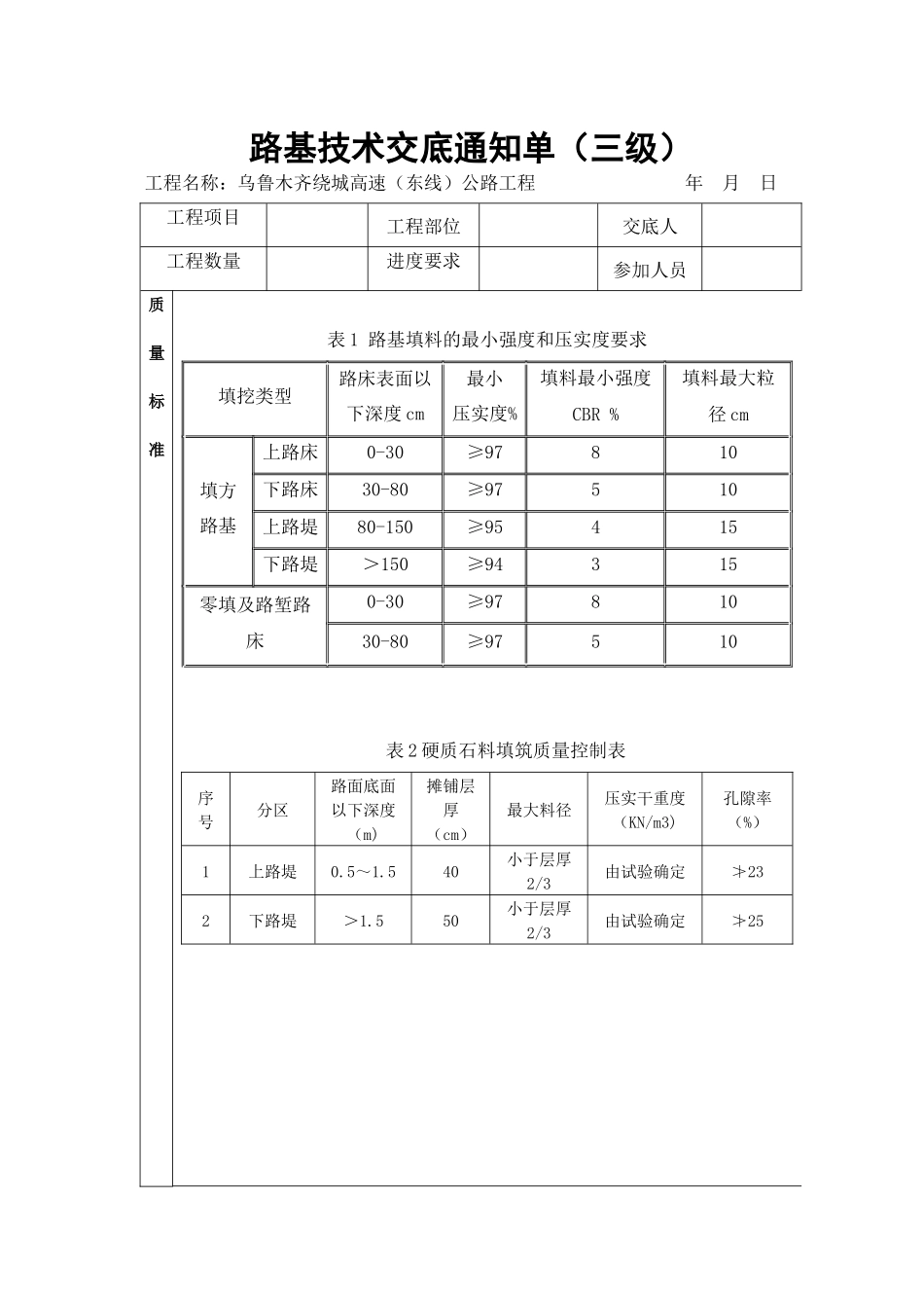
路基技术交底通知单(三级)工程名称:乌鲁木齐绕城高速(东线)公路工程年月日工程项目工程部位交底人工程数量进度要求参加人员质量标准表1路基填料的最小强度和压实度要求填挖类型路床表面以下深度cm最小压实度%填料最小强度CBR%填料最大粒径cm填方路基上路床0-30≥97810下路床30-80≥97510上路堤80-150≥95415下路堤>150≥94315零填及路堑路床0-30≥9781030-80≥97510表2硬质石料填筑质量控制表序号分区路面底面以下深度(m)摊铺层厚(cm)最大料径压实干重度(KN/m3)孔隙率(%)1上路堤0.5~1.540小于层厚2/3由试验确定≯232下路堤>1.550小于层厚2/3由试验确定≯25表3填石路堤施工质量标准项次检查项目规定值或允许偏差检查方法和频率高速公路、一级公路1压实度符合试验路确定的施工工艺施工记录沉降差≤试验路确定的沉降差水准仪:每40m检测1个断面,每个断面检测5~9点2纵面高程(mm)+10,-20水准仪:每200m测4个断面3弯沉不大于设计值——4中线偏位(mm)50经纬仪:每200m测4点,弯道加HY、YH两点5宽度不小于设计值米尺:每200m测4处6平整度(mm)203m直尺:每200m测4点×10尺7横坡(%)±0.3水准仪:每200m测4个断面8边坡坡度不陡于设计值每200m抽查4处平顺度符合设计要求表4低填浅挖路基处理划分表填挖高度0<W≤1000≤T≤7676<T≤155T>155处理措施挖路槽挖路槽挖路槽填方施工工序超挖路床下30cm→压实90%→回填30cm过渡层→压实95%→填路床→压实97%超挖路床下30cm→压实90%→回填30cm过渡层→压实95%→填路床→压实97%清表→超挖路床下30cm→压实90%→回填30cm过渡层→压实95%→填路床→压实97%清表→压实90%→填路堤→压实94/95%→填路床→压实97%回填材料超挖30cm:砂砾土路床:砾石土超挖30cm:砂砾土路床:砾石土超挖30cm:砂砾土路床:砾石土工程概况本段主线按照双向六车道高速公路标准设计,设计行车速度为100km/s,路基为整体式路基和分离式路基,整体式路基宽33.5m,分离式路基宽16.75m主要涉及施工内容为特殊路基及不良地质处理、挡土墙施工、低填浅挖路基处理、填挖交界处理、陡坡处理、桥涵台背过渡段、深挖路基处理、爆破及挖填方等。施工工序及操作要点一、路基标准横断面图1、填方段路基标标准横断面图填方路基高度小于8米时边坡坡率1:1.5;当填土高度大于8米时边坡采用台阶型,上部8米边坡坡率1:1.5,8米以下每10米分级坡率1:1.75,每级均设置2米宽平台,并设置2%的外倾横坡。公路用地范围为路堤为排水沟外缘以外2米。2、挖方段路基标标准横断面图土质挖方边坡高度≤10米时,坡率1:1~1:1.5到顶,高度>10米时,每8米设3米宽平台。全~中风化砂岩、泥岩、页岩边坡,坡率1:0.75~1:1.25,每8米设3米宽平台。中~弱风化砂岩、页岩边坡,坡率1:0.5~1:0.75,每10米设2米宽平台。公路用地范围路堑为截水沟外缘以外2米,无截水沟时为路堑坡顶以外2米。3、填石路基断面图填石路基适用于硬质、中硬基岩(饱和抗压强度大于15MPa),填料利用挖方弃渣,包边素土与路基超宽填筑同时施工。二、施工工艺流程三、施工准备施工准备工作主要包括技术准备、测量准备、试验准备、人力设备资源准备、施工便道修筑及临时排水设施修筑等。1、技术准备路基开工前,熟悉并审核图纸,熟悉各类路基断面形式,边坡坡率,复核路基顶设计高程、原地面高程,路基填挖高度等数据。熟悉施工现场环境,排查清施工区域内的地下管线(管道、电缆)、地下构筑物、危险建筑等的分布情况。2、测量工作准备对设计院所提供的点逐一与设计图纸核对、辨认、标识并加以保护。沿路线方向300~500米距离,埋设加密水准点2个,导线点1个。设置地点应通视良好且不易被扰动、破坏。导线点、水准点复测。根据接桩资料和设计文件进行控制复测。导线复测采用全站仪测边、量角,按一级导线的技术要求复测;水准点复测采用四等水准测量。复测完毕后提交正式导线点、水准点复测报告,报驻地监理工程师审批。原地表复测。根据设计图纸提供路基横断面进行相应横断面测量。横断面选点位置主要是地形变化处,纵断面在地形变化较大处适当加密。路基分层设计图按路面平行线法分层设计,测量清表碾压后的地面高程,...

1、当您付费下载文档后,您只拥有了使用权限,并不意味着购买了版权,文档只能用于自身使用,不得用于其他商业用途(如 [转卖]进行直接盈利或[编辑后售卖]进行间接盈利)。
2、本站所有内容均由合作方或网友上传,本站不对文档的完整性、权威性及其观点立场正确性做任何保证或承诺!文档内容仅供研究参考,付费前请自行鉴别。
3、如文档内容存在违规,或者侵犯商业秘密、侵犯著作权等,请点击“违规举报”。

碎片内容

路基技术交底(三级)

您可能关注的文档

海纳百川+ 关注
实名认证
内容提供者

热爱教学事业,对互联网知识分享很感兴趣

确认删除?
VIP
微信客服
  • 扫码咨询
会员Q群
  • 会员专属群点击这里加入QQ群
客服邮箱
回到顶部