电脑桌面
添加小米粒文库到电脑桌面
安装后可以在桌面快捷访问

第九章 剪力墙设计和构造VIP免费

第九章   剪力墙设计和构造_第1页
1/9
第九章   剪力墙设计和构造_第2页
2/9
第九章   剪力墙设计和构造_第3页
3/9
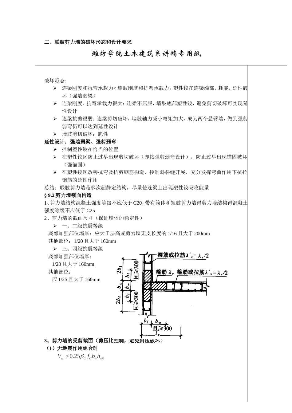
潍坊学院土木建筑系讲稿专用纸第九章剪力墙设计和构造剪力墙的破坏形态和设计要求剪力墙截面构造剪力墙设计连梁设计剪力墙钢筋配置§9.1剪力墙的破坏形态和设计要求一、悬臂剪力墙的破坏形态和设计要求特点:静定结构,出现一个塑性铰即成为机构控制截面:基底截面、变截面处破坏形态:弯曲、剪切、滑移延性设计:1、强剪弱弯设计(防止塑性铰区剪切破坏)2、塑性铰区配筋构造,控制斜裂缝的开展塑性铰区——底部——底部加强区(hw和H/8范围)3、轴压比控制二、联肢剪力墙的破坏形态和设计要求潍坊学院土木建筑系讲稿专用纸破坏形态:连梁刚度和抗弯承载力<墙肢刚度和抗弯承载力:塑性铰在连梁端部,耗能,延性破坏(强墙弱梁)连梁刚度、抗弯承载力很大:连梁不屈服,墙肢底部塑性铰,避免剪切破坏可实现延性设计连梁抗剪很弱:连梁剪切破坏,墙肢轴力减小弯矩加大,成为两个悬臂墙,做到强剪弱弯仍可以达到延性设计墙肢剪切破坏:脆性延性设计:强墙弱梁、强剪弱弯控制塑性铰在恰当的位置在塑性铰区防止过早出现剪切破坏(即按强剪弱弯设计),防止过早出现锚固破坏(强锚固)在塑性铰区改善抗弯及抗剪钢筋构造,控制斜裂缝开展,充分发挥弯曲作用下抗拉钢筋的延性作用总结:联肢剪力墙是多次超静定结构,尽量使连梁上出现塑性铰吸收能量§9.2剪力墙截面构造1、剪力墙结构混凝土强度等级不应低于C20,带有筒体和短肢剪力墙得剪力墙结构得混凝土强度等级不应低于C252、剪力墙的截面尺寸(保证墙体的稳定性)一、二级抗震等级底部加强部位墙厚:应大于层高或剪力墙无支长度的1/16且大于200mm其他部位:1/20且大于160mm三、四级抗震等级底部加强部位墙厚:1/20且大于160mm其他部位:应1/25且大于160mm3、剪力墙的受剪截面(剪压比控制,避免斜压破坏)(1)无地震作用组合时(2)有地震作用组合时剪跨比l大于2.5时潍坊学院土木建筑系讲稿专用纸剪跨比l不大于2.5时4、剪力墙轴压比限值一、二级抗震等级剪力墙底部加强部位,其重力荷载代表值作用下的墙肢的轴压比不宜超过表中限值剪力墙轴压比限值表轴压比一级(9度)一级(7、8度)二级0.40.50.6§9.3剪力墙设计一、设计计算内容与要求(1)设计对象(a)剪力墙正截面:N、M,压弯构件——竖向钢筋斜截面:V,受剪构件——水平钢筋(b)连梁:M、V,受弯、受剪——纵筋与箍筋(2)设计要求:满足强度、刚度、稳定性和延性延性设计原则:强墙弱梁,强剪弱弯,强锚固(3)设计措施(a)内力调整(b)截面尺寸(c)纵筋或竖向钢筋(d)箍筋或水平钢筋二、强剪调整底部加强区墙肢剪力设计值,一、二、三级抗震等级调整,四级抗震及无地震左右组合可不调整9度抗震设计尚应符合——剪力增大系数,一级为1.6,二级为1.4,三级为1.2三、竖向钢筋(按压弯构件)剪力墙与柱相似,为压弯构件,不同之处在于:剪力墙截面狭长,大偏心受压时,范围的竖向分布钢筋参加工作潍坊学院土木建筑系讲稿专用纸与柱子不同:墙肢截面的分布钢筋参与受力。竖向分布钢筋比较细,容易压曲中和轴处分布钢筋不能屈服计算假定:平截面假定——截面的应变沿截面高度保持直线分布不考虑混凝土的抗拉强度不考虑受压分布钢筋的作用受压区高度以外受拉分布钢筋达到屈服,参与工作剪力墙与柱相似,为压弯构件,不同之处在于:剪力墙截面狭长,大偏心受压时,范围的竖向分布钢筋参加工作设计方法:a、先按构造要求确定全截面的竖向分布钢筋b、按计算求端部配筋大偏压根据平衡条件:小偏压截面全部或大部分受压,分布钢筋不屈服,计算同柱相同根据平衡条件按构造查的最小值,验算最小配筋率考虑地震作用时,承载力计算右边乘以1/γRE大偏拉(1)按构造要求确定竖向分布钢筋为保证截面上有受压区,即x>0,应使(2)按计算求,方法同大偏压,只是N改为负号小偏拉(全截面受拉)高规要求不宜在双肢剪力墙中出现小偏拉说明:考虑地震作用时,承载力计算公式右边都要乘以承载力抗震调整系数四、水平分布钢筋(受剪)无地震作用组合:潍坊学院土木建筑系讲稿专用纸有地震作用组合:要求:剪跨比取1.5~2.2轴...

1、当您付费下载文档后,您只拥有了使用权限,并不意味着购买了版权,文档只能用于自身使用,不得用于其他商业用途(如 [转卖]进行直接盈利或[编辑后售卖]进行间接盈利)。
2、本站所有内容均由合作方或网友上传,本站不对文档的完整性、权威性及其观点立场正确性做任何保证或承诺!文档内容仅供研究参考,付费前请自行鉴别。
3、如文档内容存在违规,或者侵犯商业秘密、侵犯著作权等,请点击“违规举报”。

碎片内容

第九章 剪力墙设计和构造

确认删除?
VIP
微信客服
  • 扫码咨询
会员Q群
  • 会员专属群点击这里加入QQ群
客服邮箱
回到顶部