电脑桌面
添加小米粒文库到电脑桌面
安装后可以在桌面快捷访问

轨道工程监理实施细则VIP专享VIP免费

轨道工程监理实施细则_第1页
1/11
轨道工程监理实施细则_第2页
2/11
轨道工程监理实施细则_第3页
3/11
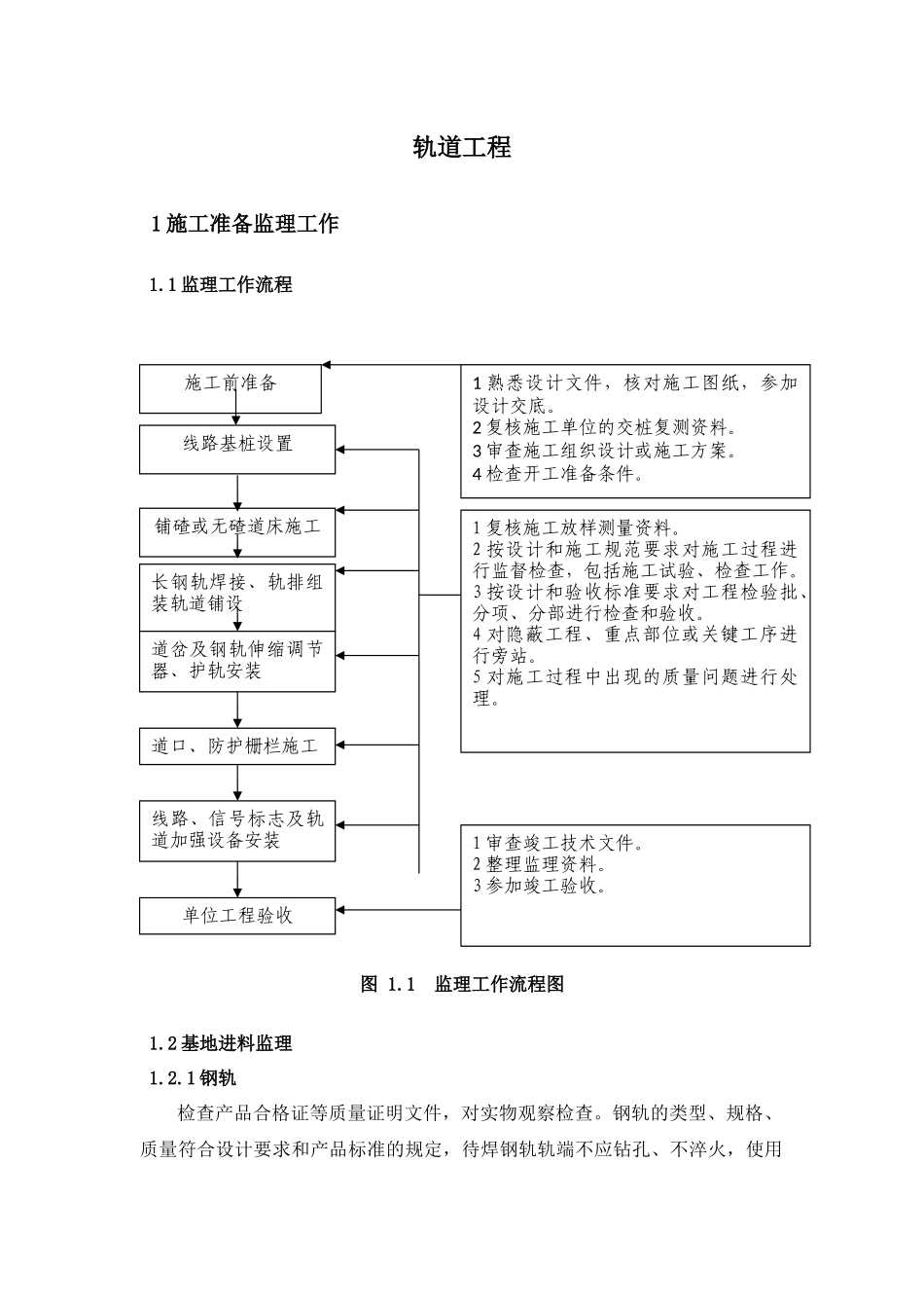
轨道工程1施工准备监理工作1.1监理工作流程图1.1监理工作流程图1.2基地进料监理1.2.1钢轨检查产品合格证等质量证明文件,对实物观察检查。钢轨的类型、规格、质量符合设计要求和产品标准的规定,待焊钢轨轨端不应钻孔、不淬火,使用施工前准备1熟悉设计文件,核对施工图纸,参加设计交底。2复核施工单位的交桩复测资料。3审查施工组织设计或施工方案。4检查开工准备条件。线路基桩设置铺碴或无碴道床施工长钢轨焊接、轨排组装轨道铺设1复核施工放样测量资料。2按设计和施工规范要求对施工过程进行监督检查,包括施工试验、检查工作。3按设计和验收标准要求对工程检验批、分项、分部进行检查和验收。4对隐蔽工程、重点部位或关键工序进行旁站。5对施工过程中出现的质量问题进行处理。道岔及钢轨伸缩调节器、护轨安装道口、防护栅栏施工线路、信号标志及轨道加强设备安装1审查竣工技术文件。2整理监理资料。3参加竣工验收。单位工程验收旧轨时,应符合现行《铁路线路维修规则》的有关要求。1.2.2轨枕1检查产品合格证等质量证明文件,对实物观察检查。轨枕类型、规格、质量符合设计和产品标准规定。使用旧轨枕时,应符合现行《铁路线路维修规则》的有关要求。2见证检验轨枕的结构强度(静载抗裂强度和疲劳强度)。3见证检验轨枕的型式尺寸(长度、高度、钉孔和两承轨槽距离)。1.2.3钢轨扣件及联结配件1见证检测扣件的扣压力和疲劳强度。2见证检验扣件的型式尺寸。3平行检验扣件及连接配件的规格、型号、铺设数量。1.2.4护轨及其扣件检查施工单位检测记录,对实物规格、型号、质量观察检查。1.2.5道岔及钢轨伸缩调节器检查产品合格证等质量证明文件,对实物观察检查。道岔、岔枕及伸缩调剂器的类型、规格和质量符合设计要求和产品标准规定,再用道岔应符合其相应技术条件的规定。1.2.6道口铺面板、轨距杆、轨撑、防护设施及标志1检查施工单位道口铺面板及其结构件材质检查记录。2查验轨距杆、轨撑产品合格证,对实物平行检验。3查验全部混凝土试验报告、钢筋检查记录和施工检验记录,对实物观察检查。1.3轨排组装1.3.1轨排组装施工前检查施工单位的配轨计算书。1.3.2检查硫磺砂浆配合比选定单。硫磺锚固施工前施工单位根据拟选用的原材料进行硫磺砂浆配合比设计,锚固用硫磺、砂、石蜡等原材料应进行试验。当其产地、规格发生变化时,重新进行配合比设计。1.3.3检查螺旋道钉锚固抗拔试验报告,见证抗拔力试验。抗拔力有一个以上不合格的,再加倍抽检,若还有不合格的,该批道钉锚固质量为不合格。1.3.4抽查螺旋道钉锚固位置、高度和垂直度。1.3.5抽查轨距、接头相错量和每千米轨枕铺设数量及规格、型号。1.3.6抽查扣件安装质量、螺旋道钉扭矩和螺旋道钉丝杆涂油。1.3.7检查轨排质量检验标识,同一工程项目的标识样式应统一。1.4基地钢轨焊接1.4.1见证钢轨焊接型式检验取样检测,查验检验报告。1.4.2旁站周期性生产检验。落锤检验合格后方可继续生产。若检验结果有1根及以上试件不合格时,按现行《钢轨焊接接头技术条件》规定的办法进行复验。1.4.3审查焊接施工工艺和质量保证措施。1.4.4检查焊接施工1焊接前严格挑选待焊钢轨并对钢轨端头进行处理,焊接施工严格按施工工艺进行。全长淬火轨焊头进行淬火处理。2检查施工单位钢轨焊缝外观质量检验记录并平行检验。3见证检测钢轨焊头平直度。钢轨焊接接头纵向打磨平顺,不得有低接头。1.4.5检查施工单位钢轨焊头探伤检查记录,平行检验。1.4.6检查焊头质量检验合格证,对实物观察检查。长钢轨出厂时焊接接头编号清楚,标记齐全,字迹清楚。2线路基桩2.1检查施工单位进行的线路贯通测量,检查基桩的设置位置及数量、中线和高程测量精度。2.2查验基桩所用材料的产品合格证,对实物观察检查。2.3检查基桩标志。基桩标志设置牢固,标示设置齐全,色泽鲜明、清晰完整。3铺轨前铺碴3.1检查道碴质量3.1.1检查施工单位提供的碴场建场检验、生产检验和出场检验报告。3.1.2检查进场道碴生产检验报告和产品合格证,对实物观察检查。3.1.3见证检测道碴材质。3.1.4检查道碴粒径级配、颗粒形状及清洁度试验报告,见证取样检测。3.2铺底碴3.2.1施工单位铺...

1、当您付费下载文档后,您只拥有了使用权限,并不意味着购买了版权,文档只能用于自身使用,不得用于其他商业用途(如 [转卖]进行直接盈利或[编辑后售卖]进行间接盈利)。
2、本站所有内容均由合作方或网友上传,本站不对文档的完整性、权威性及其观点立场正确性做任何保证或承诺!文档内容仅供研究参考,付费前请自行鉴别。
3、如文档内容存在违规,或者侵犯商业秘密、侵犯著作权等,请点击“违规举报”。

碎片内容

轨道工程监理实施细则

确认删除?
VIP
微信客服
  • 扫码咨询
会员Q群
  • 会员专属群点击这里加入QQ群
客服邮箱
回到顶部