电脑桌面
添加小米粒文库到电脑桌面
安装后可以在桌面快捷访问

路基挖方(分项工程施工组织设计)VIP免费

路基挖方(分项工程施工组织设计)_第1页
1/5
路基挖方(分项工程施工组织设计)_第2页
2/5
路基挖方(分项工程施工组织设计)_第3页
3/5
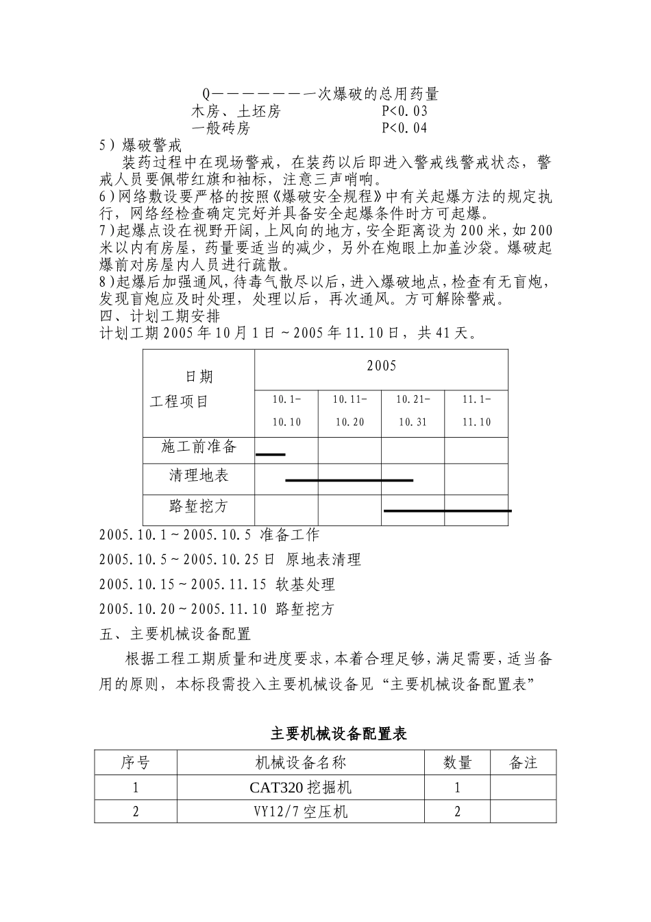
路基挖方分项工程施工组织设计一、路基工程概况本标段路基工程总长290米,路基工程:路基挖方41426立方米,填方188787立方米,借隧道渣149431立方米;软基处理面积12482m2;土工格栅39312平方米;路基防护浆砌圬工1927.51立方米路基排水浆砌圬工1438.92立方米。二、施工前的准备1.施工前对设计文件进行全面、认真地审查,详细地调查施工范围的地质、水文、管线等情况,与设计图纸进行核对,遇到不相符的向上提交解决方案。2.复核路基中线桩和横断面地形的原始地貌,计算其土石方量,一并将施工复测时的控制点、增设的水准点等等测量资料进行整理,提交监理工程师核查。3.依据设计断面尺寸和横断面的测量成果,进行详细的土石方数量计算和调配,根据指定的弃土场位置,选择最佳弃土方案。4.做好施工场地的防排水工作,确保路基范围内不受影响。根据现场情况修建临时排水设施,并与永久性排水设施相结合。6.拆除公路用地界的建筑物,砍伐或移植用地界内的树木,保证施工。7、向爆破作业影响范围所涉及的部门通报爆破实施情况,并征求相关部门的意见,详细调查地表建筑和洞口附近建筑类型、结构、完整程度及其距开挖面距离,测定与地质地形有关的爆破参数。三、施工的基本方法1.人工和半机械化施工,适应于工程量小而分散的零星工程2.爆破施工,用于路堑施工段。四、路堑开挖1.土石方开挖土石方开挖采用横挖法和纵挖法两种方法。1.1横挖法:1.1.1以路堑整个横断面的宽度和深度,从一端或两短向前开挖。横挖法适用于短而深的路堑。1.1.2采用挖掘机按横挖法挖路堑且弃土运距较远时,用挖掘机配合自卸汽车进行,每层台阶的高度可为3~4m。1.1.3若弃土或利用方填筑的距离超过推土机的经济运距时,用推土机推土,再用装载机配合自卸汽车运土。1.1.4机械开挖时,其边坡配以人工开挖至要求的坡度。1.2纵挖法:1.2.1沿路堑全宽以深度不大的纵向分层进行开挖。纵挖法适用于较长的路堑开挖。1.2.2当采用分层纵挖法挖掘的路堑长度较短(不超过100m)时,开挖深度不大于3m,地面坡度较陡时,优先采用推土机作业。1.2.3当采用分层纵挖法挖掘的路堑长度较长(超过100m)时,采用挖掘机配合自卸车作业。1.2.4路床开挖超过设计标高20cm,再填筑一层填料至设计标高,保证路床的平整度。2.爆破施工2.1施工工序测量定位→布孔→炮孔检查→装药(填写检查表及装药量,现场签认)→安装起爆管线→设立安全岗哨→炮孔堵塞→网络连接→检查网络连接→准备起爆→起爆→清理盲炮解除警戒测定爆破效果→对爆破效果进行分析,以便对下一步进行指导2.2钻孔、装药、堵塞和起爆a、钻孔作业钻眼前,钻工要熟悉炮眼布置图,清除作业面上的浮石、危石。严格按照钻爆设计实施。定人、定位,炮孔方向互相平行,严禁互相交错。钻孔完毕后,检查孔位、孔深、倾角是否符合设计要求,孔内有无堵塞物、孔壁是否有掉块以及孔内是否有积水、如发现孔位和孔深不符合设计要求时,及时处理,进行补孔和透孔。b、装药、堵塞严格按照设计装药、堵塞炮孔,装药过程发现堵塞时应停止装药及时处理,按照爆破施工要求,使用高压风管顺通,如果已经装入雷管等敏感爆破器材,可以按盲炮进行处理,在平行炮眼10倍孔径之外打一平行炮眼。堵塞要达到设计要求,对堵塞材料进行选取,一般采用黏土和沙子的混合物,严禁不堵塞进行爆破。c、爆破网络敷设与起爆网络敷设前应检查爆破器材的质量、数量、段别、并编号、分类,严格按设计网络敷设。2.3爆破注意事项1)装药作业要定人、定位、定段别;2)装药前所有炮眼必须用高压风吹净尘沫;3)严格按照设计的装药量和装药结构装药;4)空气冲击波超压及爆破作业人员的最小安全距离,爆破总用药量是确定空气超压和爆破作业人员最小安全距离的最重要依据,在实际爆破施工中,应根据现场的情况,对一次爆破总用药量及炮眼数目进行调节。作业人员的最小安全距离D=25Q1/3Q―――――一次爆破的总用药量空气冲击波超压P=14Q/R3+4.3Q2/3/R2+1.1Q1/3/RR-------------被保护对象距爆破点的安全距离Q――――――一次爆破的总用药量木房、土坯房P<0.03一般砖房P<0.045)爆破警戒装药过程中在现场警戒,在装药以后...

1、当您付费下载文档后,您只拥有了使用权限,并不意味着购买了版权,文档只能用于自身使用,不得用于其他商业用途(如 [转卖]进行直接盈利或[编辑后售卖]进行间接盈利)。
2、本站所有内容均由合作方或网友上传,本站不对文档的完整性、权威性及其观点立场正确性做任何保证或承诺!文档内容仅供研究参考,付费前请自行鉴别。
3、如文档内容存在违规,或者侵犯商业秘密、侵犯著作权等,请点击“违规举报”。

碎片内容

路基挖方(分项工程施工组织设计)

确认删除?
VIP
微信客服
  • 扫码咨询
会员Q群
  • 会员专属群点击这里加入QQ群
客服邮箱
回到顶部