电脑桌面
添加小米粒文库到电脑桌面
安装后可以在桌面快捷访问

第六节:检查井VIP免费

第六节:检查井_第1页
1/4
第六节:检查井_第2页
2/4
第六节:检查井_第3页
3/4
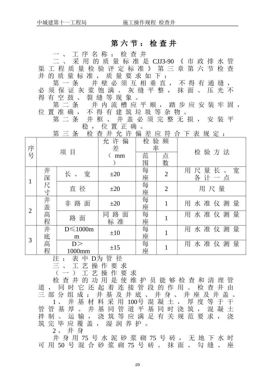
中城建第十一工程局施工操作规程检查井第六节:检查井一、工序名称:检查井二、采用的质量标准是CJJ3-90《市政排水管渠工程质量检验评定标准》第三章第六节检查井的质量标准,质量要求如下:第一条井壁必须互相垂直,不得有通缝,必须保证灰浆饱满、灰缝平整,抹面、压光不得有空鼓、裂缝等现象。第二条井内流槽应平顺,踏步应安装牢固,位置准确,不得有建筑垃圾等杂物。第二条井框、井盖必须完整无损,安装平稳,位置正确。第三条检查井允许偏差应符合下表规定:序号项目允许偏差(mm)检验频率检验方法范围点数1井深尺寸长、宽±20每座2用尺量长、宽各计一点直径±20每座2用尺量2井盖高程非路面±20每座1用水准仪测量路面同路面标准每座1用水准仪测量3井底高程D≤1000mm±10每座1用水准仪测量D>1000mm±15每座1用水准仪测量注:表中D为管径三、工艺操作要求(一)工艺操作要求检查井的功用是使维护员能够检查和清理管道,同时它还起着连接管段的作用。检查井由三部分组成:井基及井底、井身、井座及井盖。1、井基材料采用100号混凝土,厚度等于干管管基厚。井基同管道平基同时浇筑,混凝土拌制、运输,浇筑等应满足有关规范要求,浇筑完毕应覆盖,湿润养护。2、井身井身用75号水泥砂浆砌75号砖,无地下水时可用50号混合砂浆砌75号砖。抹面、勾缝、座--20中城建第十一工程局施工操作规程检查井浆均用1:2水泥砂浆。遇地下水时,井外壁抹面至地下水位以上50mm,厚20mm。污水检查井内壁抹面从井底至收口;雨水检查井内壁抹面从上管皮至管皮上200mm。井身砌筑时注意流槽和井墙一起砌筑,避免井墙和流槽出现通缝。污水流槽为满管;雨水流槽为半管,流槽为圆弧形,以便水流畅通。井墙砌筑时按标准进行发券和安设铁梯。检查井井室高度为1800mm,污水检查井井室高度为D+1800mm,井室以上为收口段,不同规格检查井收口段高度不等,井筒高度大于或等于225mm。3、井座及井盖按照井盖处路面高程和井盖,井座高度确定井身砌筑标高,然后在井身上座浆安置井座,保证井盖标高偏差不大于5mm。(二)工艺流程图(见下)1(1)(2)24(3)(4)(5)3(6)(7)(8)(9)(10)5(11)(12)6(13)(14)(二)工序管理点明细表序号管理点序号控制内容技术质量要求责任者检具检验频率备注--21砂石、水泥进场砼制备井底砼浇筑检查井砌筑井框、井盖安装砖、砂浆制备中城建第十一工程局施工操作规程检查井1⑴砂石含泥量不大于3%材料员试验设备每批400m3⑵水泥标号各龄期试验报告符合要求材料员试验设备每批不超过200t检一次2⑶配合比水泥偏差不大于2%砂偏差不大于3%班组长泵称全检每台班检砼和易性与坍落度不少于一次⑷搅拌时间120S班组长手表不定时抽检⑸运输时间不大于20min班组长手表全检3⑹倾落高度浇筑厚度不大于2m30cm班组长目测不定时抽检⑺振捣表面平整、无蜂窝麻面班组长目测抽检10%⑻井底高程D≤1000mm允许偏差值±10mmD>1000mm允许偏差值±15mm测量员水准仪每座井检一点4⑼砖原材料复试符合规范要求试验员试验设备50万块一批⑽砂浆配比同砼配比设计试验员试验设备每个配比一个5⑾井身尺寸允许偏差±20mm(非路面)路面同道路标准班组长尺每座井检两点⑿砌筑抹面勾缝灰浆饱满、无通缝、灰缝平整、抹面无空鼓裂缝班组长目测全检--22中城建第十一工程局施工操作规程检查井6⒀井盖高程允许偏差±20mm测量员水准仪每座井检一点⒁井框井盖安装完整无损、安装平稳、位置正确班组长目测全检四、满足施工要求所用的机械设备及状态使用的机械设备有:混凝土搅拌机、一吨翻、振捣器,应处于完好状态。五、使用的主要原材料及材质要求使用的的主要原材料有红砖、水泥325号、中砂(粒径不大于5mm、含泥量不大于3%)。六、操作人员的资格要求操作人员必须是四级以上下水道工人。七、检验方法由工程施工员自检合格后报项目部质检员检查,井身尺寸用尺量,每座井检查2点,允许偏差±20mm;井盖高程用水准仪测量,每座井1点,允许偏差5mm;井底高程用水准仪每座井检查1点,允许偏差D<1000mm为±10mm;D>1000mm为±15mm。八、对工序操作环境的要求准备工作充分,砌筑方便安全,外界无干扰。九、使用的记录技术交底记录、工序质量评定表、原材料出厂合格证。--23

1、当您付费下载文档后,您只拥有了使用权限,并不意味着购买了版权,文档只能用于自身使用,不得用于其他商业用途(如 [转卖]进行直接盈利或[编辑后售卖]进行间接盈利)。
2、本站所有内容均由合作方或网友上传,本站不对文档的完整性、权威性及其观点立场正确性做任何保证或承诺!文档内容仅供研究参考,付费前请自行鉴别。
3、如文档内容存在违规,或者侵犯商业秘密、侵犯著作权等,请点击“违规举报”。

碎片内容

第六节:检查井

墨香书阁+ 关注
实名认证
内容提供者

热爱教学事业,对互联网知识分享很感兴趣

确认删除?
VIP
微信客服
  • 扫码咨询
会员Q群
  • 会员专属群点击这里加入QQ群
客服邮箱
回到顶部