电脑桌面
添加小米粒文库到电脑桌面
安装后可以在桌面快捷访问

铁路路基设计规范(填料部分)VIP免费

铁路路基设计规范(填料部分)_第1页
1/4
铁路路基设计规范(填料部分)_第2页
2/4
铁路路基设计规范(填料部分)_第3页
3/4
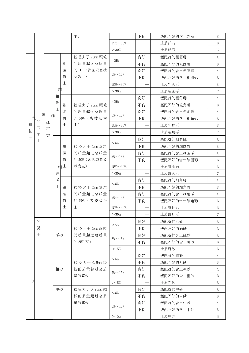
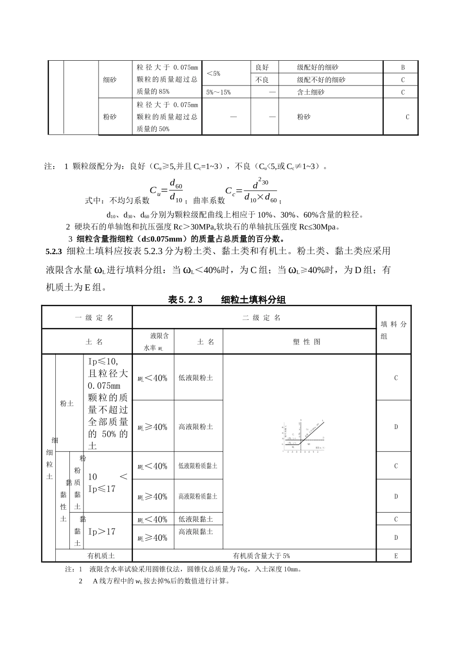
5填料5.1一般规定5.1.1路基填料应通过地质调绘和足够的勘探、试验工作,查明其性质和分布,并开展填料设计工作。5.1.2填料设计的内容应包括:填料的来源选择、分布、运距、土石特性、名称、分组、改良措施、施工工艺、无侧限抗压强度、压实标准及检测要求等,取料场的生态恢复。5.2普通填料5.2.1路基普通填料按颗粒粒径大小分为三大类别:巨粒土、粗粒土和细粒土。5.2.2巨粒土、粗粒土填料应根据颗粒组成、颗粒形状、细粒含量、颗粒级配、抗风化能力等,按表5.2.2分为A、B、C、D组。表5.2.2巨粒土、粗粒土填料分组一级定名二级定名填料分组类别名称说明细粒含量颗粒级配名称巨巨巨粒土J碎石碎石类土块块石类块块石土硬硬块石土粒径大于200mm颗粒的质量超过总质量的50%(不易风化,尖棱状为主)——硬块石A软软块石土粒径大于200mm颗粒的质量超过总质量的50%(易风化,尖棱状为主)——Rc>15MPa的不易风化软块石ARc≤15Mpa的不易风化的软块石B易风化的软块石C风化的软块石D漂石土粒径大于200mm颗粒的质量超过总质量的50%(浑圆或圆棱状为主)<5%良好级配好的漂石A不良级配不好的漂石B5%~15%良好级配好的含土漂石A不良级配不好的含土漂石B15%~30%—土质漂石B>30%—土质漂石C碎碎石类卵石土粒径大于60mm颗粒的质量超过总质量的50%(浑圆或圆棱状为主)<5%良好级配好的卵石A不良级配不好的卵石B5%~15%良好级配好的含土卵石A不良级配不好的含土卵石B15%~30%—土质卵石B>30%—土质卵石C碎石土粒径大于60mm颗粒的质量超过总质量的50%(尖棱状为<5%良好级配好的碎石A不良级配不好的碎石B5%~15%良好级配好的含土碎石A巨碎碎石类土主)不良级配不好的含土碎石B15%~30%—土质碎石B>30%—土质碎石C粗粗粒土粗砾砾石类粗粗砾土粗圆砾土粒径大于20mm颗粒的质量超过总质量的50%(浑圆或圆棱状为主)<5%良好级配好的粗圆砾A不良级配不好的粗圆砾B5%~15%良好级配好的含土粗圆砾A不良级配不好的含土粗圆砾B15%~30%—土质粗圆砾B>30%—土质粗圆砾C粗角砾土粒径大于20mm颗粒的质量超过总质量的50%(尖棱状为主)<5%良好级配好的粗角砾A不良级配不好的粗角砾B5%~15%良好级配好的含土粗角砾A不良级配不好的含土粗角砾B15%~30%—土质粗角砾B>30%—土质粗角砾C细细砾土细圆砾土粒径大于2mm颗粒的质量超过总质量的50%(浑圆或圆棱状为主)<5%良好级配好的细圆砾A不良级配不好的细圆砾B5%~15%良好级配好的含土细圆砾A不良级配不好的含土细圆砾B15%~30%—土质细圆砾B>30%—土质细圆砾C细角砾土粒径大于2mm颗粒的质量超过总质量的50%(尖棱状为主)<5%良好级配好的细角砾A不良级配不好的细角砾B5%~15%良好级配好的含土细角砾A不良级配不好的含土细角砾B15%~30%—土质细角砾B>30%—土质细角砾C砂类土砾砂粒径大于2mm颗粒的质量超过总质量的25%~50%<5%良好级配好的砾砂A不良级配不好的砾砂B5%~15%良好级配好的含土砾砂A不良级配不好的含土砾砂B>15%—土质砾砂B粗砂粒径大于0.5mm颗粒的质量超过总质量的50%<5%良好级配好的粗砂A不良级配不好的粗砂B5%~15%良好级配好的含土粗砂A不良级配不好的含土粗砂B>15%—土质粗砂B中砂粒径大于0.25mm颗粒的质量超过总质量的50%<5%良好级配好的中砂A不良级配不好的中砂B5%~15%良好级配好的含土中砂A不良级配不好的含土中砂B>15%—土质中砂B细砂粒径大于0.075mm颗粒的质量超过总质量的85%<5%良好级配好的细砂B不良级配不好的细砂C5%~15%—含土细砂C粉砂粒径大于0.075mm颗粒的质量超过总质量的50%——粉砂C注:1颗粒级配分为:良好(Cu≥5,并且Cc=1~3),不良(Cu<5,或Cc≠1~3)。式中:不均匀系数Cu=d60d10;曲率系数Cc=d230d10×d60;d10、d30、d60分别为颗粒级配曲线上相应于10%、30%、60%含量的粒径。2硬块石的单轴饱和抗压强度Rc>30MPa,软块石的单轴抗压强度Rc≤30Mpa。3细粒含量指细粒(d≤0.075mm)的质量占总质量的百分数。5.2.3细粒土填料应按表5.2.3分为粉土类、黏土类和有机土。粉土类、黏土类应采用液限含水量ωL进行填料分组:当ωL<40%时,为C组;当ωL≥40%时,为D组;有机质土为E组。表5.2.3细粒土填料分组一级定名二...

1、当您付费下载文档后,您只拥有了使用权限,并不意味着购买了版权,文档只能用于自身使用,不得用于其他商业用途(如 [转卖]进行直接盈利或[编辑后售卖]进行间接盈利)。
2、本站所有内容均由合作方或网友上传,本站不对文档的完整性、权威性及其观点立场正确性做任何保证或承诺!文档内容仅供研究参考,付费前请自行鉴别。
3、如文档内容存在违规,或者侵犯商业秘密、侵犯著作权等,请点击“违规举报”。

碎片内容

铁路路基设计规范(填料部分)

墨香书阁+ 关注
实名认证
内容提供者

热爱教学事业,对互联网知识分享很感兴趣

相关文档

确认删除?
VIP
微信客服
  • 扫码咨询
会员Q群
  • 会员专属群点击这里加入QQ群
客服邮箱
回到顶部