电脑桌面
添加小米粒文库到电脑桌面
安装后可以在桌面快捷访问

河流动力学实验报告模版VIP免费

河流动力学实验报告模版_第1页
1/15
河流动力学实验报告模版_第2页
2/15
河流动力学实验报告模版_第3页
3/15
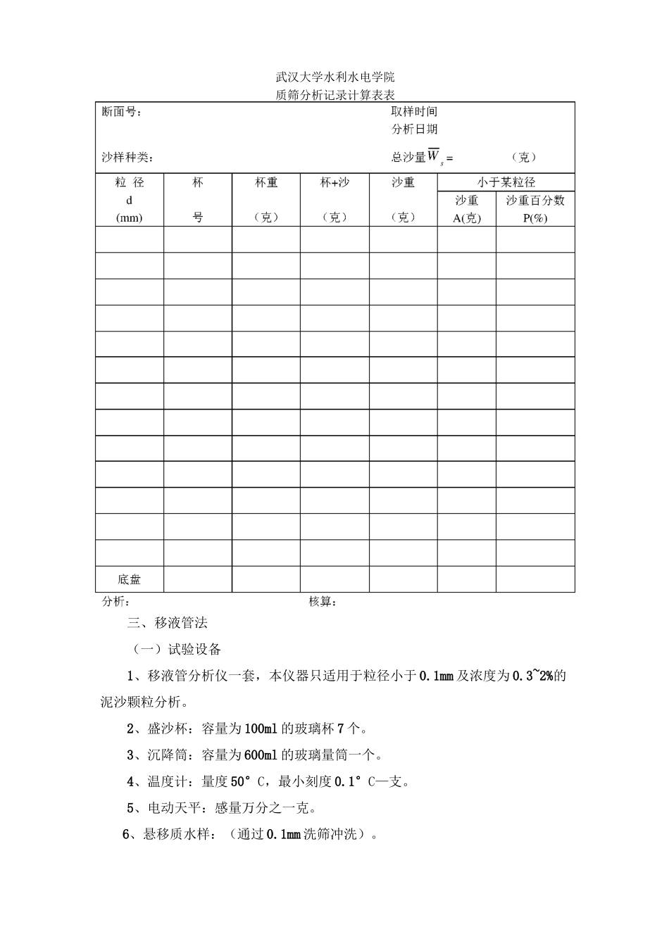
河流动力学实验(一)武汉大学水利水电学院二o—二年十月实验一泥沙颗粒分析试验一、实验目的及项目1、掌握实验室中运用筛分法及移液管体分析河床质、悬移质沙样的方法2、掌握绘制泥沙颗粒级配曲线的方法,求出泥沙样品的d,d,(p=50pj等特征值。二、筛分析法:适用于粒径大于0.1毫米(或:0.074、0.060毫米)的泥沙颗粒分析。(一)试验设备1、粗筛:园孔,孔径为200、100、60、40、20、10、5、2毫米。2、细筛:方孔,孔径为5.0、2.0、1.0、0.5、0.25、0.1、(或0.074、0.06)毫米。3、洗筛:孔径为0.1毫米。4、其他:振筛机、烘箱、天平、毛刷、盛沙杯等。(二)操作步骤1、检查沙样:用玻璃棒在沙样中搅拌,如玻璃棒没有粘附沙粒。则可以为已风干,否则应作风干处理,如沙样过多,则用四分法取出代表性沙样分析。2、将分取沙样,(大约100-300克左右)放在天平上称出总重量,准确至0.01克。3、根据沙样的最大粒径,准备好粗、细筛数只,并按孔径由大到小依次排列备用。4、将沙样倾入粗筛之最上一层,加盖后,放在振筛机上振筛15分钟。5、从最上一层开始,顺序将各级筛取下,在纸上用手扣打摇晃,直至无沙漏下为止,漏下之沙放在下一级筛内,卡在孔径中之沙。应计入本层筛之内。6、将留在各级筛上之沙,扫入编号杯内,分别称重。7、测记最大粒径:在最上一层筛内,找出最大一颗粒沙子,量其粒径为沙样最大粒径。三)实验记录武汉大学水利水电学院质筛分析记录计算表表三、移液管法(一)试验设备1、移液管分析仪一套,本仪器只适用于粒径小于0.1mm及浓度为0.3~2%的泥沙颗粒分析。2、盛沙杯:容量为100ml的玻璃杯7个。3、沉降筒:容量为600ml的玻璃量筒一个。4、温度计:量度50°C,最小刻度0.1°C—支。5、电动天平:感量万分之一克。6、悬移质水样:(通过0.1mm洗筛冲洗)。7、搅拌器:轮径5cm,孔径为3mm。8、其他:烘箱、干燥器、氨水、秒表等。(二)操作步骤1、在沉降筒内加入反凝剂(如浓度为25%的氨水2cm3),或其他反凝剂后,再注入分析用水使液面恰到600ml刻度处。2、准备好分析所用移液管,秒表、分析记录表等,用温度计测读悬液温度,由沉降操作时间表上查出沉降时间填入表内,为此确定各粒径的取样时间。3、用搅拌器将量筒内整个悬液上下搅拌约1分钟。往复各30次,使悬液均匀分布(注意搅拌时勿使悬液溅出筒外)。4、取出搅拌器,即将吸管垂直自量筒中央插入至20cm深处,立即吸取水样至吸管中容积恰好为20ml时为止,取出移液管将水样注入盛沙杯中,将杯号记入总浓度栏内。5、再将搅拌器同上(3)步骤进行。当取出搅拌器离开水面时,即开动秒表记时,在粒径为0.1mm,0.05mm0.005mm沉降时间到达时,即按预先选定的沉距深度吸出水样,分别注入玻璃杯内,记下杯号,每次水样吸收均自新的水面算起。6、取样结束,检查一次杯号是否记错,即将玻璃杯放入烘箱烘干称重。(三)实验记录表2移液管法颗粒分析记录计算表水温°C沉降粒径吸收杯杯沙重杯重沙重小于某粒时间d深度径沙重百(分、秒)(mm)(cm)号(克)(克)(克)分数(%)总浓度200.10200.05200.025200.010150.007150.00510A'+ss2Wx10x10百分C二一S2W四、试验成果计算(一)颗粒级配计算A筛分析法计算第一种情况,含沙粒径小于0.1毫米的颗粒占总沙重不足10%时,按下列有关公式计算:(1)粗筛分析后,2毫米筛下沙样没有分沙情况者:AP二xlOOWS(2)粗筛分析后,2毫米筛下沙样有分沙情况者:小于2毫米各粒径级的计算公式为:AP二x100xCW,S2大于2毫米各粒径级的计算公式为A'+WSWS以上三式中:P——小于某粒径沙重百分数(%);A——小于某粒径沙重(克);A'――大于2毫米,小于某粒径沙重(克)S——2毫米筛下的沙重(克);S2——2毫米筛下的沙重(克)畀——参加细筛分析的总沙重(克)由于分沙,WS2的一部分。(二)第二种情况:含沙粒径小于0.1毫米的颗粒,占总沙重超过10%时按下式计算:式中A'――大于洗筛孔径小于某粒径沙重(克)s2——洗筛下的沙重(克)Ws——总沙重(克)。B移液管法计算:移液管分析成果计算公式为:AP二——x100WsWA二—AVVA上两式中P――小于某粒径沙重百分数(%);A——小于某粒径沙重(克)—s―...

1、当您付费下载文档后,您只拥有了使用权限,并不意味着购买了版权,文档只能用于自身使用,不得用于其他商业用途(如 [转卖]进行直接盈利或[编辑后售卖]进行间接盈利)。
2、本站所有内容均由合作方或网友上传,本站不对文档的完整性、权威性及其观点立场正确性做任何保证或承诺!文档内容仅供研究参考,付费前请自行鉴别。
3、如文档内容存在违规,或者侵犯商业秘密、侵犯著作权等,请点击“违规举报”。

碎片内容

河流动力学实验报告模版

wxg+ 关注
实名认证
内容提供者

该用户很懒,什么也没介绍

确认删除?
VIP
微信客服
  • 扫码咨询
会员Q群
  • 会员专属群点击这里加入QQ群
客服邮箱
回到顶部