电脑桌面
添加小米粒文库到电脑桌面
安装后可以在桌面快捷访问

铁路货物运输延伸服务项目收费标准VIP免费

铁路货物运输延伸服务项目收费标准_第1页
1/4
铁路货物运输延伸服务项目收费标准_第2页
2/4
铁路货物运输延伸服务项目收费标准_第3页
3/4
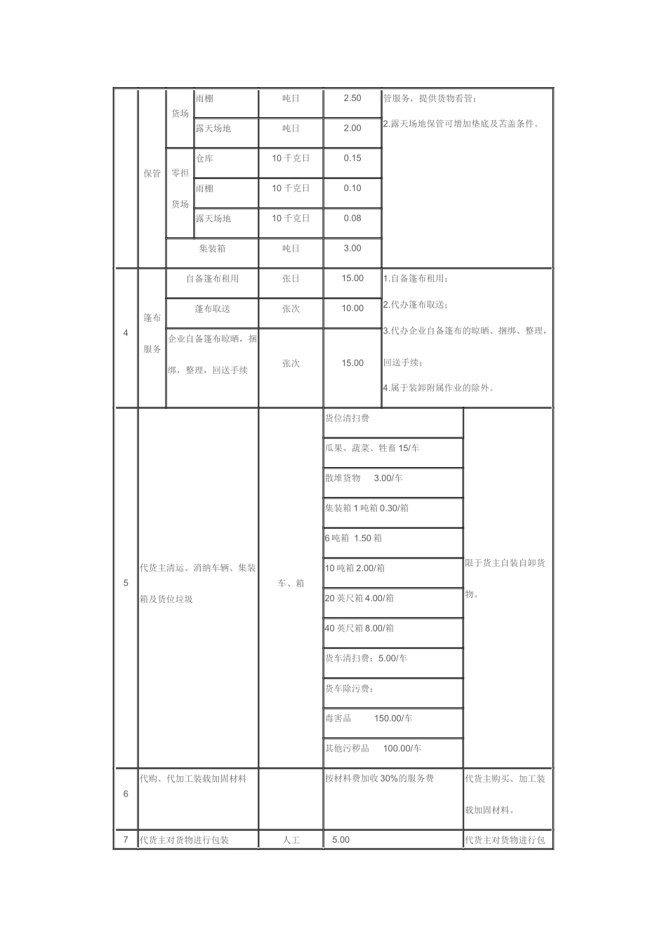
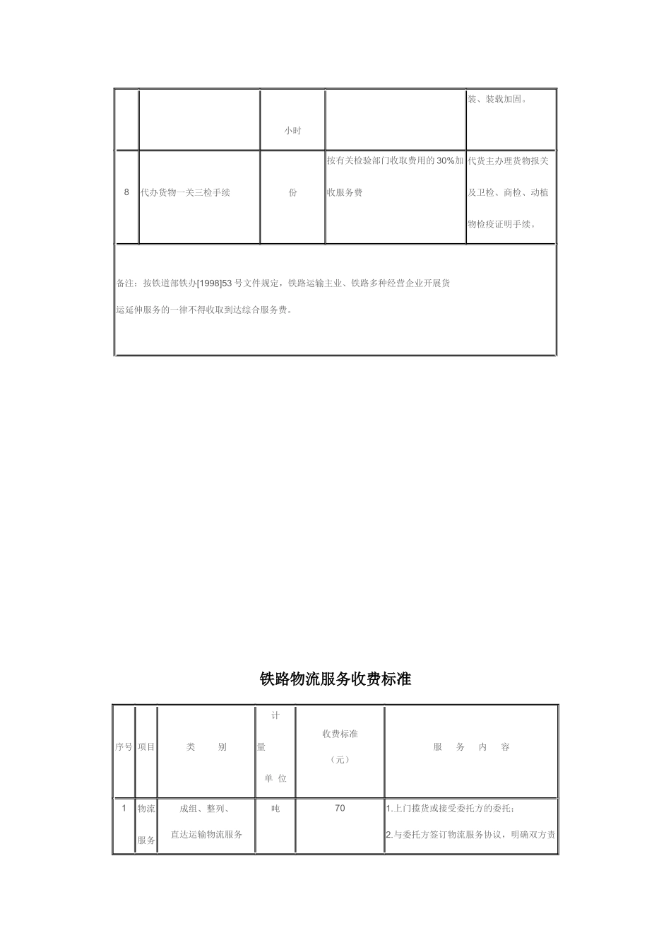
甘肃省铁路货物运输延伸服务项目收费标准单位:元序号服务项目计费单位收费标准服务内容及说明1发送综合服务整车成件货物吨4.001.电话受理,上门服务;2.为货主提供最佳运输方案咨询服务;3.按货主要求组织进货,安排货位;4.检查货物包装,清点货物数量,提供改善货物包装的技术咨询服务;指导装车;5.整车货物代填运单,零担和集装箱货物代填写和拴挂货签;6.代预算,预收和结算运杂费用;7.安排短途运输(运费、装卸费另计)。散堆货物吨2.00特种货物吨6.00零担普通货物10千克0.04特种货物10千克0.06集装箱1吨箱箱次4.005、6吨箱箱次24.0010吨箱箱次40.0020英尺箱箱次80.0040英尺箱箱次160.002到达综合服务整车成件货物吨2.001.特约到货通知方式;2.为货主办理货物领取手续,检查货物,清点数量,复核运杂费、指导卸车;3.为货主提供货损货差索赔咨询服务;4.安排短途运输(运费、装卸费另计)。散堆货物吨1.00特种货物吨3.00零担普通货物10千克0.02特种货物10千克0.03集装箱1吨箱箱次2.005、6吨箱箱次12.0010吨箱箱次20.0020英尺箱箱次40.0040英尺箱箱次80.003仓储整车仓库吨日3.001.为货主提供承运前交付后的货物仓储和保保管货场管服务,提供货物看管;2.露天场地保管可增加垫底及苫盖条件。雨棚吨日2.50露天场地吨日2.00零担货场仓库10千克日0.15雨棚10千克日0.10露天场地10千克日0.08集装箱吨日3.004篷布服务自备篷布租用张日15.001.自备篷布租用;2.代办篷布取送;3.代办企业自备篷布的晾晒、捆绑、整理,回送手续;4.属于装卸附属作业的除外。蓬布取送张次10.00企业自备篷布晾晒,捆绑,整理,回送手续张次15.005代货主清运、消纳车辆、集装箱及货位垃圾车、箱货位清扫费限于货主自装自卸货物。瓜果、蔬菜、牲畜15/车散堆货物3.00/车集装箱1吨箱0.30/箱6吨箱1.50箱10吨箱2.00/箱20英尺箱4.00/箱40英尺箱8.00/箱货车清扫费:5.00/车货车除污费:毒害品150.00/车其他污秽品100.00/车6代购、代加工装载加固材料按材料费加收30%的服务费代货主购买、加工装载加固材料。7代货主对货物进行包装人工5.00代货主对货物进行包小时装、装载加固。8代办货物一关三检手续份按有关检验部门收取费用的30%加收服务费代货主办理货物报关及卫检、商检、动植物检疫证明手续。备注:按铁道部铁办[1998]53号文件规定,铁路运输主业、铁路多种经营企业开展货运延伸服务的一律不得收取到达综合服务费。铁路物流服务收费标准序号项目类别计量单位收费标准(元)服务内容1物流服务成组、整列、直达运输物流服务吨701.上门揽货或接受委托方的委托;2.与委托方签订物流服务协议,明确双方责费任和义务、报酬及违约责任;3.为委托方提供最佳运输方案的咨询服务;4.负责入库装卸、搬运,清点及仓储保管;5.代委托方或以代理方名义申报运输计划,与运输业办理相关运输事宜;6.按委托方要求的日期办理相关运输事宜,提报请求车,负责协调落实装车计划;7.装车时对货物包装进行整理(包括破包换装)加固,以符合运输业的要求;8.清点货物数量,做好入库准备;9.负责自仓库至装车点运输或搬运、装卸及整车加固,使之符合运输业的要求;10.按物流服务协议的约定,发生货差货损时,协助向运输业或保险公司办理理赔事宜。11.按委托方要求与运输业结算有关费用。非成组、整列、直达运输物流服务吨50多式联运、全程运输代理物流服务实行市场调节价。委托方与受托方协议定价。2仓储服务费堆场吨.天2.50雨棚(站台)吨.天3.00库房㎡.月25.003过磅费吨3.004装卸费普通货物装、卸吨15.00重件货物(200千克/件以上)装、卸吨18.005装载加固费(含材料费及服务费)按材料费的50%收取服务费。备注:1.物流服务内容以委托方与受托方签订的协议为准;物流服务协议应明确双方责任、义务及违约责任。2.上述规定收费标准均为最高标准,可下浮执行。3.兰州铁路局(含原兰州铁路分局、武威铁路分局)、甘肃西部物流有限责任公司目前执行的甘价费[2003]287号、甘价费[2004]171号文件予以废止。收费标准按上述规定执行。4.上述规定试行期一年,到期根据实际执行情况修订。

1、当您付费下载文档后,您只拥有了使用权限,并不意味着购买了版权,文档只能用于自身使用,不得用于其他商业用途(如 [转卖]进行直接盈利或[编辑后售卖]进行间接盈利)。
2、本站所有内容均由合作方或网友上传,本站不对文档的完整性、权威性及其观点立场正确性做任何保证或承诺!文档内容仅供研究参考,付费前请自行鉴别。
3、如文档内容存在违规,或者侵犯商业秘密、侵犯著作权等,请点击“违规举报”。

碎片内容

铁路货物运输延伸服务项目收费标准

确认删除?
VIP
微信客服
  • 扫码咨询
会员Q群
  • 会员专属群点击这里加入QQ群
客服邮箱
回到顶部