电脑桌面
添加小米粒文库到电脑桌面
安装后可以在桌面快捷访问

消防控制室工作制度与消防流程VIP免费

消防控制室工作制度与消防流程_第1页
1/6
消防控制室工作制度与消防流程_第2页
2/6
消防控制室工作制度与消防流程_第3页
3/6
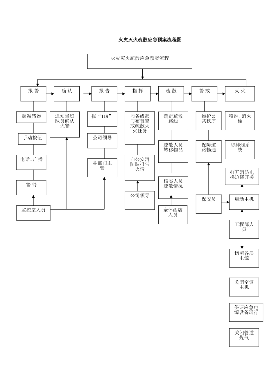
火灾灭火疏散应急预案流程图火灾灭火疏散应急预案流程报警确认报告指挥疏散警戒灭火烟温感器手动按钮电话、广播警铃通知当班队员确认火警报“119”公司领导各部门主管向各级部门布置警戒疏散灭火任务向公安消防队报告火情确定疏散路线疏散人员转移物品核实人员疏散情况保障道路畅通喷淋、消火栓防排烟系统打开消防电梯迫降开关启动主机公司领导监控室人员全体酒店人员保安员工程部人员切断各层电源关闭空调主机保证应急电源设备运行关闭管道煤气维护公共秩序消防控制中心工作流程图24小时值班制,监控和消防报警系统不断运行,全方位监视酒店的安全状况当班人员要密切监视屏幕和火灾自动报警系统的报警信息发现可疑情况,要及时采取跟踪监视,并通知楼层工作人员,加以注意或询问盘查,同时向保安部报告。同时做好记录。若火灾自动报警装置报警,应立即通知巡逻人员,迅速赶赴现场查明情况,如若误报,应消音复位。如发生火情,立即按火灾应急预案实施操作。做好日常监控系统和消防自动报警系统的维护和定期测试检查工作,若出现异常,应立即上报并检修做好记录。做好监控室的整洁保密工作,妥善处理录像资料和各项工作记录;未经部门经理批准不得入内。做好当班记录和交接班工作。消防各部门应急分工流程图灭火指挥部是否通知所有部门负责人是否组织抢险救火是否需要组织全面疏散是否需报119求救是否组织全面救护消防中心市场营销部保安部客房部前厅部工程部财务部人力资源部救援疏散广播、操作消防主机通知办公区人员疏散维护通道交通引导、警戒、初期火灾扑救通知客房楼层宾客疏散负责1楼以下的引导疏散任务保障设备运行协助各部门疏散转移及保管重要物品及文件伤员救护及集中人员安置集中清点人员、物资,做好火灾善后布置,及时恢复生产秩序,配合火灾调查,跟进整改措施安全组织委员会架构图消防控制室值班制度主任:陆志华总经理副主任:陈凤榕副总经理副主任:陈晨总经办主任副主任:史玉贤保安部经理成员:路娜前厅部经理成员:张立友工程部总监成员:贾济晶管家部经理成员:孔丹市场营销部总监成员:汪阳财务部经理成员:蔡朝辉餐饮部总监一、消防控制室实行24小时专人值班制度,值班人数应不少于2人,并明确一名负责。消防控制室值班人员应经消防部门培训合格后持证上岗。二、值班人员应认真履行《消防控制室值班人员职责》按时上岗,不得脱岗、睡岗。三、值班人员按时交接班,做好值班记录以及消防巡查、发现问题处理、事故处理等情况的交接手续。无交接手续,值班人员不得擅自离岗。四、发现消防设施运行故障问题时,应及时采取措施并报告主管负责人。五、、非工作所需,不得使用消防中心内线电话,非消防控制中心值班人员禁止进入值班室。六、发现火灾时,迅速按灭火和应急疏散预案紧急处理,并拨打119火警电话通知公安消防部门,同时报告部门主管。七、值班人员应做好交接班工作,认真核对《消防控制室值班记录》及《建筑消防设施故障处理记录》,准确填写《消防控制室交接班记录》,字迹清晰,保存完好。八、值班人员在值班期间未履行职责造成后果的将追究其责任。消防控制室值班人员职责一、熟悉和掌握控制室内消防设施的工作原理及操作规程,熟练操作各种消防设备。二、密切监视消防设备的运行情况,每日检查火灾报警控制器各项功能,认真填写《消防控制室值班记录》。三、及时发现和处理设备故障,并向设备维护保养部门及上级领导报告,认真填写《建筑消防设施故障处理记录》。四、遇火警按《消防控制室火警处理程序》处置,并在《消防控制室值班记录》上做好火警记录。五、协助工程设备部门和其他消防设施管理人员做好消防设施维护、保养和测试工作,保证设施处于完好状态。六、做好消防控制室清洁卫生,管理保存好室内物品,保持室内整洁。七、做好消防控制室保密工作,认真整理消防档案资料。消防控制室火警处理程序一、消防控制室值班人员接到火警信号后,立即确认火警信号发生的具体楼层和平明位置。迅速通知现场相关负责人员。二、现场相关负责人员携带通讯工具,迅速到达报警点进行确认,及时将情况反馈给消防控制室,并利用现场灭火器进行抢救。三、确...

1、当您付费下载文档后,您只拥有了使用权限,并不意味着购买了版权,文档只能用于自身使用,不得用于其他商业用途(如 [转卖]进行直接盈利或[编辑后售卖]进行间接盈利)。
2、本站所有内容均由合作方或网友上传,本站不对文档的完整性、权威性及其观点立场正确性做任何保证或承诺!文档内容仅供研究参考,付费前请自行鉴别。
3、如文档内容存在违规,或者侵犯商业秘密、侵犯著作权等,请点击“违规举报”。

碎片内容

消防控制室工作制度与消防流程

您可能关注的文档

确认删除?
VIP
微信客服
  • 扫码咨询
会员Q群
  • 会员专属群点击这里加入QQ群
客服邮箱
回到顶部