电脑桌面
添加小米粒文库到电脑桌面
安装后可以在桌面快捷访问

钢结构吊装应急救援预案VIP专享VIP免费

钢结构吊装应急救援预案_第1页
1/9
钢结构吊装应急救援预案_第2页
2/9
钢结构吊装应急救援预案_第3页
3/9
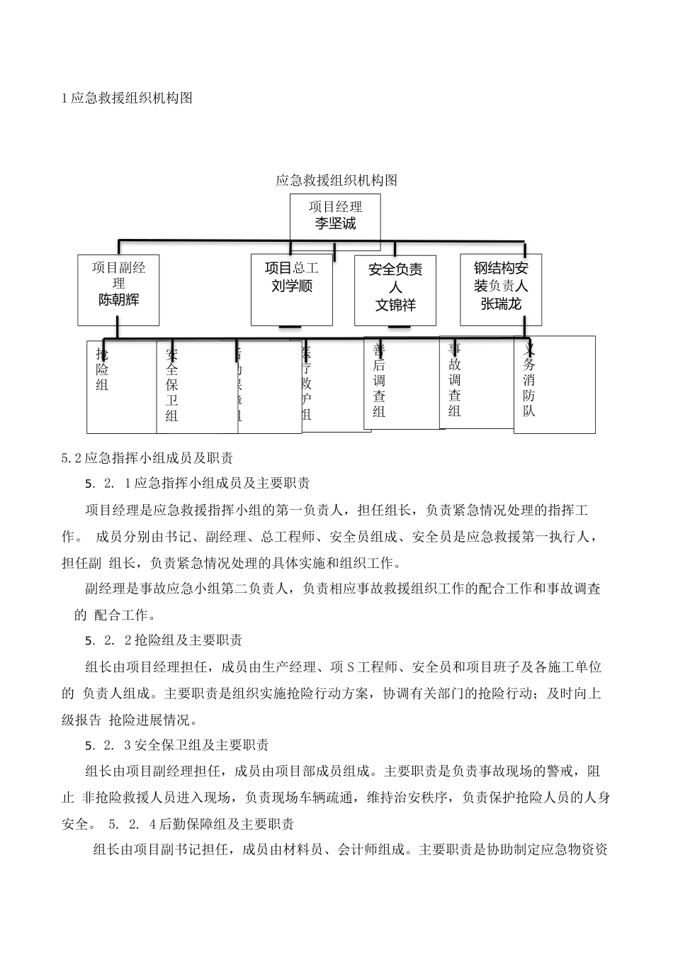
钢结构吊装应急救援预案一、编制目的为全面贯彻“安全第一、预防为主、综合治理”的方针,保障人民群众的生命和财产安全;迅速有效的控制和预防施工现场的生产安全事故,完善应急工作机制;最大限度地减少人员伤亡、财产损失和环境污染。按照“预防为主、积极救援、统一指挥,分工负责,协调一致”的原则,制定本预案。二、适用范围适用于佛山市三水区百得金属制品有限公司车间施工现场。三、基本情况3.1项目概况本工程位于佛山市三水区云东海街道南丰大道邓岗路口向前200米,盛路电子设备厂旁边。本工程为佛山市三水区百得金属制品有限公司车间②工程,车间2为1层钢结构,楼层高度7.9米、框架柱为混凝土结构。檩条采用Q235B冷弯内卷边C型槽钢。3.2安全生产事故类别根据本工程的钢结构吊装项目特点,钢结构安装施工过程中易发生起重、髙空坠落、物体打击、触电等伤害事故。四、附近应急救援资源情况:佛山市三水区人民医院,距离施工现场4公里左右。急救电话:120五、组织机构及职责1应急救援组织机构图应急救援组织机构图5.2应急指挥小组成员及职责5.2.1应急指挥小组成员及主要职责项目经理是应急救援指挥小组的第一负责人,担任组长,负责紧急情况处理的指挥工作。成员分别由书记、副经理、总工程师、安全员组成、安全员是应急救援第一执行人,担任副组长,负责紧急情况处理的具体实施和组织工作。副经理是事故应急小组第二负责人,负责相应事故救援组织工作的配合工作和事故调査的配合工作。5.2.2抢险组及主要职责组长由项目经理担任,成员由生产经理、项S工程师、安全员和项目班子及各施工单位的负责人组成。主要职责是组织实施抢险行动方案,协调有关部门的抢险行动;及时向上级报告抢险进展情况。5.2.3安全保卫组及主要职责组长由项目副经理担任,成员由项目部成员组成。主要职责是负责事故现场的警戒,阻止非抢险救援人员进入现场,负责现场车辆疏通,维持治安秩序,负责保护抢险人员的人身安全。5.2.4后勤保障组及主要职责组长由项目副书记担任,成员由材料员、会计师组成。主要职责是协助制定应急物资资项目经理李坚诚项目副经理陈朝辉项目总工刘学顺安全负责人文锦祥抢险组钢结构安装负责人张瑞龙医疗救护组善后调查组后勤保障组安全保卫组事故调查组义务消防队源的储备计划,按已定制的计划,检査落实应急物资的储备;负责调集、管理、发放抢险器材、设备,负责解决全体参加抢险救援工作人员的食宿问题。5.2.5医疗救护组及主要职责组长生产副经理担任,成员由项目部及施工单位经过救护训练的人员组成。主要职责是负责现场伤员的救护等工作。5.2.6善后处理组及主要职责组长由项目经理担任,成员由项目部领导班子组成。主要职责是负责做好对遇难者家属的安抚工作,协调落实遇难者家属抚恤金和受伤人员住院费问题,做好其他善后事宜。5.2.7事故调査组及主要职责组长由项目经理、公司责任部门领导担任,成员有项目安环部长,公司相关部门及有关技术专家组成。主要职责是保护事故现场和收集现场的有关实物资料,査明事故原因,确定事件的性质,提出应对措施,按“四不放过”原则对相关人员进行处罚、教育、总结。5.2.8义务消防队项目部及各施工单位经过培训的人员组成。5.3应急联络通讯方式急救电话:120火警电话:119治安报警:110交通事故电话:122六、起重伤害应急预案6.1危险源监控6.1.1制定起重机械安全管理制度,监督检査落实情况。6.1.2起重设备的购置和安装符合国家和行业规定,随时检査和定期检査相结合,掌握起重设备安全管理情况,对不符合要求的及时整改。6.1.3对操作人员进行专业培训。6.2预防措施6.2.1起重作业人员须经有资格的培训单位培训并考试合格,才能持证上岗。6.2.2.起重作业人员在操作前应检査起重机械的安全装置如起重量限制器、行程限制器、过卷扬限制器、电气防护性接零装置、端部止挡、缓冲器、联锁装置、夹轨钳、信号装置等是否齐全可靠,否则不准进行操作。6.2.3平时应严格检验和修理起重机机件,如钢丝绳、链条、吊钩、吊环和滚筒等,发现报废的应立即更换。6.2.4建立健全维护保养、定期检验、交接班制度和安全操作规程。6.2.5起重机的悬臂能...

1、当您付费下载文档后,您只拥有了使用权限,并不意味着购买了版权,文档只能用于自身使用,不得用于其他商业用途(如 [转卖]进行直接盈利或[编辑后售卖]进行间接盈利)。
2、本站所有内容均由合作方或网友上传,本站不对文档的完整性、权威性及其观点立场正确性做任何保证或承诺!文档内容仅供研究参考,付费前请自行鉴别。
3、如文档内容存在违规,或者侵犯商业秘密、侵犯著作权等,请点击“违规举报”。

碎片内容

钢结构吊装应急救援预案

确认删除?
VIP
微信客服
  • 扫码咨询
会员Q群
  • 会员专属群点击这里加入QQ群
客服邮箱
回到顶部