电脑桌面
添加小米粒文库到电脑桌面
安装后可以在桌面快捷访问

建筑工程分部分项工程划分2001VIP免费

建筑工程分部分项工程划分2001_第1页
1/4
建筑工程分部分项工程划分2001_第2页
2/4
建筑工程分部分项工程划分2001_第3页
3/4
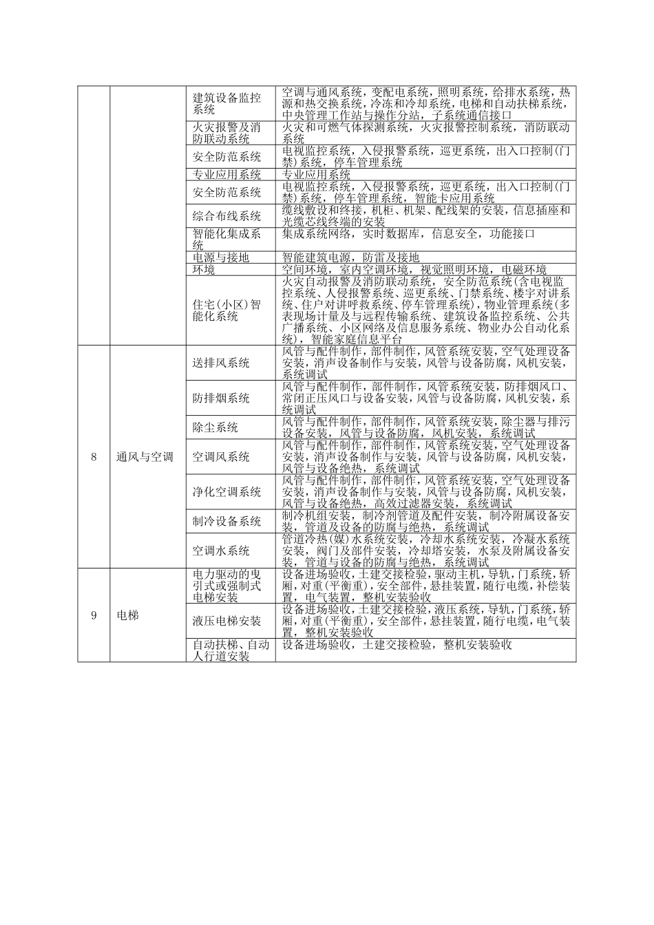
附录B建筑工程分部(子分部)工程、分项工程划分GB50300-2001B.0.1建筑工程的分部(子分部)工程、分项工程可按表B.0.1划分。表B.0.1建筑工程分部工程、分项工程划分序号分部工程子分部工程分项工程1地基与基础土方工程土方开挖,土方回填有支护土方排桩、降水、排水、地下连续墙、锚杆、土钉墙、水泥土桩、沉井与沉箱,钢及混凝土支撑地基处理灰土地基、碎砖三合土地基,土工合成材料地基,粉煤灰地基,重捶夯实地基,强夯地基,振冲地基,砂桩地基,预压地基,预压地基,高压喷射注浆地基,土和灰土挤密桩地基,注浆地基,水泥粉煤灰碎石桩地基,夯实水泥土桩地基桩基锚杆静压桩及静力压桩,预应力离心管理桩,钢筋混凝土预制桩,钢桩,混凝土灌注桩(成孔、钢筋笼、清孔、水下混凝土灌注)地下防水防水混凝土,水泥砂浆防水层,卷材防水层,涂料防水层,金属板防水层,塑料板防水层,细部构造,喷锚支护,复合式衬砌,地下连续墙,盾构法隧道;渗排水、盲沟排水,隧道、坑道排水;预注浆、后注浆,衬砌裂缝注浆混凝土基础模板、钢筋、混凝土,后浇带混凝土,混凝土结构缝处理砌体基础砖彻体,混凝土砌块砌体,配筋砌体,石彻体劲钢(管)混凝土劲钢(管)焊接,劲钢(管)与钢筋的连接,混凝土钢桔构焊接钢结构、栓接钢结构,钢结构制作,钢结构安装,钢结构涂装2主体结构混凝土结构模板,钢筋,混凝土,预应力、现浇结构,装配式结构劲钢(管)混凝土劲钢(管)焊接,螺栓连接,劲钢(管)与钢筋的连接,劲钢(管)制作、安装,混凝土砌体结构砖砌体,混凝土小型空心砌块砌体,石砌体,填充墙砌体,配筋砖砌体钢结构钢结构焊接,紧固件连接,钢零部件加工,单层钢结构安装,多层及高层钢结构安装,钢结构涂装,钢构件组装,钢构件预拼装,钢网架结构安装,压型金属板木结构方木和原木结构,胶合木结构,轻型木结构,木构件防护网架和索膜结构网架制作,网架安装,索膜安装,网架防火,防腐涂料3建筑装饰装修地面整体面层:基层,水泥混凝土面层,水泥砂浆面成,水磨石面层,防油渗面底,水泥钢(铁)屑面层,不发火(防爆的)面层;板块面层:基层,砖面层(陶瓷锦砖、缸砖、陶瓷地砖和水泥花砖面层),大理石面层和花岗岩面层,预制板块面层(预制水泥混凝土、水磨石板块面层),料石面层(条石、块石面层),塑料板面层、活动地板面层,地毯面层;木竹面层:基层、实木地板面层(条材、块材面层)、实木复合地板面层(条材、块材面层),中密度(强化)复合地板面层(条材面层),竹地板面层抹灰一般抹灰,装饰抹灰,清水砌体勾缝门窗木门窗制作与安装,金属门窗安装,塑料门窗安装,特种门安装,门窗玻璃安装吊顶暗龙骨吊顶,明龙骨吊顶轻质隔墙板材隔墙,骨架隔墙,活动隔墙,玻璃隔墙饰面板(砖)饰面板安装,饰面砖粘贴幕墙玻璃幕墙,金属幕墙,石材幕墙涂饰水性涂料涂饰,溶剂型涂料涂饰,美术涂饰裱糊与软包裱糊、软包细部橱柜制作与安装,窗帘盒、窗台板和暖气罩制作与安装,门窗套制作与安装,护栏和扶手制作与安装,花饰制作与安装4建筑屋面卷材防水屋面保温层,找平层,卷材防水层,细部构造涂膜防水吊面保温层,找平层,涂膜防水层,细部构造刚性防水屋面细石混凝土防水层,密封材料嵌缝,细部构造瓦屋面平瓦屋面,油毡瓦屋面,金属板屋面,细部构造隔热屋面架空屋面,蓄水屋面,种植屋面5建筑给水、排水及采暖室内给水系统给水管道及配件安装,给水设备安装,室内消火栓系统安装,消防喷淋系统安装,管道防腐,绝热室内排水系统排水管道及配件安装,雨水管道及配件安装室内热水供应系统管道及配件安装,辅助设备安装,防腐,绝热卫生器具安装卫生器具安装,卫生器具给水配件安装,卫生器具排水管道安装室内采暖系统管道及配件安装,辅助设备及散热器安装,金属辐射板安装,低温热水地板辐射采暖系统安装,系统水压试验及调试,防腐,绝热室外给水管网给水管道安装,消防水泵接合器及室外消火栓安装,管沟及井室室外排水管网排水管道安装,排水管沟与井池室外供热管网管道及配件安装,系统水压试验及调试、防腐,绝热建筑中水系统及游泳池系统建筑中水系统管道及辅助设备安装,游泳池水系统安...

1、当您付费下载文档后,您只拥有了使用权限,并不意味着购买了版权,文档只能用于自身使用,不得用于其他商业用途(如 [转卖]进行直接盈利或[编辑后售卖]进行间接盈利)。
2、本站所有内容均由合作方或网友上传,本站不对文档的完整性、权威性及其观点立场正确性做任何保证或承诺!文档内容仅供研究参考,付费前请自行鉴别。
3、如文档内容存在违规,或者侵犯商业秘密、侵犯著作权等,请点击“违规举报”。

碎片内容

建筑工程分部分项工程划分2001

您可能关注的文档

确认删除?
VIP
微信客服
  • 扫码咨询
会员Q群
  • 会员专属群点击这里加入QQ群
客服邮箱
回到顶部