电脑桌面
添加小米粒文库到电脑桌面
安装后可以在桌面快捷访问

传统的绩效考评方法VIP免费

传统的绩效考评方法_第1页
1/16
传统的绩效考评方法_第2页
2/16
传统的绩效考评方法_第3页
3/16
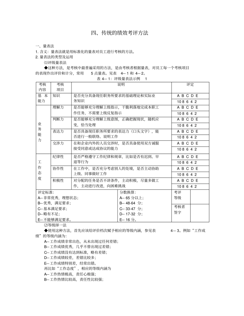
四、传统的绩效考评方法一、量表法1.含义:量表法就是用标准化的量表对员工进行考核的方法。2.量表法的类型及运用⑴评级量表法◆这种方法,是考核中最普遍采用的方法,是由考核者根据量表,对员工每一个考核项目的表现作出评价和计分,常用5点量表。见表4—1和4—2。表4—1:评级量表法示例1考核内容考核项目说明评定基本能力知识是否充分具备现任职务所要求的基础理论和实际业务知识ABCDE108642业务能力理解力是否能够充分理解上级指示,干脆利落地完成本职工作任务,不需要上级反复指示ABCDE108642判断力是否能够充分理解上级意图,正确把握现状,随机应变,恰当处理ABCDE108642表达力是否具备现任职务所要求的表达力(口头文字),能否进行一般联络、说明工作ABCDE108642交涉力在和企业内外的人员交涉时,是否具备使用双方诚服接受同意或达成协议的能力ABCDE108642工作态度纪律性是否严格遵守工作纪律和规章,比如是否有迟到、早退等行为ABCDE108642协作性在工作中,是否充分考虑别人的处境,是否主动协助上级、同事做好工作ABCDE108642积极性对分配的任务是否不讲条件,主动积极,尽量多做工作,主动进行改进,向困难挑战ABCDE108642评定标准:A—非常优秀,理想状态;B—优秀,满足要求;C—基本满足要求;D—略有不足;E—不能够满足要求。分数换算:A—65分以上;B—48-64分;C—33-47分;D—17-32分;E—16分。考评等级考核者签字⑵等级择一法◆使用这种方法,首先应该给评价档次赋予相应的等级内涵,参见表4—3。例如“工作成绩”的等级内涵为:A—工作成绩非常出色,从未出现过任何差错;B—工作成绩优秀,几乎不曾出现过差错;C—工作成绩没有达到标准,略有差错;D—工作成绩较差,差错比较多;E—工作成绩特别差,经常出错。再比如“工作态度”,相应的等级内涵为A—工作热情极高,责任心极强;B—工作热情比较高,责任性比较强;C—责任心还可以,但很难说认真负责;D—有时表现出不负责任;E—缺乏工作热情,凡事不负责任。表4—2:评级量表法示例2考核项目第一次考核第二次考核第三次考核事实依据知识技能3024一八126ABCDE3024一八126ABCDE3024一八126ABCDE理解力3024一八126ABCDE3024一八126ABCDE3024一八126ABCDE判断力3024一八126ABCDE3024一八126ABCDE3024一八126ABCDE表达力3024一八126ABCDE3024一八126ABCDE3024一八126ABCDE纪律性3024一八126ABCDE3024一八126ABCDE3024一八126ABCDE协作性3024一八126ABCDE3024一八126ABCDE3024一八126ABCDE积极性3024一八126ABCDE3024一八126ABCDE3024一八126ABCDE各次考核得分评语档次划分评语A(极优):200分以上;B(优):一八0—199分;C(良):126—179分;D(中):84—125分;E(差):42—83分;最终得分(一次+二次+三次)/3最终档次ABCDE表4—3:等级择一法示例(请在相应的栏目中打“√”)考核内容ABCDE108642工作成绩工作态度⋯⋯评语最终得分最终档次⑶普罗夫斯特法◆这种方法由美国人.普罗夫斯特创立,其实质便是管理学界的一种普遍说法,即“考核者只需要掌握被考核者的事实即可”。具体步骤操作如下:第一步,制作“对照评价表”(见表4—4),根据被考核者的工作事实进行逐项核定。第二步,在相应的空格中打“√”。假如某项与被考核者的情况不符,就空过去,这并不会影响考核的结果。第三步,对照“计分表”(见表4—5)计算分值。第四步,根据“换算表”(见表4—6)换算评价等级。评价等级共分10等,即A,,B,,C,,D,,E,。评价等级的决定如下:例如核定“+”项目数为3,“+”分值为4分,“-”分值为10分,“+”“-”相抵总分为-6分,根据表4—6的等级坐标,可以找到“-10—(-5)”对应的评价等级为E,E就是被考核者的考评等级。表4—4:普罗夫斯特对照评价表示例记号栏工作事实描述记号栏工作事实描述1次考核2次考核3次考核1次考核2次考核3次考核□□□怠惰□□□虽然正确却过分慎重□□□动作迟钝□□□对于自己的工作十分熟练□□□敏捷而主动□□□大概可以依赖大概不可以依赖选一项一般说来值得依赖□□□年纪大而负荷不了工作□□□□□□身材有缺陷而影响工作□□□□□□漠不关心,...

1、当您付费下载文档后,您只拥有了使用权限,并不意味着购买了版权,文档只能用于自身使用,不得用于其他商业用途(如 [转卖]进行直接盈利或[编辑后售卖]进行间接盈利)。
2、本站所有内容均由合作方或网友上传,本站不对文档的完整性、权威性及其观点立场正确性做任何保证或承诺!文档内容仅供研究参考,付费前请自行鉴别。
3、如文档内容存在违规,或者侵犯商业秘密、侵犯著作权等,请点击“违规举报”。

碎片内容

传统的绩效考评方法

您可能关注的文档

确认删除?
VIP
微信客服
  • 扫码咨询
会员Q群
  • 会员专属群点击这里加入QQ群
客服邮箱
回到顶部