电脑桌面
添加小米粒文库到电脑桌面
安装后可以在桌面快捷访问

供应商考察表VIP免费

供应商考察表_第1页
1/9
供应商考察表_第2页
2/9
供应商考察表_第3页
3/9
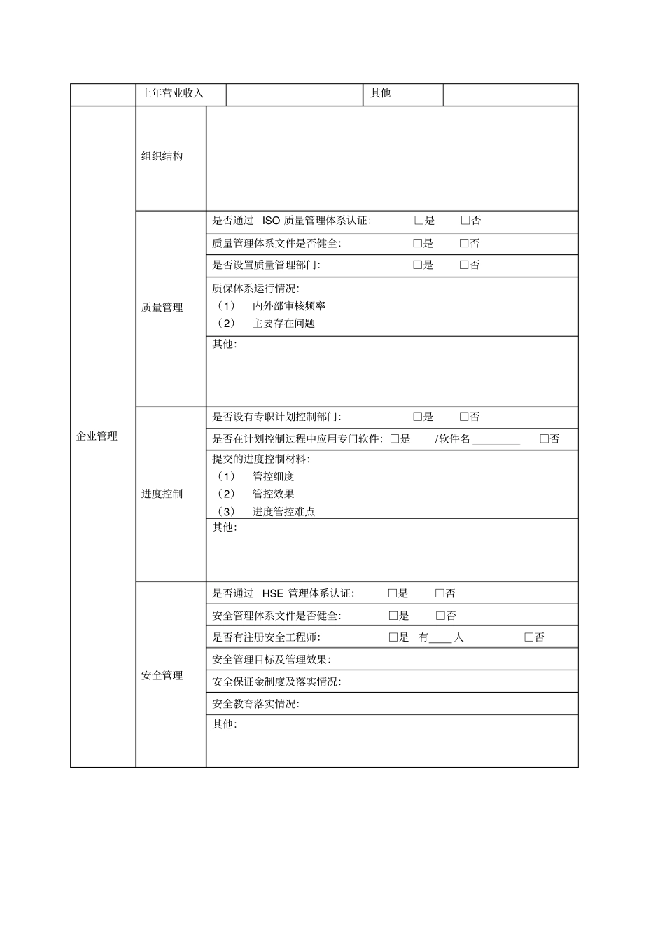
供应商考察表考察计划项目介绍考察目的考察时间考察地点考察人员部门职务姓名考察方式被考察单位情况单位名称单位隶属单位地址单位性质法人代表联系电话联系人联系电话传真邮件企业资质主项增项人力资源状况员工总数管理人员专业技术人员高级职称:人中级职称:人一般工人:人其他人员配备情况设备资源机具配置办公设施管理软件其他财务状况注册资金银行资信上年资产总额负债所有者权益货币资金流动比率资产负债率上年营业收入其他企业管理组织结构质量管理是否通过ISO质量管理体系认证:□是□否质量管理体系文件是否健全:□是□否是否设置质量管理部门:□是□否质保体系运行情况:(1)内外部审核频率(2)主要存在问题其他:进度控制是否设有专职计划控制部门:□是□否是否在计划控制过程中应用专门软件:□是/软件名□否提交的进度控制材料:(1)管控细度(2)管控效果(3)进度管控难点其他:安全管理是否通过HSE管理体系认证:□是□否安全管理体系文件是否健全:□是□否是否有注册安全工程师:□是有人□否安全管理目标及管理效果:安全保证金制度及落实情况:安全教育落实情况:其他:施工现场管理项目名称项目地点项目投资额资金来源项目相关方质量管理状况是否有完善的质量管理体系:□是□否是否设有专职质量管理员:□是□否是否有完备的质量控制记录:□是□否其他:HSE管理状况是否有完善的HSE管理体系:□是□否是否设有专职HSE管理员:□是□否文明施工状况□良好□较好□一般□较差□极差现场安全情况□良好□较好□一般□较差□极差其他:组织机构、管理状况项目机构状况□完善□较好□一般□较差□极差管理人员状况□充足□满足□一般□不全□极差民工管理状况□良好□较好□一般□较差□极差外来民工所占比例:其他:施工机具状况设备来源情况:□自购□部分租赁□租赁设备是否先进:□先进□一般□落后其他:施工工艺状况施工工艺状况:□先进□一般□落后其他:分包控制状况现场是否有分包:□是□否分包管理制度是否健全:□是□否其他:物料管理状况物料管理制度是否健全:□是□否物料管理是否规范:□是□否其他:其他生产现场管理机具配备生产工艺:□先进□一般□落后设备状况:□先进□一般□落后生产能力:设备维护及5S管理:其他:质量管理原材料来源:原材料检测手段及检测设备:□先进□一般□落后产品检测手段及检测设备:□先进□一般□落后不合格品率及控制措施:其他:新产品设计及研发是否有研发部门:□是□否新产品设计开发能力:新产品检测手段及试验装置:最新研发成果及推广前景:现场HSE管理HSE装备:安全教育落实情况:物料堆放:安全监督:售后服务售后服务部门人员配备:质量投诉处理流程及时效:合同管理:用户评价:企业业绩年份项目名称工程量合同金额建设单位备注是否有类似业绩:是否有大型项目业绩:其他:所获荣誉年份荣誉颁奖机构考察单位对我司项目了解情况考察单位对项目的响应情况组织接待人员的素质、印象情况其他考察总结评论企业规模□特大□较大□一般□较小□极小人力资源状况□良好□较好□一般□较差□极差设备资源状况□良好□较好□一般□较差□极差财务状况□良好□较好□一般□较差□极差企业管理状况□良好□较好□一般□较差□极差现场管理状况□良好□较好□一般□较差□极差企业业绩情况□丰富□较好□一般□较差□极差企业荣誉情况□良好□较好□一般□较差□极差对项目了解情况□充分了解□熟悉□有所了解□了解甚少□毫不了解对项目响应情况□做充分准备□比较响应□愿意参与□有待考虑□拒绝参与对接待人员印象□良好□较好□一般□较差□反感考察总结考察结论

1、当您付费下载文档后,您只拥有了使用权限,并不意味着购买了版权,文档只能用于自身使用,不得用于其他商业用途(如 [转卖]进行直接盈利或[编辑后售卖]进行间接盈利)。
2、本站所有内容均由合作方或网友上传,本站不对文档的完整性、权威性及其观点立场正确性做任何保证或承诺!文档内容仅供研究参考,付费前请自行鉴别。
3、如文档内容存在违规,或者侵犯商业秘密、侵犯著作权等,请点击“违规举报”。

碎片内容

供应商考察表

您可能关注的文档

确认删除?
VIP
微信客服
  • 扫码咨询
会员Q群
  • 会员专属群点击这里加入QQ群
客服邮箱
回到顶部