电脑桌面
添加小米粒文库到电脑桌面
安装后可以在桌面快捷访问

光伏逆变器知识大全概要VIP免费

光伏逆变器知识大全概要_第1页
1/6
光伏逆变器知识大全概要_第2页
2/6
光伏逆变器知识大全概要_第3页
3/6
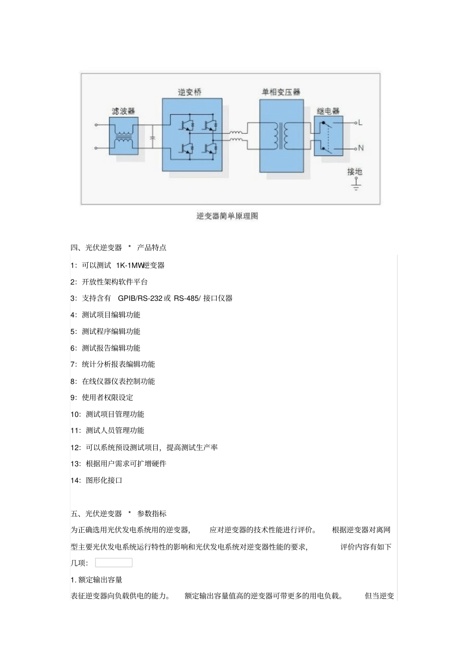
光伏逆变器知识大全一、光伏逆变器*概述通常把将交流电能变换成直流电能的过程称为整流,把完成整流功能的电路称为整流电路,把实现整流过程的装置称为整流设备或整流器。与之相对应,把将直流电能变换成交流电能的过程称为逆变,把完成逆变功能的电路称为逆变电路,把实现逆变过程的装置称为逆变设备、电源调整器或逆变器。根据逆变器在光伏发电系统中的用途可分为独立型电源用和并网用二种。根据波形调制方式又可分为方波逆变器、阶梯波逆变器、正弦波逆变器和组合式三相逆变器。对于用于并网系统的逆变器,根据有无变压器又可分为变压器型逆变器和无变压器型逆变器。光伏逆变器是光伏系统中的核心设备,它将太阳能电池板的直流电转换为交流电,因而光伏逆变器市场与光伏系统相关的市场关联紧密,在光伏系统中的成本占比约10%-13%。光伏逆变器市场是一个在全球经济衰退的大环境下充满活力的市场。欧洲目前是全球太阳能产业发展的领头羊,中美两国竞相加大了对太阳能利用的研究、投资和开发的力度。二、光伏逆变器*组成?主要参数、系统构成和主回路拓扑?直流输入部分?逆变部分(IGBT模块和驱动器)?LC滤波器和交流输出?二次电路?控制和保护?散热?机柜三、光伏逆变器*工作原理逆变器是一种由半导体器件组成的电力调整装置,主要用于把直流电力转换成交流电力。一般由升压回路和逆变桥式回路构成。升压回路把太阳电池的直流电压升压到逆变器输出控制所需的直流电压;逆变桥式回路则把升压后的直流电压等价地转换成常用频率的交流电压。逆变器主要由晶体管等开关元件构成,通过有规则地让开关元件重复开-关(ON-OFF),使直流输入变成交流输出。当然,这样单纯地由开和关回路产生的逆变器输出波形并不实用。一般需要采用高频脉宽调制(SPWM),使靠近正弦波两端的电压宽度变狭,正弦波中央的电压宽度变宽,并在半周期内始终让开关元件按一定频率朝一方向动作,这样形成一个脉冲波列(拟正弦波)。然后让脉冲波通过简单的滤波器形成正弦波。四、光伏逆变器*产品特点1:可以测试1K-1MW逆变器2:开放性架构软件平台3:支持含有GPIB/RS-232或RS-485/接口仪器4:测试项目编辑功能5:测试程序编辑功能6:测试报告编辑功能7:统计分析报表编辑功能8:在线仪器仪表控制功能9:使用者权限设定10:测试项目管理功能11:测试人员管理功能12:可以系统预设测试项目,提高测试生产率13:根据用户需求可扩增硬件14:图形化接口五、光伏逆变器*参数指标为正确选用光伏发电系统用的逆变器,应对逆变器的技术性能进行评价。根据逆变器对离网型主要光伏发电系统运行特性的影响和光伏发电系统对逆变器性能的要求,评价内容有如下几项:1.额定输出容量表征逆变器向负载供电的能力。额定输出容量值高的逆变器可带更多的用电负载。但当逆变器的负载不是纯阻性时,也就是输出功率小于1时,逆变器的负载能力将小于所给出的额定输出容量值。2.输出电压稳定度表征逆变器输出电压的稳压能力。多数逆变器产品给出的是输入直流电压在允许波动范围内该逆变器输出电压的偏差,通常称为电压调整率。高性能的逆变器应同时给出当负载由0%→100%变化时,该逆变器输出电压的偏差,通常称为负载调整率。性能良好的逆变器的电压调整率应≤±3%,负载调整率应≤±6%。3.整机效率表征逆变器自身功率损耗的大小,通常以%表示。容量较大的逆变器还应给出满负荷效率值和低负荷效率值。kw级以下逆变器的效率应为85%-90%,逆变器效率的高低对光伏发电系统提高有效发电量和降低发电成本有重要影响。4.保护功能过电压、过电流及短路保护是保证逆变器安全运行的最基本措施。功能完美的正弦波逆变器还具有欠电压保护、缺相保护及温度越限报警等功能。5.起动性能逆变器应保证在额定负载下可靠起动。高性能的逆变器可做到连续多次满负荷起动而不损坏功率器件。小型逆变器为了自身安全,有时采用软起动或限流起动。对于大功率光伏发电系统和联网型光伏发电系统逆变器的波形失真度和噪声水平等技术性能也十分重要。六、光伏逆变器*技术参数最大直流功率550kWp输入最大直流电压:900Vdc最大直流输入电流:1200A额定交流输出功率:500kW输出交流电压:2...

1、当您付费下载文档后,您只拥有了使用权限,并不意味着购买了版权,文档只能用于自身使用,不得用于其他商业用途(如 [转卖]进行直接盈利或[编辑后售卖]进行间接盈利)。
2、本站所有内容均由合作方或网友上传,本站不对文档的完整性、权威性及其观点立场正确性做任何保证或承诺!文档内容仅供研究参考,付费前请自行鉴别。
3、如文档内容存在违规,或者侵犯商业秘密、侵犯著作权等,请点击“违规举报”。

碎片内容

光伏逆变器知识大全概要

文库响当当+ 关注
实名认证
内容提供者

该用户很懒,什么也没介绍

确认删除?
VIP
微信客服
  • 扫码咨询
会员Q群
  • 会员专属群点击这里加入QQ群
客服邮箱
回到顶部