电脑桌面
添加小米粒文库到电脑桌面
安装后可以在桌面快捷访问

冷再生工程专项施工方案VIP免费

冷再生工程专项施工方案_第1页
1/5
冷再生工程专项施工方案_第2页
2/5
冷再生工程专项施工方案_第3页
3/5
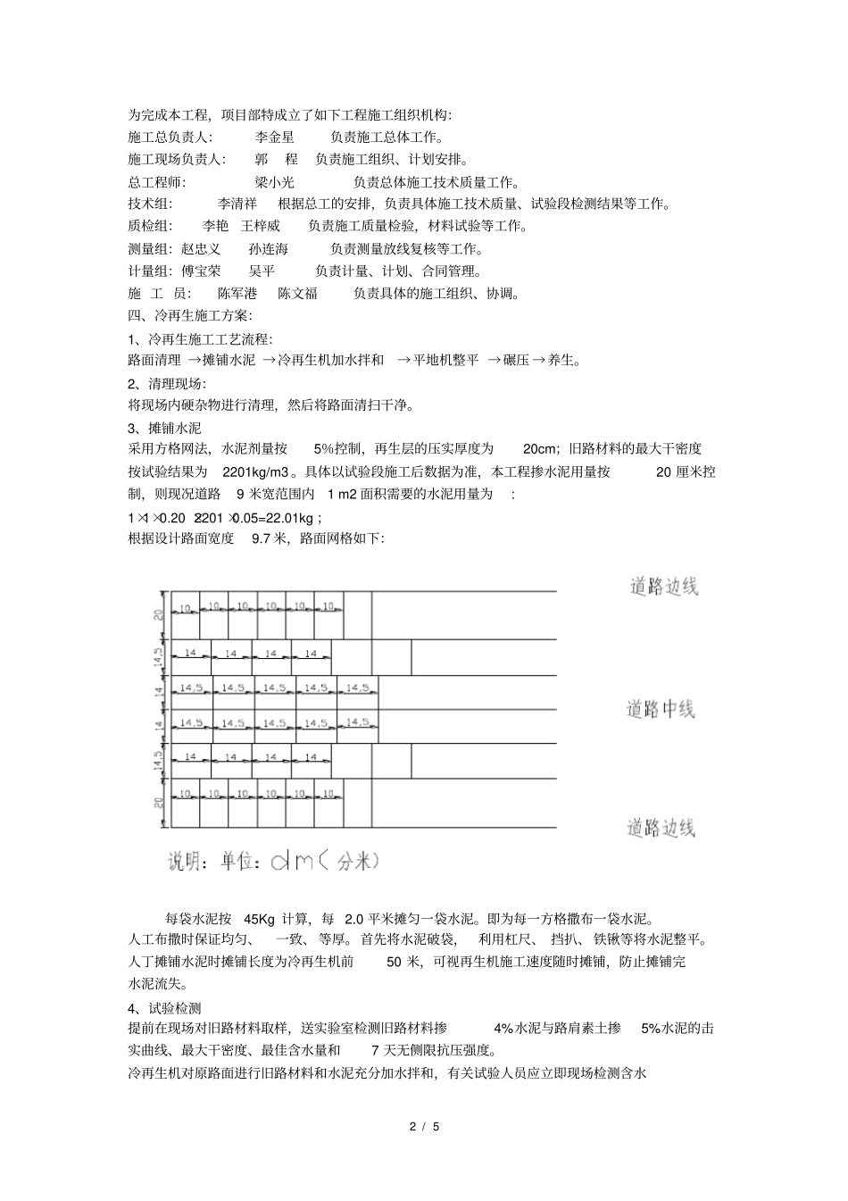
1/5冷再生工程专项施工方案一、工程概述:1、工程概况:本次右堤路大修范围为龙塘路-区界段(K38+700-K44+198.22),道路全长约5.5公里。道路等级为公路二级,道路标准横断面为:土路肩0.75米+车行道9米+土路肩0.75米。根据设计图纸桩号为K38+740-K39+040,K39+580-K42+010,K42+850-K43+560,k43+900-k44+198段底基层为20厘米冷再生混合料掺5%水泥。2、试验段:首先进行试验段的施工,本次施工试验段选择在K38+740-K39+040右半幅,共计300米,面积为1350平米。大面积施工时具体数据根据试验段结果进行作业。3、工程难点:施工受现况交通的影响大,本工程计划半幅施工。为保证按期完成,施工必须合理安排,严密组织,科学施工,争时间,抢进度,保质量,保工期。4、质量标准:合格二、准备工作1、施工人员为按施工计划完成本项工程拟组织路基底基层施工队,设置正、副工长各1名,施工队27人。队长:陈军港副队长陈文福人员安排:补料4人,布水泥2人,划分副线3人,撒水泥2人,水车3人,测量2人,看道口2人,安全巡视2人。2、材料准备普通硅酸盐水泥P32.5:800T。项目部设置一台农用车、一台50装载机,用于运送施工所用水泥。水:项目部在桩号K43+100右侧租赁一座机井,另外准备2辆水车用于运送施工用水。3、机具准备维特根WR2000型再生机一台.PY180平地机一台,水车3台,20t轮胎压路机一台,YZ18振动压路机一台,50装载机一台。4、资料准备工程材料已经监理审批,各种资料已准备完毕。5、施工测量导线点和水准点已经得到监理审批,施工放线工作已完成,资料已上报监理审批。根据设计图纸对路线中心线,边线进行测量放线,在路线两旁设置临时水准点,每隔100米左右设置一个,便于施工时就近对路面进行复测。在冷再生施工过程中,要做到勤测、勤核、勤纠偏。6、交通导流:我单位已经和交通队协调好,施工时可临时派警力维护交通,所有货车绕行施工路段,附近村民车辆可通行。三、施工组织机构2/5为完成本工程,项目部特成立了如下工程施工组织机构:施工总负责人:李金星负责施工总体工作。施工现场负责人:郭程负责施工组织、计划安排。总工程师:梁小光负责总体施工技术质量工作。技术组:李清祥根据总工的安排,负责具体施工技术质量、试验段检测结果等工作。质检组:李艳王梓威负责施工质量检验,材料试验等工作。测量组:赵忠义孙连海负责测量放线复核等工作。计量组:傅宝荣吴平负责计量、计划、合同管理。施工员:陈军港陈文福负责具体的施工组织、协调。四、冷再生施工方案:1、冷再生施工工艺流程:路面清理→摊铺水泥→冷再生机加水拌和→平地机整平→碾压→养生。2、清理现场:将现场内硬杂物进行清理,然后将路面清扫干净。3、摊铺水泥采用方格网法,水泥剂量按5%控制,再生层的压实厚度为20cm;旧路材料的最大干密度按试验结果为2201kg/m3。具体以试验段施工后数据为准,本工程掺水泥用量按20厘米控制,则现况道路9米宽范围内1m2面积需要的水泥用量为:1×1×0.20×2201×0.05=22.01kg;根据设计路面宽度9.7米,路面网格如下:每袋水泥按45Kg计算,每2.0平米摊匀一袋水泥。即为每一方格撒布一袋水泥。人工布撒时保证均匀、一致、等厚。首先将水泥破袋,利用杠尺、挡扒、铁锹等将水泥整平。人丁摊铺水泥时摊铺长度为冷再生机前50米,可视再生机施工速度随时摊铺,防止摊铺完水泥流失。4、试验检测提前在现场对旧路材料取样,送实验室检测旧路材料掺4%水泥与路肩素土掺5%水泥的击实曲线、最大干密度、最佳含水量和7天无侧限抗压强度。冷再生机对原路面进行旧路材料和水泥充分加水拌和,有关试验人员应立即现场检测含水3/5量,使冷再生的含水量比最佳含水量高出1%,以满足水泥水化作用的需要,同时弥补碾压过程中含水量的损失。施工完成后,质检员现场取料,不必加水,送至实验室后再按最佳含水量掺水。检测项目为7天无侧限抗压强度。现场对再生后路基材料取样6份,自检4份,见证2份,检测7天无侧限强度。5、再生机准备水泥布撒长度达到50米时,再生机即可开机工作。WR2000S冷再生机工作宽度为2.0m,根据设计宽度9.7米,半幅可按3刀控制,具体为:第一刀,2米;第二刀,重...

1、当您付费下载文档后,您只拥有了使用权限,并不意味着购买了版权,文档只能用于自身使用,不得用于其他商业用途(如 [转卖]进行直接盈利或[编辑后售卖]进行间接盈利)。
2、本站所有内容均由合作方或网友上传,本站不对文档的完整性、权威性及其观点立场正确性做任何保证或承诺!文档内容仅供研究参考,付费前请自行鉴别。
3、如文档内容存在违规,或者侵犯商业秘密、侵犯著作权等,请点击“违规举报”。

碎片内容

冷再生工程专项施工方案

您可能关注的文档

确认删除?
VIP
微信客服
  • 扫码咨询
会员Q群
  • 会员专属群点击这里加入QQ群
客服邮箱
回到顶部