电脑桌面
添加小米粒文库到电脑桌面
安装后可以在桌面快捷访问

冷却塔设计参考VIP免费

冷却塔设计参考_第1页
1/9
冷却塔设计参考_第2页
2/9
冷却塔设计参考_第3页
3/9
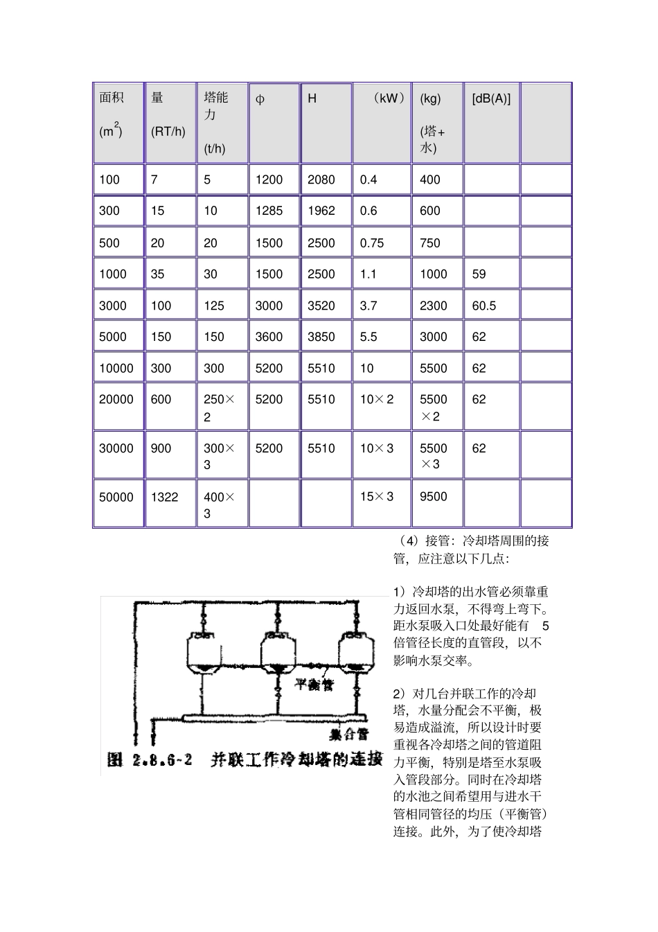
冷却塔设计参考(1)选型:各型冷却塔的冷能力(即xt/h)是指该塔在设计工况和气象参数条件下的名义流量。设计时应根据具体地方的气候条件及塔的服务对象确定塔的工作流量及台数,并留有适当备用系数。选用冷却塔时除应考虑其冷却效率、电耗、噪场、价格等因素外,还应根据防炎要求及环境条件优先选用阻燃的冷却塔。(2)安装位置:做初步设计时,对冷却塔的位置即应予以慎重的考虑。冷却塔的噪声较大,故其安装位置应尽量选择避免影响其他房间。与住宅及办公楼应保持一定距离,使冷却塔的噪场衰减到:白天≤55dB(A),夜间≤45dB(A)。且不宜设置于中间的屋顶上或地上,最好放在建筑物的最高层。如图2.8.6-1。(3)重量:按日本资料,冷却塔的重量,横型敏m2相当于0.8t,立型约2~3t左右。国产冷却塔可按样样取用。以国产BLS型低噪声冷却塔为例,列于表2.8.6-1。建筑制冷冷却尺寸功率重量噪声备注面积(m2)量(RT/h)塔能力(t/h)φH(kW)(kg)(塔+水)[dB(A)]10075120020800.44003001510128519620.66005002020150025000.7575010003530150025001.11000593000100125300035203.7230060.55000150150360038505.530006210000300300520055101055006220000600250×25200551010×25500×26230000900300×35200551010×35500×362500001322400×315×39500(4)接管:冷却塔周围的接管,应注意以下几点:1)冷却塔的出水管必须靠重力返回水泵,不得弯上弯下。距水泵吸入口处最好能有5倍管径长度的直管段,以不影响水泵交率。2)对几台并联工作的冷却塔,水量分配会不平衡,极易造成溢流,所以设计时要重视各冷却塔之间的管道阻力平衡,特别是塔至水泵吸入管段部分。同时在冷却塔的水池之间希望用与进水干管相同管径的均压(平衡管)连接。此外,为了使冷却塔中水位一致,出水干管应采用比进水干管大两号的集合管,如图2.8.6-2。3)几台冷却塔并联时,应按同一水位决定各塔的基础高度。冷却水循环泵的位置不对.现象:某工程地上10层,地下4层,屋面上还有塔楼3层。5层上有一计算机房,采用了水冷机组,冷却塔设在塔楼顶上,水泵设在屋面下的塔楼内,且水泵装在冷却塔的进水管上,结果循环不了,而且还产生严重振响。原因:水泵:的吸入扬程小于管网的阻力。一般来说,冷却塔的出水管最好是靠重力流入水泵。冷却水泵的吸入扬程约3~4m米水柱。对策:将水泵由冷却塔的进水管上改到冷却塔的出水管上之后,一切就正常了,如图2.8.3-1(a)、(b)。总之,冷却塔的循环水泵在系统中的位置应设在冷凝器的前边(即将冷却水压入冷凝器中)而且水泵吸入部分的水平管不宜太长,水平管应坡向水泵吸入方向,如图2.8.3-2。现象:水泵停止后冷却水由于吸而倒流。某建筑物第二层为公室,采用了水冷整体空调器,作为夏天降温用。机组冷却水的冷却塔设置在室外地面上,停泵时经常由于倒流而跑水满地。原因:冷却塔的位置低于整体式空调器的冷凝器,停泵后管内冷却水落入塔中而造成管中真空,产生虹吸,将整个冷却系统中的水吸上而流出。对策:将冷却水的顶端设一个防止真空的阀,破坏管中真空度,当水泵停止时即不再会生产虹吸现象,使水流失量达到最小,如图2.8.3-3。现象:某工程制冷机的冷却塔安装在30m高的屋顶上,地下室中设有一水池,制冷机,冷却水泵均在地下室中。冷却水泵的扬程为60m水柱,水量为300m3/h,水泵的电机容量为75KW,共3台。运行后觉得耗太大,要求改造。原因:因冷却水系统开式系统,设了地下水池。所以水泵的扬程既要满足送水高度(30m)又要克服系统阻力,即水泵的场程为管道阻力、设备阻力与提升扬程三者之和。所以水泵的动力较大,运行耗电多。如图2.8.3-6(a)。对策:改造管道,不再使用地下水池(实际上冷却塔有集水盘,没有必要设水池),将冷却塔的出水管直接接到泵的吸入口,则水泵的扬可以减少到30m水柱。因为提升扬程由H变为h,而系统阻力不变。水泵的电机容量减小为40kW,运行能耗一年可节省20多元万,如图2.8.3-6(b)。冷却塔水位控制不好现象:多台冷却塔与机组对应设置并联运行。在实际工程中常发现塔溢水量过大,造成大量补水。原因:1)分析原因,首先是由于连接管道及阀门的阻力不平...

1、当您付费下载文档后,您只拥有了使用权限,并不意味着购买了版权,文档只能用于自身使用,不得用于其他商业用途(如 [转卖]进行直接盈利或[编辑后售卖]进行间接盈利)。
2、本站所有内容均由合作方或网友上传,本站不对文档的完整性、权威性及其观点立场正确性做任何保证或承诺!文档内容仅供研究参考,付费前请自行鉴别。
3、如文档内容存在违规,或者侵犯商业秘密、侵犯著作权等,请点击“违规举报”。

碎片内容

冷却塔设计参考

您可能关注的文档

确认删除?
VIP
微信客服
  • 扫码咨询
会员Q群
  • 会员专属群点击这里加入QQ群
客服邮箱
回到顶部