电脑桌面
添加小米粒文库到电脑桌面
安装后可以在桌面快捷访问

功能分区用地情况对照表VIP免费

功能分区用地情况对照表_第1页
1/4
功能分区用地情况对照表_第2页
2/4
功能分区用地情况对照表_第3页
3/4
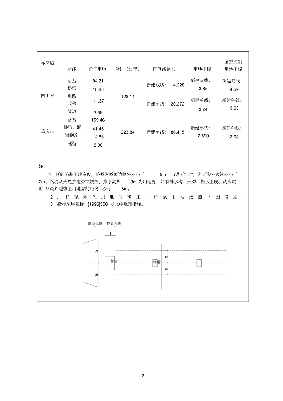
表1功能分区用地情况对照表单位:公顷申报情况总规模区间正线和疏解线用地站场用地取弃土场用地原申报用地367.32358.688.640其中:重庆境内234.52227.656.870本次申报用地360.62351.988.640其中:重庆境内230.71223.846.870增减数量(增+)减(-)-6.70-6.7000其中:重庆境内-3.81-3.8100表2占地类型情况对照表单位:公顷申报情况总规模农用地建设用地未利用地小计耕地基本农田原申报用地367.32297.27223.38193.9561.009.05其中:重庆境内234.52166.91105.1687.3958.569.05本次申报用地360.62291.85219.30190.4259.888.89其中:重庆境内230.71164.33103.6586.1857.498.89增减数量(增+)减(-)-6.70-5.42-4.08-3.53-1.12-0.16其中:重庆境内-3.81-2.58-1.51-1.21-1.07-0.16三、优化后用地总数量分析(一)分项用地情况表1区间线路用地表2在区域功能新征用地合计(公里)区间线路长用地指标国家控制用地指标四川省路基94.21128.14新建双线:14.228新建双线:3.85新建双线:4.59桥梁18.88道路改移11.37新建单线:20.272新建单线:3.24新建单线:3.63隧道3.68重庆市路基159.46223.84新建单线:86.415新建单线:2.590新建单线:3.63桥梁、涵洞41.46道路改移14.86隧道8.06注:1、区间路基用地宽度,路堑为堑顶边缘外不小于5m,当设天沟时,为天沟外边缘不小于2m。路堤从天然护道外或矮挡、排水沟外3m为用地界,如有排水沟、天沟、挡水土埂、截水坑时,从最外边缘至用地界的距离不少于3m。2、桥梁永久用地的确定:桥梁用地按照下图考虑。3、指标采用建标[1996]350号文中规定指标。3(二)项目用地合理性分析根据《新建铁路工程项目建设用地指标》(建标[1996]350号)表3.0.4-2,新建铁路工程用地控制指标如下表所示:表1新建铁路工程用地指标公顷/公里牵引种类电力地形等级ⅠⅡⅢⅣⅤ国家铁路铁路等级Ⅰ级双线6.52416.04266.34316.00865.3855Ⅰ级单线5.21844.97705.21025.30924.8518表2区间正线用地指标公顷/公里牵引种类电力、内燃、蒸汽地形等级ⅠⅡⅢⅣⅤ国家铁路铁路等级Ⅰ级双线5.25374.59014.93874.83384.1365Ⅰ级单线4.163.63333.91003.82673.2733表2站场用地表车站名称车站规模实际地形条件用地统计国家控制用地指标备注新征用地(公顷)原车站用地(公顷)合计(公顷)地形用地数量(公顷)四川境内新桥车站小型站4线山区1.5311.9713.51丘陵24.06~54.84站场指标参照国土资发[2006]327号文件中规定指标。遂宁南小型站1台4线山区0.1112.5312.64丘陵24.06~54.85三星小型站1台4线山区0.1310.2210.35丘陵24.06~54.86重庆境内潼南小型站2台5线山区1.3623.5024.86丘陵24.06~54.87下太和小型站1台4线山区0.6310.5511.17丘陵24.06~54.88合川小型站2台5线山区4.1331.4035.54丘陵24.06~54.89北碚小型站1台4线山区0.7512.0412.79丘陵24.06~54.904遂宁南(含)至北碚北(含),含遂宁地区相关工程,该项目系国家铁路I级干线,电力牵引,时速200km。四川省境内区间新建单线20.272公里,新建双线14.228公里,重庆市境内区间新建单线86.415公里;遂宁南左线疏解线位于四川省内,长3.903公里。全段桥梁84座31230.65延长米(其中预留11座2618.16延长米),隧道56座总长30246m(其中预留7座3534m),桥隧比重44.89%;全线共设车站7个,其中四川省范围3个,分别是新桥、遂宁南及三星,重庆市共有车站4个,分别为潼南、下太和、合川和石子山(北碚北)。本线铁路等级:I级;新桥至遂宁南为双线,遂宁南至北碚北为单线。地形以丘陵为主,对应地形等级II级。全线每公里综合用地2.68公顷;其中,区间路基正线长双线14.228公里,单线106.687公里,占地358.69公顷,区间每公里用地单线2.78公顷,双线:3.85公顷。未超过国家规定的《新建铁路工程项目建设用地指标》的规定。

1、当您付费下载文档后,您只拥有了使用权限,并不意味着购买了版权,文档只能用于自身使用,不得用于其他商业用途(如 [转卖]进行直接盈利或[编辑后售卖]进行间接盈利)。
2、本站所有内容均由合作方或网友上传,本站不对文档的完整性、权威性及其观点立场正确性做任何保证或承诺!文档内容仅供研究参考,付费前请自行鉴别。
3、如文档内容存在违规,或者侵犯商业秘密、侵犯著作权等,请点击“违规举报”。

碎片内容

功能分区用地情况对照表

您可能关注的文档

确认删除?
VIP
微信客服
  • 扫码咨询
会员Q群
  • 会员专属群点击这里加入QQ群
客服邮箱
回到顶部