电脑桌面
添加小米粒文库到电脑桌面
安装后可以在桌面快捷访问

钣金结构设计工艺设计规范VIP免费

钣金结构设计工艺设计规范_第1页
1/9
钣金结构设计工艺设计规范_第2页
2/9
钣金结构设计工艺设计规范_第3页
3/9
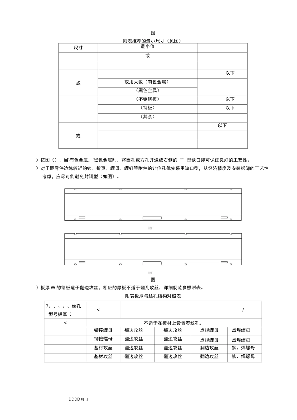
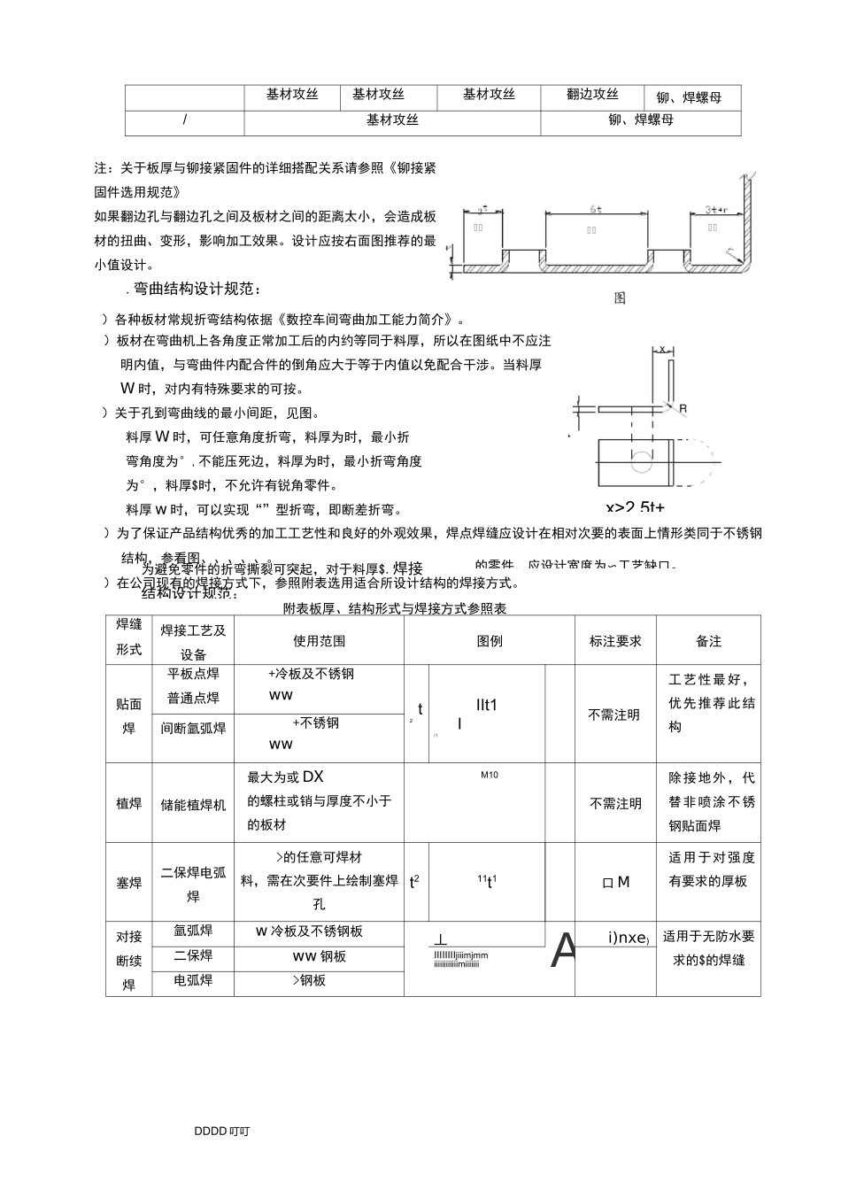
DDDDDDDDDDDDDDDDII钣金结构设计工艺规范一、目的:为了统一公司各产品部设计人员对钣金工艺知识的认知和运用,推进设计的标准化,保证所设计产品合理的加工工艺性,特制定本规范。二、范围:本原则适用各产品部的板厚W的钣金结构设计工作。三、内容:.板材选用规范:)为了保证材料利用率和冲折最少的换模次数,同一结构上W的板材厚度规格最多不超过三种,对于强度要求较高的结构可以采用在薄板上压筋或焊接加强筋的方式来实现(如图);)板材应优先选用《结构公司常用材料明细表》上登录的材料规格,如必须选用该表以外的材质或板厚,则必须经由工艺室确认后方可选用;(附表))应避免零件的展开尺寸与原材料的外廓尺寸相等,以此避免原材料误差平行转移;)对于有装饰面要求非喷涂板材,同类产品花纹方向应一致,有条状纹路(如拉丝不锈钢)的板材,以人立于的产品正前方为视角标准,纹路方向优先选择竖向(上下)和纵向(前后),对于次要零部件或产品的次要部位,为了保持材料利用率可适当采用横向纹路;)对于折弯性能差的厚热板件(如电梯门机件)、硬铝、有功能性回弹的零件(如电插座簧片)等,应有纤维方向的技术要求,对于有避免折弯裂纹要求的零件,料单上应有剪切毛刺方向及折弯方向的要求。.孔缺结构设计规范:)板材上的各种孔优先选用数控或冲压通用模具表格上登记的规格(附表,附表)。)钣金结构零件应倒圆,这从安全和模具寿命均有利。短的突出宽度/,长的窄条宽度/。零件圆角、孔径等的最小尺寸值参照(如图,附表)。1□□-5+dDDDD叮叮图附表推荐的最小尺寸(见图)尺寸最小值或或以下或用大数(有色金属)(黑色金属)(不锈钢板)以下(钢板)以下(其余)或以下)按图(),当'有色金属,'黑色金属时,将园孔或方孔开通成右侧的“”型缺口即可保证良好的工艺性。)对于距零件边缘较近的锁、折页、螺母、螺钉等附件的让位孔优先采用缺口型,从经济精度及安装拆卸的工艺性考虑,应尽可能避免封闭型(如图)。图)板厚W的钢板适于翻边攻丝,相应的厚板不适于翻孔攻丝,详细规范参照附表。附表板厚与丝孔结构对照表7、、、、、丝孔型号板厚(2.5t+为避免零件的折弯撕裂可突起,对于料厚$.焊接结构设计规范:的零件,应设计宽度为〜工艺缺口。基材攻丝基材攻丝基材攻丝翻边攻丝铆、焊螺母/基材攻丝铆、焊螺母注:关于板厚与铆接紧固件的详细搭配关系请参照《铆接紧固件选用规范》如果翻边孔与翻边孔之间及板材之间的距离太小,会造成板材的扭曲、变形,影响加工效果。设计应按右面图推荐的最小值设计。.弯曲结构设计规范:)各种板材常规折弯结构依据《数控车间弯曲加工能力简介》。)板材在弯曲机上各角度正常加工后的内约等同于料厚,所以在图纸中不应注明内值,与弯曲件内配合件的倒角应大于等于内值以免配合干涉。当料厚W时,对内有特殊要求的可按。)关于孔到弯曲线的最小间距,见图。料厚W时,可任意角度折弯,料厚为时,最小折弯角度为°,不能压死边,料厚为时,最小折弯角度为°,料厚$时,不允许有锐角零件。料厚w时,可以实现“”型折弯,即断差折弯。)为了保证产品结构优秀的加工工艺性和良好的外观效果,焊点焊缝应设计在相对次要的表面上情形类同于不锈钢结构,参看图、、、、、。)在公司现有的焊接方式下,参照附表选用适合所设计结构的焊接方式。附表板厚、结构形式与焊接方式参照表焊缝形式焊接工艺及设备使用范围图例标注要求备注贴面焊平板点焊普通点焊+冷板及不锈钢wwt2IIt1不需注明工艺性最好,优先推荐此结构间断氩弧焊+不锈钢wwIi1植焊储能植焊机最大为或DX的螺柱或销与厚度不小于的板材M10不需注明除接地外,代替非喷涂不锈钢贴面焊塞焊二保焊电弧焊>的任意可焊材料,需在次要件上绘制塞焊孔t211t1口M适用于对强度有要求的厚板对接断续焊氩弧焊w冷板及不锈钢板丄Ai)nxe)适用于无防水要求的$的焊缝二保焊ww钢板III...

1、当您付费下载文档后,您只拥有了使用权限,并不意味着购买了版权,文档只能用于自身使用,不得用于其他商业用途(如 [转卖]进行直接盈利或[编辑后售卖]进行间接盈利)。
2、本站所有内容均由合作方或网友上传,本站不对文档的完整性、权威性及其观点立场正确性做任何保证或承诺!文档内容仅供研究参考,付费前请自行鉴别。
3、如文档内容存在违规,或者侵犯商业秘密、侵犯著作权等,请点击“违规举报”。

碎片内容

钣金结构设计工艺设计规范

您可能关注的文档

确认删除?
VIP
微信客服
  • 扫码咨询
会员Q群
  • 会员专属群点击这里加入QQ群
客服邮箱
回到顶部