电脑桌面
添加小米粒文库到电脑桌面
安装后可以在桌面快捷访问

各种弯头规格尺寸大全VIP免费

各种弯头规格尺寸大全_第1页
1/4
各种弯头规格尺寸大全_第2页
2/4
各种弯头规格尺寸大全_第3页
3/4
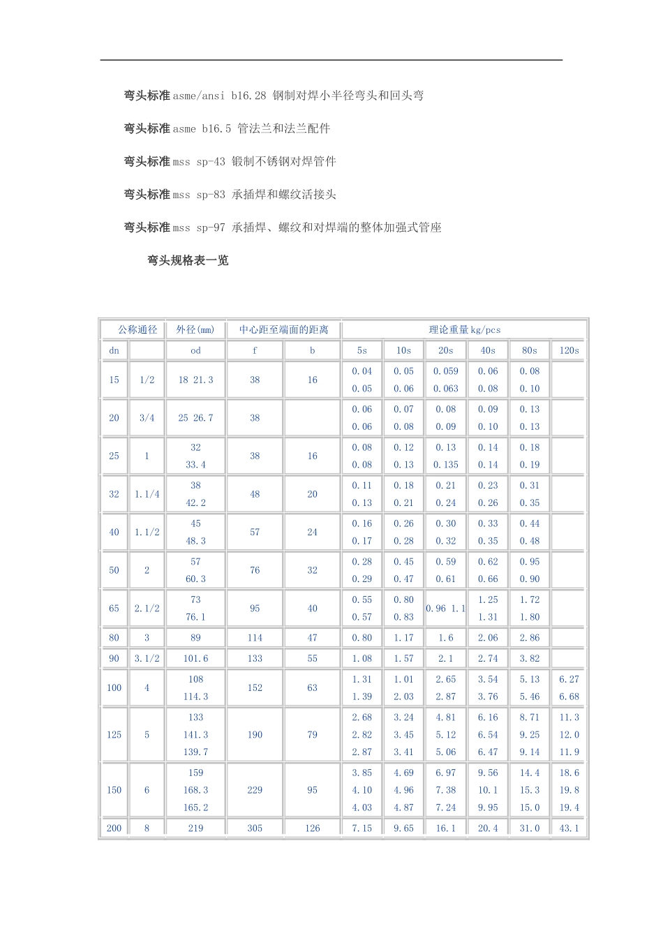
公称通径端部外径中心至端面尺寸中心至中心尺寸背面至端面尺寸45°弯头90°弯头180°弯头180°弯头A系列B系列长半径长半径短半径长半径短半径长半径短半径1521.3181638-76-48-2026.9251638-76-51-2533.732163825765156413242.438204832956470524048.3452457381147683815060.35732765115221061006576.1(73)764095641911271321218088.9894711476229152159159100114.310863152305203210197125139.713379190127381254262237150168.315995229152457305313313200219.121912630520360406414391250273273158381254762508518467300323.9325189457305914610619533350355.63772215333561067711711610400406.44262536104061219813813686450457478284686457172914914762500508529316762508152410161016550559-343838559600610630381914610650660-40599166070071172043810677117507628204701143762800813-502121981285086492053312958649008141020565137291410001016-632152410161050106711206631600106711001118122069416761118弯头规格尺寸表弯头是改变管路方向的管件。弯头标准是什么呢?按角度分,有45°及90°180°三种最常用的,另外根据工程需要还包括60°等其他非正常角度弯头。弯头标准都有哪些?弯头市场调研报告显示,弯头的材料有铸铁、不锈钢、合金钢、可煅铸铁、碳钢、有色金属及塑料等。弯头标准表显示,按照生产工艺可分为:焊接弯头、冲压弯头、推制弯头、铸造弯头等。其他名称:90度弯头、直角弯、爱而弯等。下面介绍弯头标准尺寸表及弯头规格表:弯头标准尺寸表及弯头规格表一览弯头市场调研显示,国标弯头管道安装中常用的一种连接用管件,连接两根公称通径相同或者不同的管子,使管路作一定角度转弯.弯头标准尺寸表弯头标准jisb2311通用钢制对焊管件弯头标准jisb2312钢制对焊管件弯头标准jisb2313钢板制对焊管件弯头标准jisb2316钢制承插焊管件弯头标准管件执行标准之美国标准:弯头标准号描述弯头标准asme/ansib16.9工厂制造的锻钢对焊管件弯头标准asme/ansib16.11承插焊和螺纹锻造管件12001219-758182912191300121-8211981132114001420-8832134142015001524-947228615241600162-10102438162017001727-10732591172718001820-11372743182720002020-126330482032弯头标准asme/ansib16.28钢制对焊小半径弯头和回头弯弯头标准asmeb16.5管法兰和法兰配件弯头标准msssp-43锻制不锈钢对焊管件弯头标准msssp-83承插焊和螺纹活接头弯头标准msssp-97承插焊、螺纹和对焊端的整体加强式管座弯头规格表一览公称通径外径(mm)中心距至端面的距离理论重量kg/pcsdnodfb5s10s20s40s80s120s151/21821.338160.040.050.050.060.0590.0630.060.080.080.10203/42526.7380.060.060.070.080.080.090.090.100.130.132513233.438160.080.080.120.130.130.1350.140.140.180.19321.1/43842.248200.110.130.180.210.210.240.230.260.310.35401.1/24548.357240.160.170.260.280.300.320.330.350.440.485025760.376320.280.290.450.470.590.610.620.660.950.90652.1/27376.195400.550.570.800.830.961.11.251.311.721.8080389114470.801.171.62.062.86903.1/2101.6133551.081.572.12.743.821004108114.3152631.311.391.012.032.652.873.543.765.135.466.276.681255133141.3139.7190792.682.822.873.243.453.414.815.125.066.166.546.478.719.259.1411.312.011.91506159168.3165.2229953.854.104.034.694.964.876.977.387.249.5610.19.9514.415.315.018.619.819.420082193051267.159.6516.120.431.043.1216.37.059.5315.920.130.542.525010273267.438112813.713.216.716.325.824.636.235.457.256.279.777.630012325323.9318.545718923.022.622.326.126.025.536.136.035.355.755.556.195.294.892.713313313235014377355.653322130.829.036.934.760.256.783.178.214713820218940016426406.461025341.839.947.745.578.074.312211621120128026745018478457.268628452.950.560.357.787.783.81751673012874224035002052950876231674.271.384.981.5146140242232414398577552以上为大家介绍的就是弯头标准及弯头的规格表,在管道系统所使用的全部管件中,所占比例最大,约为80%。

1、当您付费下载文档后,您只拥有了使用权限,并不意味着购买了版权,文档只能用于自身使用,不得用于其他商业用途(如 [转卖]进行直接盈利或[编辑后售卖]进行间接盈利)。
2、本站所有内容均由合作方或网友上传,本站不对文档的完整性、权威性及其观点立场正确性做任何保证或承诺!文档内容仅供研究参考,付费前请自行鉴别。
3、如文档内容存在违规,或者侵犯商业秘密、侵犯著作权等,请点击“违规举报”。

碎片内容

各种弯头规格尺寸大全

您可能关注的文档

确认删除?
VIP
微信客服
  • 扫码咨询
会员Q群
  • 会员专属群点击这里加入QQ群
客服邮箱
回到顶部