电脑桌面
添加小米粒文库到电脑桌面
安装后可以在桌面快捷访问

喷泉的PLC控制 辽宁工业大学 (5)VIP免费

喷泉的PLC控制 辽宁工业大学 (5)_第1页
1/8
喷泉的PLC控制 辽宁工业大学 (5)_第2页
2/8
喷泉的PLC控制 辽宁工业大学 (5)_第3页
3/8
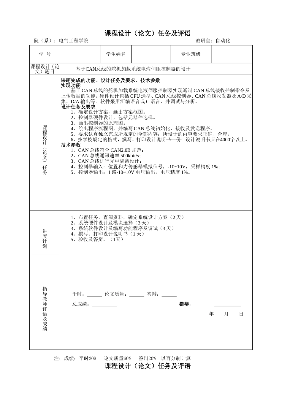
课程设计(论文)任务及评语院(系):电气工程学院教研室:自动化注:成绩:平时20%论文质量60%答辩20%以百分制计算课程设计(论文)任务及评语学号学生姓名专业班级课程设计(论文)题目基于CAN总线的舵机加载系统电液伺服控制器的设计课程设计(论文)任务课题完成的功能、设计任务及要求、技术参数实现功能基于CAN总线的舵机加载系统电液伺服控制器实现通过CAN总线接收控制指令及上传数据的功能。硬件设计包括CPU选型、CAN总线控制器、CAN总线收发器及A/D采集、D/A输出等。软件采用汇编语言或C语言,并调试与分析。设计任务及要求1、确定设计方案,画出方案框图。2、控制器硬件设计,包括元器件选择。3、画出控制器的原理图。4、绘出程序流程图,并编写CAN总线初始化、接收及发送程序。5、要求认真独立完成所规定的全部内容;所设计的内容要求正确、合理。6、按学校规定的格式,撰写、打印设计说明书一份;设计说明书应在4000字以上。技术参数1、CAN总线符合CAN2.0B规范;2、CAN总线通讯速率500kbit/s;3、CAN总线进行光电隔离设计;4、控制器输入:位置和力传感器模拟信号,-10~10V,采样精度1%;5、控制器输出:1路-10~10V电压输出,电压精度1%。进度计划1、布置任务,查阅资料,确定系统设计方案(2天)2、系统硬件设计及模块选择(3天)3、系统软件设计及编写功能程序及调试(3天)4、撰写、打印设计说明书(1天)5、验收及答辩。(1天)指导教师评语及成绩平时:论文质量:答辩:总成绩:指导教师签字:年月日院(系):电气工程学院教研室:自动化注:成绩:平时20%论文质量60%答辩20%以百分制计算课程设计(论文)任务及评语院(系):电气工程学院教研室:自动化学号学生姓名专业班级课程设计(论文)题目基于CAN总线的步进电机控制器的设计课程设计(论文)任务课题完成的功能、设计任务及要求、技术参数实现功能基于CAN总线的步进电机控制器实现通过CAN总线接收控制指令并将步进电机运动到指定位置的功能。硬件设计包括CPU选型、CAN总线控制器、CAN总线收发器及步进电机接口驱动电路等。软件采用汇编语言或C语言,并调试与分析。设计任务及要求1、确定设计方案,画出方案框图。2、控制器硬件设计,包括元器件选择。3、画出控制器的原理图。4、绘出程序流程图,并编写CAN总线初始化、接收及发送程序。5、要求认真独立完成所规定的全部内容;所设计的内容要求正确、合理。6、按学校规定的格式,撰写、打印设计说明书一份;设计说明书应在4000字以上。技术参数1、CAN总线符合CAN2.0B规范;2、CAN总线通讯速率500kbit/s;3、CAN总线进行光电隔离设计。4、控制器具有设置节点号功能,1~126任意设定;5、步进电机参数:2相,12V,0.4A,步进角1.8°。进度计划1、布置任务,查阅资料,确定系统设计方案(2天)2、系统硬件设计及模块选择(3天)3、系统软件设计及编写功能程序及调试(3天)4、撰写、打印设计说明书(1天)5、验收及答辩。(1天)指导教师评语及成绩平时:论文质量:答辩:总成绩:指导教师签字:年月日注:成绩:平时20%论文质量60%答辩20%以百分制计算课程设计(论文)任务及评语院(系):电气工程学院教研室:自动化学号学生姓名专业班级课程设计(论文)题目基于CAN总线的电液比例阀控制器的设计课程设计(论文)任务课题完成的功能、设计任务及要求、技术参数实现功能基于CAN总线的电液电液比例阀控制器实现通过CAN总线接收控制指令及上传数据的功能。硬件设计包括CPU选型、CAN总线控制器、CAN总线收发器及PWM驱动电路等。软件采用汇编语言或C语言,并调试与分析。设计任务及要求1、确定设计方案,画出方案框图。2、控制器硬件设计,包括元器件选择。3、画出控制器的原理图。4、绘出程序流程图,并编写CAN总线初始化、接收及发送程序。5、要求认真独立完成所规定的全部内容;所设计的内容要求正确、合理。6、按学校规定的格式,撰写、打印设计说明书一份;设计说明书应在4000字以上。技术参数1、CAN总线符合CAN2.0B规范;2、CAN总线通讯速率500kbit/s;3、CAN总线进行光电隔离设计;4、控制器输入:3路位移模拟信号,-10~10V,采样精度1%;5、控制器输...

1、当您付费下载文档后,您只拥有了使用权限,并不意味着购买了版权,文档只能用于自身使用,不得用于其他商业用途(如 [转卖]进行直接盈利或[编辑后售卖]进行间接盈利)。
2、本站所有内容均由合作方或网友上传,本站不对文档的完整性、权威性及其观点立场正确性做任何保证或承诺!文档内容仅供研究参考,付费前请自行鉴别。
3、如文档内容存在违规,或者侵犯商业秘密、侵犯著作权等,请点击“违规举报”。

碎片内容

喷泉的PLC控制 辽宁工业大学 (5)

书海行舟+ 关注
实名认证
内容提供者

热爱教学事业,对互联网知识分享很感兴趣

确认删除?
VIP
微信客服
  • 扫码咨询
会员Q群
  • 会员专属群点击这里加入QQ群
客服邮箱
回到顶部