电脑桌面
添加小米粒文库到电脑桌面
安装后可以在桌面快捷访问

设备防雷接地电阻测试台账VIP免费

设备防雷接地电阻测试台账_第1页
1/10
设备防雷接地电阻测试台账_第2页
2/10
设备防雷接地电阻测试台账_第3页
3/10
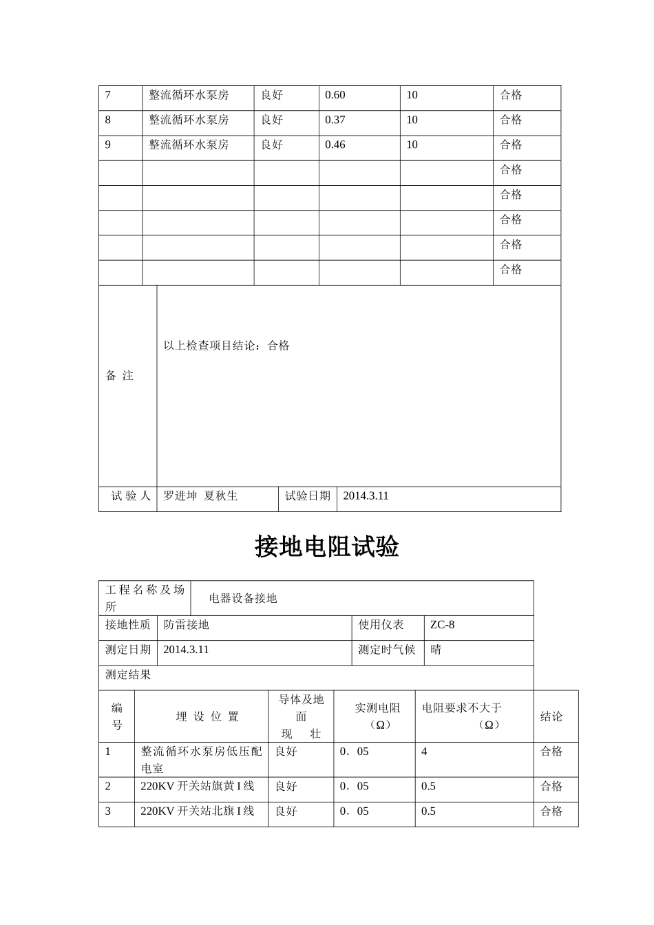
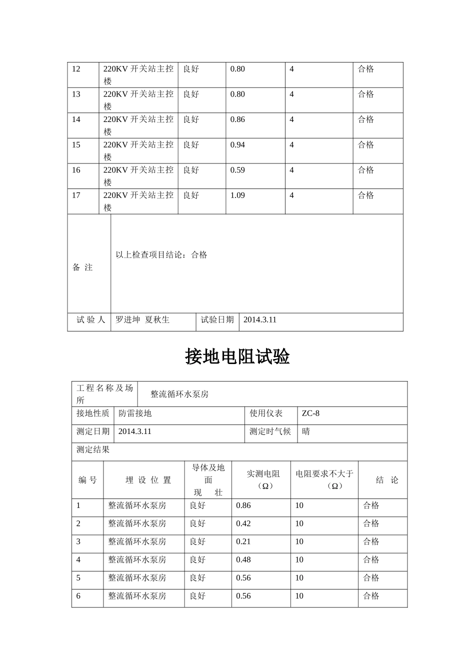
设备防雷接地电阻测试台账设备地点:220KV旗能开关站接地性质:防雷接地设备名称:220KV旗能开关站所属设备,具体项目和时间见实验报告建档时间:2014年4月11日接地电阻试验工程名称及场所220KV开关站主控楼建筑物接地电阻检测接地性质防雷接地使用仪表ZC-8测定日期2014.3.11测定时气候晴测定结果编号埋设位置导体及地面现壮实测电阻(Ω)电阻要求不大于(Ω)结论1220KV开关站主控楼良好1.614合格2220KV开关站主控楼良好1.614合格3220KV开关站主控楼良好0.954合格4220KV开关站主控楼良好1.354合格5220KV开关站主控楼良好0.534合格6220KV开关站主控楼良好0.544合格7220KV开关站主控楼良好0.684合格8220KV开关站主控楼良好0.494合格9220KV开关站主控楼良好0.144合格10220KV开关站主控楼良好0.594合格11220KV开关站主控楼良好0.594合格12220KV开关站主控楼良好0.804合格13220KV开关站主控楼良好0.804合格14220KV开关站主控楼良好0.864合格15220KV开关站主控楼良好0.944合格16220KV开关站主控楼良好0.594合格17220KV开关站主控楼良好1.094合格备注以上检查项目结论:合格试验人罗进坤夏秋生试验日期2014.3.11接地电阻试验工程名称及场所整流循环水泵房接地性质防雷接地使用仪表ZC-8测定日期2014.3.11测定时气候晴测定结果编号埋设位置导体及地面现壮实测电阻(Ω)电阻要求不大于(Ω)结论1整流循环水泵房良好0.8610合格2整流循环水泵房良好0.4210合格3整流循环水泵房良好0.2110合格4整流循环水泵房良好0.4810合格5整流循环水泵房良好0.5610合格6整流循环水泵房良好0.5610合格7整流循环水泵房良好0.6010合格8整流循环水泵房良好0.3710合格9整流循环水泵房良好0.4610合格合格合格合格合格合格备注以上检查项目结论:合格试验人罗进坤夏秋生试验日期2014.3.11接地电阻试验工程名称及场所电器设备接地接地性质防雷接地使用仪表ZC-8测定日期2014.3.11测定时气候晴测定结果编号埋设位置导体及地面现壮实测电阻(Ω)电阻要求不大于(Ω)结论1整流循环水泵房低压配电室良好0.054合格2220KV开关站旗黄I线良好0.050.5合格3220KV开关站北旗I线良好0.050.5合格4220KV开关站北旗II线良好0.050.5合格5220KV开关站旗黄II线良好0.050.5合格62#动力变良好0.110.5合格71#动力变良好0.110.5合格87#整流机组良好0.080.5合格96#整流机组良好0.080.5合格105#整流机组良好0.070.5合格114#整流机组良好0.10.5合格123#整流机组良好0.10.5合格132#整流机组良好0.090.5合格141#整流机组良好0.140.5合格1510KV总配1113开关柜良好0.164合格1610KV1#预焙槽1201开关柜良好0.394合格1710KV空压配1509开关柜良好0.024合格备注以上检查项目结论:合格试验人罗进坤夏秋生试验日期2014.3.11接地网测试记录测试地点旗能铝业220KV开关站天气情况晴测试设备FET-3数字式地网电阻测试仪测试点一:P19.42.42.82.80.217测试点二:P2=P1+20m9.62.73.13.10.224测试点三:P3=P1-20m9.42.02.52.50.226测试结果0.222(Ω)结论合格试验人:夏秋生李军罗进坤试验日期:2014.03.10接地网测试记测试地点旗能铝业220KV开关站天气情况晴测试设备FET-3数字式地网电阻测试仪测试点一:P19.42.683.153.150.252测试点二:P2=P1+20m9.32.392.932.930.258测试点三:P3=P1-20m9.41.992.592.5592.249测试结果0.253(Ω)结论合格试验人:夏秋生李军罗进坤试验日期:2014.03.10接地网测试记录测试地点旗能铝业220KV开关站天气情况晴测试设备FET-3数字式地网电阻测试仪测试点一:P19.32.793.33.320.271测试点二:P2=P1+20m9.62.523.083.100.263测试点三:P3=P1-20m9.62.142.762.760.257测试结果0.264(Ω)结论合格试验人:夏秋生李军罗进坤试验日期:2014.03.10接地网测试记录测试地点旗能铝业220KV开关站天气情况晴测试设备FET-3数字式地网电阻测试仪测试点一:P19.22.53.013.00.256测试点二:P2=P1+20m9.52.112.652.670.239测试点三:P3=P1-20m9.41.912.452.460.232测试结果0.242(Ω)结论合格试验人:夏秋生李军罗进坤试验日期:2014.03.10接地网测试记录测试地点旗能铝业220KV开关站天气情况晴测试设备FET-3数字式地网电阻测试仪测试点一:P19.02.572.862.880.219测试点二:P2=P1+20m9.12.252.612.620.207测试点三:P3=P1-20m9.01.952.342.340.203测试结果0.210(Ω)结论合格试验人:夏秋生李军罗进坤试验日期:2014.03.10

1、当您付费下载文档后,您只拥有了使用权限,并不意味着购买了版权,文档只能用于自身使用,不得用于其他商业用途(如 [转卖]进行直接盈利或[编辑后售卖]进行间接盈利)。
2、本站所有内容均由合作方或网友上传,本站不对文档的完整性、权威性及其观点立场正确性做任何保证或承诺!文档内容仅供研究参考,付费前请自行鉴别。
3、如文档内容存在违规,或者侵犯商业秘密、侵犯著作权等,请点击“违规举报”。

碎片内容

设备防雷接地电阻测试台账

书海行舟+ 关注
实名认证
内容提供者

热爱教学事业,对互联网知识分享很感兴趣

确认删除?
VIP
微信客服
  • 扫码咨询
会员Q群
  • 会员专属群点击这里加入QQ群
客服邮箱
回到顶部