电脑桌面
添加小米粒文库到电脑桌面
安装后可以在桌面快捷访问

管道吊支架的安装技术VIP免费

管道吊支架的安装技术_第1页
1/4
管道吊支架的安装技术_第2页
2/4
管道吊支架的安装技术_第3页
3/4
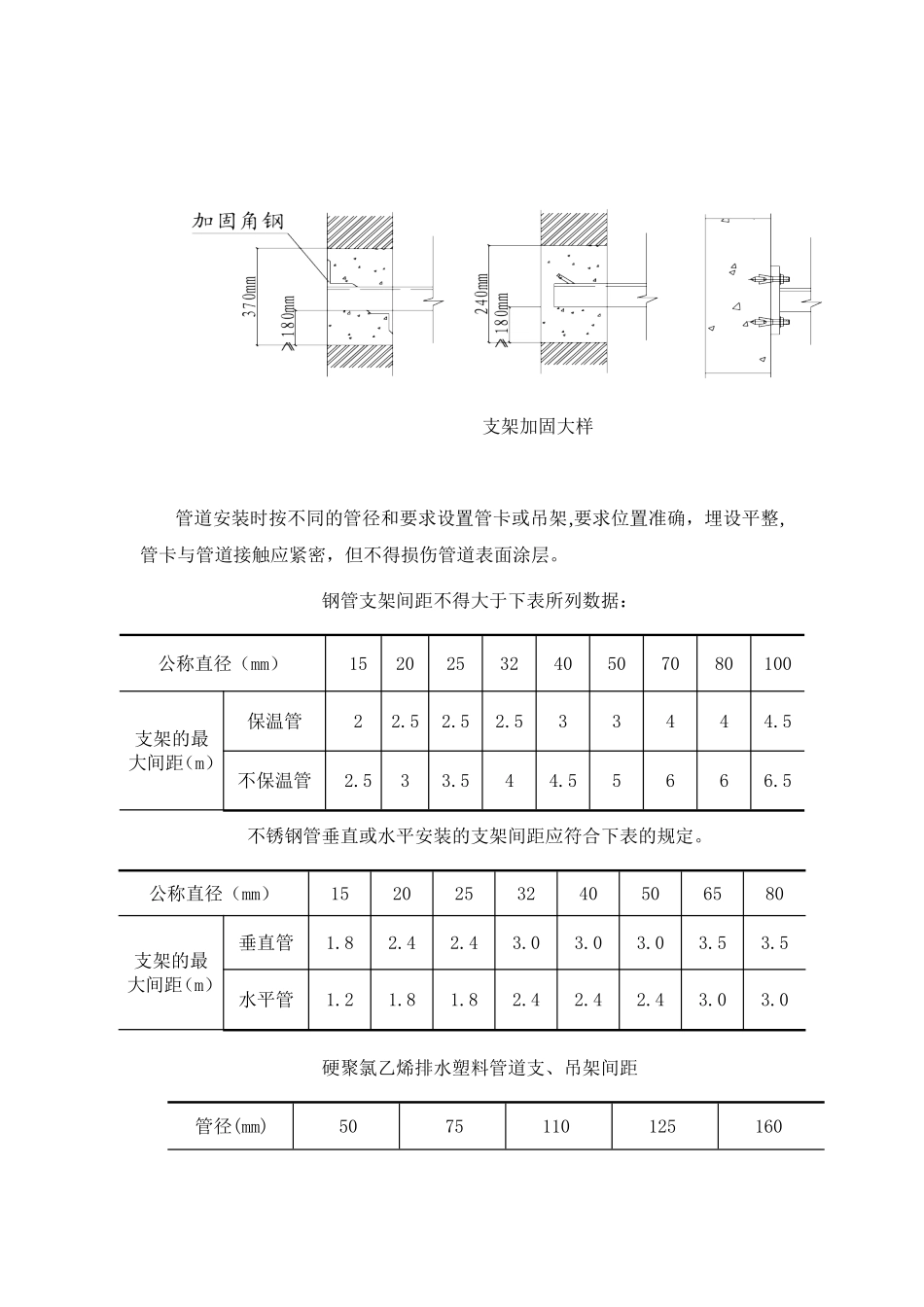
1.管道支、吊架制作安装所有管道的支吊架须符合规范要求并按照标准图集中的要求制作与安装。管道支架或管卡应固定在楼板上或承重结构上。应按设计要求或国家标准图集中对管道固定支架的型式进行选择。在墙体(标准砖、多孔砖)或轻型隔断墙等处不宜用膨胀螺栓式管卡。安装时在墙体中打孔洞后,按设计标高计算出两端管底高度,放出坡线,按间距画出支托架位置标记,剔凿墙洞,清理孔洞,将水泥砂浆填入洞深的一半,再将预制好的型钢托架插入洞内,用水泥砂浆把孔洞填实抹平。在轻型隔墙体中可采用先把管卡焊在扁钢(或根据支架荷载大小及墙体强度选用面积不同的钢板)上,然后再用一块扁钢(或钢板)前后用螺栓紧固并埋设于轻型隔断墙体中。管道支吊架生根采用如图所示形式:管道安装时按不同的管径和要求设置管卡或吊架,要求位置准确,埋设平整,管卡与管道接触应紧密,但不得损伤管道表面涂层。钢管支架间距不得大于下表所列数据:公称直径(mm)1520253240507080100支架的最大间距(m)保温管22.52.52.533444.5不保温管2.533.544.55666.5不锈钢管垂直或水平安装的支架间距应符合下表的规定。公称直径(mm)1520253240506580支架的最大间距(m)垂直管1.82.42.43.03.03.03.53.5水平管1.21.81.82.42.42.43.03.0硬聚氯乙烯排水塑料管道支、吊架间距管径(mm)5075110125160支架加固大样立管1.21.52.02.02.0横管0.50.751.101.301.62.水平管道支、吊、托架的安装,应符合下列规定:a.位置正确,埋设应平整牢固。b.固定支架与管道接触应紧密,固定应牢靠。如图所示:c.滑动支架应灵活,滑托与滑槽两侧间应留有3~5mm的间隙,纵向移动量应符合设计要求。d.无热伸长管道的吊架、吊杆应垂直安装。e.有热伸长的管道的吊架、吊杆应向热膨胀的反方向偏移。f.固定在建筑结构上的管道支、吊架不得影响结构的安全。3.立管卡安装:层高小于5米每层设一个管卡,层高大于5米每层设两个,管卡安装距地面1.5-1.8M,如果设两个管卡可均匀安装。4.管道支架制作安装采用机械切割,台钻钻孔,严禁气割。支吊架要满焊,安装采用预埋板或满足荷载要求的膨胀螺栓固定,确保牢固可靠。所有支吊架安装前必须做除锈、涂刷两遍防锈漆的防腐处理。5.热水管道与支吊架之间,应有绝热衬垫(承压强度能满足管道重量、不燃、难燃硬质绝热材料或经防腐处理的木衬垫),其厚度不应小于绝热层厚度,宽度应大于支、吊架支承面的宽度。衬垫的表面应平整、衬垫结合面的空隙应填实,如右上图:6.当水平支管的管架采用单管吊架时,应在管道的起始点、阀门、三通、弯头及长度每隔15米设置承重防晃支吊架;防晃吊架做法如右下图:7.管道坡度施工中管道坡度严格按照图纸要求安装。a.给水横干管以0.002-0.005坡度敷设,坡向立管或泄水装置。KK槽钢管卡垫块热水管道支架管卡示意图φ10≤60°管道防晃吊架大样φ10b.排水管道除施工图注明者外,按以下坡度安装:管道支撑件的间距,立管管径为50mm的,不得大于1.2m;管径大于或等于75mm的,不得大于2m;c.横管直线管段支撑件间距宜符合下表规定。d.热水管道按设计要求坡度设置,坡向立管。管径(mm)40507590110125160间距(m)0.40.50.750.901.101.251.6

1、当您付费下载文档后,您只拥有了使用权限,并不意味着购买了版权,文档只能用于自身使用,不得用于其他商业用途(如 [转卖]进行直接盈利或[编辑后售卖]进行间接盈利)。
2、本站所有内容均由合作方或网友上传,本站不对文档的完整性、权威性及其观点立场正确性做任何保证或承诺!文档内容仅供研究参考,付费前请自行鉴别。
3、如文档内容存在违规,或者侵犯商业秘密、侵犯著作权等,请点击“违规举报”。

碎片内容

管道吊支架的安装技术

您可能关注的文档

确认删除?
VIP
微信客服
  • 扫码咨询
会员Q群
  • 会员专属群点击这里加入QQ群
客服邮箱
回到顶部