电脑桌面
添加小米粒文库到电脑桌面
安装后可以在桌面快捷访问

工程技术复核单VIP免费

工程技术复核单_第1页
1/14
工程技术复核单_第2页
2/14
工程技术复核单_第3页
3/14
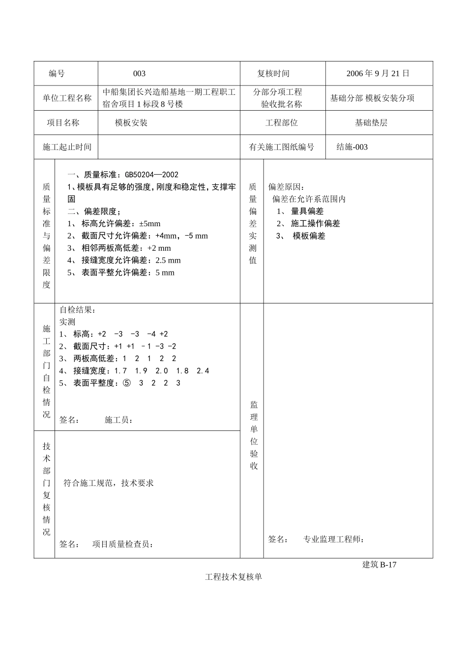
建筑B-17工程技术复核单编号001复核时间2006年9月16日单位工程名称中船集团长兴造船基地一期工程职工宿舍项目1标段8号楼分部分项工程验收批名称基础分部项目名称总平面/定位放线工程部位基础轴线标高施工起止时间有关施工图纸编号建施总-01结施-003质量标准与偏差限度一、质量标准:1、轴线:位置正确,不移位2、龙门板标高:正确一致二、偏差限度;1、轴线位移允许偏差:5mm2、标高允许偏差:±5mm质量偏差实测值允许偏差:在允许偏差范围内施工部门自检情况自检结果:实测偏差轴线21⑤34标高+2+4-2-3+2轴线位置正确、龙门板标高一致,符合设计要求签名:施工员:监理单位验收签名:专业监理工程师:技术部门复核情况符合施工规范,技术要求签名:项目质量检查员:建筑B-17工程技术复核单编号002复核时间2006年9月17日单位工程名称中船集团长兴造船基地一期工程职工宿舍项目1标段8号楼分部分项工程验收批名称基础分部土方开挖分项项目名称土方开挖灰线工程部位基础施工起止时间有关施工图纸编号结施-003质量标准与偏差限度一、质量标准:GB50202—20021、轴线:位置正确,不移位2、灰线:经放坡尺寸正确二、偏差限度;1、轴线位移允许偏差:5mm2、灰线长度、宽度允许偏差从设计中心线向两边量:+200、-50质量偏差实测值允许偏差:在允许偏差范围内施工部门自检情况自检结果:实测偏差轴线⑤1324灰线+25、+120、-55、+170轴线位置正确,放坡尺寸符合设计要求签名:施工员:监理单位验收签名:专业监理工程师:技术部门复核情况符合施工规范,技术要求签名:项目质量检查员:建筑B-17工程技术复核单编号003复核时间2006年9月21日单位工程名称中船集团长兴造船基地一期工程职工宿舍项目1标段8号楼分部分项工程验收批名称基础分部模板安装分项项目名称模板安装工程部位基础垫层施工起止时间有关施工图纸编号结施-003质量标准与偏差限度一、质量标准:GB50204—20021、模板具有足够的强度,刚度和稳定性,支撑牢固二、偏差限度;1、标高允许偏差:±5mm2、截面尺寸允许偏差:+4mm,-5mm3、相邻两板高低差:+2mm4、接缝宽度允许偏差:2.5mm5、表面平整允许偏差:5mm质量偏差实测值偏差原因:偏差在允许系范围内1、量具偏差2、施工操作偏差3、模板偏差施工部门自检情况自检结果:实测1、标高:+2-3-3-4+22、截面尺寸:+1+1–1-3-23、两板高低差:121224、接缝宽度:1.71.92.01.82.45、表面平整度:⑤3223签名:施工员:监理单位验收签名:专业监理工程师:技术部门复核情况符合施工规范,技术要求签名:项目质量检查员:建筑B-17工程技术复核单编号004复核时间2006年9月24日单位工程名称中船集团长兴造船基地一期工程职工宿舍项目1标段8号楼分部分项工程验收批名称基础分部基础轴线项目名称垫层上弹基础轴线工程部位基础1~13轴、A~E轴施工起止时间有关施工图纸编号结施-003质量标准与偏差限度一、质量标准:轴线:位置正确,不移位二、偏差限度;轴线位移允许偏差:5mm质量偏差实测值偏差:在允许偏差范围内施工部门自检情况自检结果:实测偏差轴线:4、3、2、3、2轴线位置正确、位移在允许偏差内,符合设计要求签名:施工员:监理单位验收签名:专业监理工程师:技术部门复核情况符合施工规范,技术要求签名:项目质量检查员:建筑B-17工程技术复核单编号005复核时间2006年10月10日单位工程名称中船集团长兴造船基地一期工程职工宿舍项目1标段8号楼分部分项工程验收批名称基础分部模板安装分项项目名称模板安装工程部位基础底板、梁施工起止时间有关施工图纸编号结施-003质量标准与偏差限度一、质量标准:GB50204—20021、模板具有足够的强度,刚度和稳定性,支撑牢固二、偏差限度;1、标高允许偏差:±5mm2、截面尺寸允许偏差:+4mm,-5mm3、相邻两板高低差:+2mm4、接缝宽度允许偏差:2.5mm5、表面平整允许偏差:5mm质量偏差实测值偏差原因:偏差在允许系范围内1、量具偏差2、施工操作偏差3、模板偏差施工部门自检情况自检结果:实测1、标高:+2-3-3-4+22、截面尺寸:+1+1–1-3-23、两板高低差:121224、接缝宽度:1.71.92.01.82.45、表面平整度:⑤3223签名:施工员:监理单位验收签...

1、当您付费下载文档后,您只拥有了使用权限,并不意味着购买了版权,文档只能用于自身使用,不得用于其他商业用途(如 [转卖]进行直接盈利或[编辑后售卖]进行间接盈利)。
2、本站所有内容均由合作方或网友上传,本站不对文档的完整性、权威性及其观点立场正确性做任何保证或承诺!文档内容仅供研究参考,付费前请自行鉴别。
3、如文档内容存在违规,或者侵犯商业秘密、侵犯著作权等,请点击“违规举报”。

碎片内容

工程技术复核单

确认删除?
VIP
微信客服
  • 扫码咨询
会员Q群
  • 会员专属群点击这里加入QQ群
客服邮箱
回到顶部