电脑桌面
添加小米粒文库到电脑桌面
安装后可以在桌面快捷访问

吊杆的材料选用和尺寸计算VIP免费

吊杆的材料选用和尺寸计算_第1页
1/4
吊杆的材料选用和尺寸计算_第2页
2/4
吊杆的材料选用和尺寸计算_第3页
3/4
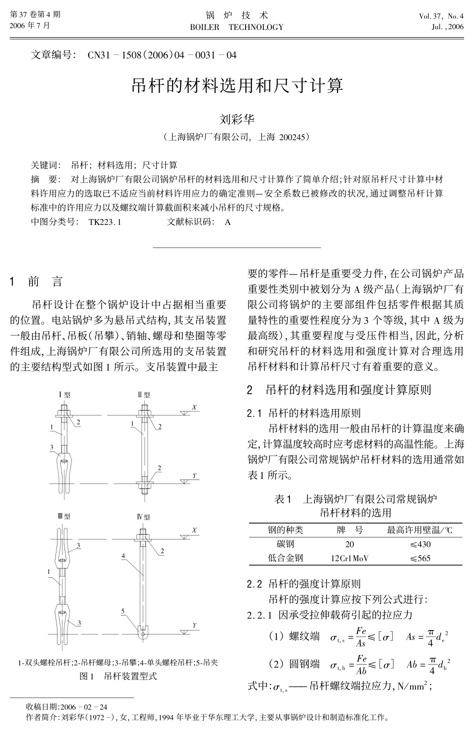
第!"卷第#期$%%&年"月’锅’炉’技’术()*+,-’.,/01)+)234567!",157#8967,$%%&收稿日期:$%%&%$$#作者简介:刘彩华(:;"$),女,工程师,:;;#年毕业于华东理工大学,主要从事锅炉设计和制造标准化工作。’’文章编号:’/1!::<%=($%%&)%#%%!:%#吊杆的材料选用和尺寸计算刘彩华(上海锅炉厂有限公司,上海$%%$#<)关键词:’吊杆;材料选用;尺寸计算摘’要:’对上海锅炉厂有限公司锅炉吊杆的材料选用和尺寸计算作了简单介绍;针对原吊杆尺寸计算中材料许用应力的选取已不适应当前材料许用应力的确定准则—安全系数已被修改的状况,通过调整吊杆计算标准中的许用应力以及螺纹端计算截面积来减小吊杆的尺寸规格。中图分类号:’!"$$!#:’’’’’文献标识码:’$!"前"言’’吊杆设计在整个锅炉设计中占据相当重要的位置。电站锅炉多为悬吊式结构,其支吊装置一般由吊杆、吊板(吊攀)、销轴、螺母和垫圈等零件组成,上海锅炉厂有限公司所选用的支吊装置的主要结构型式如图:所示。支吊装置中最主:>双头螺栓吊杆;$>吊杆螺母;!>吊攀;#>单头螺栓吊杆;<>吊夹图:’吊杆装置型式要的零件—吊杆是重要受力件,在公司锅炉产品重要性类别中被划分为?级产品(上海锅炉厂有限公司将锅炉的主要部组件包括零件根据其质量特性的重要性程度分为!个等级,其中?级为最高级),其重要程度与受压件相当,因此,分析和研究吊杆的材料选用和强度计算对合理选用吊杆材料和计算吊杆尺寸有着重要的意义。#"吊杆的材料选用和强度计算原则#$!吊杆的材料选用原则’’吊杆材料的选用一般由吊杆的计算温度来确定,计算温度较高时应考虑材料的高温性能。上海锅炉厂有限公司常规锅炉吊杆材料的选用通常如表:所示。表!"上海锅炉厂有限公司常规锅炉吊杆材料的选用钢的种类牌’号最高许用壁温@A碳钢$%"#!%低合金钢:$/B:C54"<&<#$#吊杆的强度计算原则’’吊杆的强度计算应按下列公式进行:$7$7:因承受拉伸载荷引起的拉应力(:)螺纹端’!D,EF!"#$"[!]’#$F!#%G$($)圆钢端’!D,HF!"#&"[!]’#&F!#%H$式中:!D,E———吊杆螺纹端拉应力,1@II$;锅!炉!技!术!!第"#卷!$,%———吊杆圆钢端拉应力,&’(();[!]———吊杆材料在计算温度下的许用应力,&’(();!"———吊杆的计算载荷,&;#$———螺纹端计算截面积,(();#%———圆钢端计算截面积,(();&*———螺纹有效直径,((;&%———圆钢公称直径,((。)+)+)因热膨胀或预位移引起的弯曲应力(,)螺纹端!-,./’$($())圆钢端!-,%/’%(%式中:!-,.———吊杆螺纹端弯曲应力,&’(();!-,%———吊杆圆钢端弯曲应力,&’(();’$———吊杆螺纹端弯矩,&·((;’%———吊杆圆钢端弯矩,&·((;($———吊杆螺纹端截面系数,((";(%———吊杆圆钢端截面系数,(("。)+)+"当吊杆承受弯曲应力时,除按)+)+,中的公式校核吊杆的拉应力外,还应校核吊杆的组合应力,应符合如下公式!$,%0!-,%")[!]式中:)———组合应力系数,当不计热膨胀弯曲应力时,)/,。由于吊杆设计时往往已给予吊杆热膨胀和预位移足够的空间,因此大多数场合下,可不计热弯曲应力。上海锅炉厂有限公司设计的吊杆形式通常为在圆钢的一端或两端车制螺纹,圆钢端的计算截面积#%要大于螺纹端的计算截面积#$,所以,对吊杆的强度计算可简化为对其螺纹端的拉应力计算。由吊杆螺纹端承受的拉应力公式!$,./!"#$"[!],#$/!1&*)可知,对应于一定的载荷,影响吊杆规格尺寸的因素有两个:许用应力[!]和螺纹端计算截面积#$的选取。!"吊杆尺寸计算标准!#$原吊杆尺寸计算标准!!上海锅炉厂有限公司的吊杆尺寸是按原23公司(美国燃烧工程公司)引进技术中吊杆设计标准来计算的。在计算过程中,根据23公司吊杆设计准则并结合国产吊杆材料)4、,)25,-67的性能特性,将其许用应力[!]转化成遵循89-3标准体系的许用应力值,同时考虑到螺纹部分由于应力集中引起强度削弱的原因,参照美国-999:;<=《管道吊架和支架———材料、设计和制造》的规定,对该许用应力值降低)<>;而螺纹端计算截面积#$则按23公司吊杆设计标准中的公式:&*/&;,+)??",#$/!1(&;,+)??*))式中:&———螺纹公称直径;*...

1、当您付费下载文档后,您只拥有了使用权限,并不意味着购买了版权,文档只能用于自身使用,不得用于其他商业用途(如 [转卖]进行直接盈利或[编辑后售卖]进行间接盈利)。
2、本站所有内容均由合作方或网友上传,本站不对文档的完整性、权威性及其观点立场正确性做任何保证或承诺!文档内容仅供研究参考,付费前请自行鉴别。
3、如文档内容存在违规,或者侵犯商业秘密、侵犯著作权等,请点击“违规举报”。

碎片内容

吊杆的材料选用和尺寸计算

您可能关注的文档

确认删除?
VIP
微信客服
  • 扫码咨询
会员Q群
  • 会员专属群点击这里加入QQ群
客服邮箱
回到顶部