电脑桌面
添加小米粒文库到电脑桌面
安装后可以在桌面快捷访问

洁净室人员行为规范VIP免费

洁净室人员行为规范_第1页
1/6
洁净室人员行为规范_第2页
2/6
洁净室人员行为规范_第3页
3/6
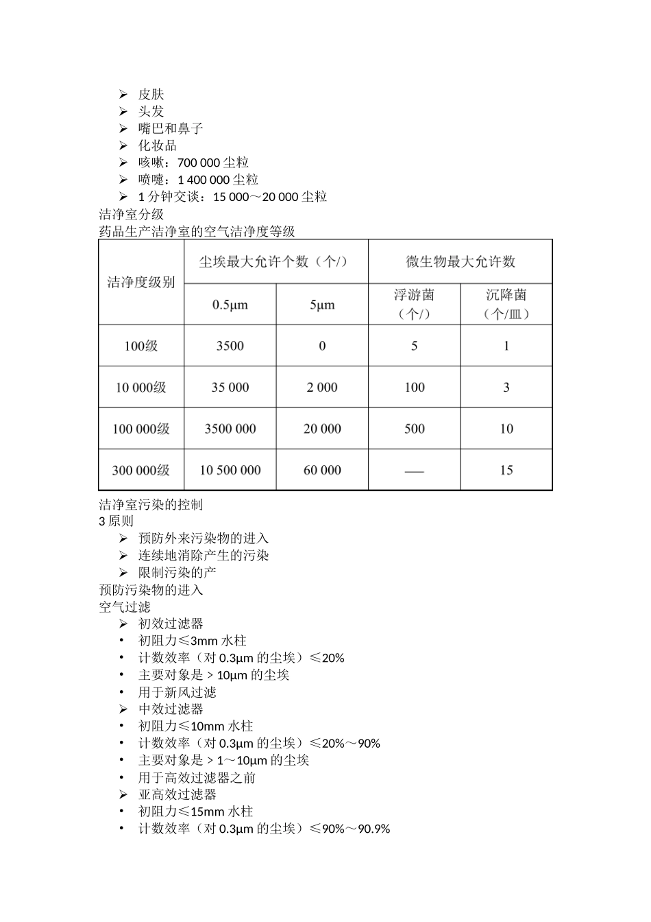
洁净室人员行为规范洁净室的清洁及消毒洁净室的清洁及消毒洁净室的设计特点洁净室的污染来源污染的控制清洁计划洁净室清洁三原则消毒剂的选择清洁程序洁净室的验证及监测洁净室的特点表面光滑、易于清洁、无死角;不同洁净度级别的房间有足够的压差;天花板密封;100级区无地漏、其它区域地漏应液封;设置更衣室;更衣室安装过滤器;更衣室的洁净度级别与高级别的房间相同;门设计成连锁;HVAC系统有报警装置;气流流型有效。洁净室污染的来源活性尘埃、非活性尘埃的污染污染物的来源-外部空气人和工业活动•空气中,地面行驶的车辆占5.7%的灰尘•采石、炼钢、水泥制造和面粉等生产的工业性粉尘占34%•燃烧如汽车尾气、火力发电厂排出的烟尘、木材燃烧的烟雾占57%•自然现象:风、火山喷发、海啸等•动植物:花粉、腐败物、孢子、微生物、头发、皮肤未经任何处理的外部空气5×108~1×1010particles>0.1μm/m3污染物的来源-物品原材料水其它物品等污染物的来源-设备、厂房设备•金属粒子•氧化物其他污染物污染物的来源-工作人员服装皮肤头发嘴巴和鼻子化妆品咳嗽:700000尘粒喷嚏:1400000尘粒1分钟交谈:15000~20000尘粒洁净室分级药品生产洁净室的空气洁净度等级洁净室污染的控制3原则预防外来污染物的进入连续地消除产生的污染限制污染的产预防污染物的进入空气过滤初效过滤器•初阻力≤3mm水柱•计数效率(对0.3μm的尘埃)≤20%•主要对象是﹥10μm的尘埃•用于新风过滤中效过滤器•初阻力≤10mm水柱•计数效率(对0.3μm的尘埃)≤20%~90%•主要对象是﹥1~10μm的尘埃•用于高效过滤器之前亚高效过滤器•初阻力≤15mm水柱•计数效率(对0.3μm的尘埃)≤90%~90.9%•主要对象是﹤5μm的尘埃高效过滤器•初阻力≤25mm水柱•计数效率(对0.3μm的尘埃)≥99.97%•主要对象是﹤1μm的尘埃对细菌的穿透率为0.0001%,对病毒的穿透率为0.0036%,所以,通过高效过滤器的空气可视为无菌气锁2个功能预防污染物的进入人流、物流不破坏压差灭菌种类湿热灭菌干热灭菌射线环氧乙烷无菌过滤连续地消除产生的污染考虑输入的过滤空气量与房间的体积唤起次数•≥20次/hour(10000级)•≥15次/hour(100000级)流型必须持续地排除被污染的空气预防涡流层流水平层流垂直层流安全柜•负压,前面部分敞开•保护操作者环境•生物风险低或中等•也保护产品•在操作和操作者之间产生一道屏障•保护操作,空气单向向下流动•安装高效过滤器保护环境限制污染的产生人员着装保护药品不被人员的污染无菌服,维护良好并正确穿戴•无破缝,无污迹•系好衣扣•无头发或衣服外漏100000级区的着装盖住头发和胡须10万级专用工作服专用鞋或鞋套10000级区的着装罩住头发和胡须紧袖口高领工作衣、裤或连体工作服专用鞋或鞋套材料不产生尘粒无私人衣服100级区着装兜帽口罩无尘灭菌手套灭菌工作鞋材料不脱落尘粒无私人衣服每次进入更换灭菌工作服更衣SOP书面描述严格执行更衣程序换鞋脱衣洗手戴帽戴口罩穿洁净工作服镜前检查着装洗手戴工作手套戴保护镜消毒手套进入洁净室在无菌区的工作必需人员方可进入无菌区不快速移动避免不必要的移动避免从层流区附近走过,至少离开1米所有掉在地面上的物品均应认为已被污染接触物品前应对手套消毒不要触摸口罩揉鼻子去更衣室揉鼻子更换手套和口罩在洁净区的工作不要坐着不要靠住肘部不要在层流下面的工作台上休息休息时,站着•手臂顺着身体下垂•不要把双手放在臀部休息时,坐着•双手放在膝盖上•不要交叉双手或双脚在洁净室的行为正确的行为(续)•搬运物料时,总是将手放在其底部;•搬运物料时总是放在腰部以上位置以减少污染;•总是戴上口罩以减少来自口腔的污染;•机械和设备的维修保养必须有规律地进行;•洁净室和洁净室内物品的清洁是很重要的;•操作人员必须始终保持其工作区清洁和整齐。在洁净室的行为良好的行为很关键,记住:•穿着...

1、当您付费下载文档后,您只拥有了使用权限,并不意味着购买了版权,文档只能用于自身使用,不得用于其他商业用途(如 [转卖]进行直接盈利或[编辑后售卖]进行间接盈利)。
2、本站所有内容均由合作方或网友上传,本站不对文档的完整性、权威性及其观点立场正确性做任何保证或承诺!文档内容仅供研究参考,付费前请自行鉴别。
3、如文档内容存在违规,或者侵犯商业秘密、侵犯著作权等,请点击“违规举报”。

碎片内容

洁净室人员行为规范

确认删除?
VIP
微信客服
  • 扫码咨询
会员Q群
  • 会员专属群点击这里加入QQ群
客服邮箱
回到顶部