电脑桌面
添加小米粒文库到电脑桌面
安装后可以在桌面快捷访问

机械基础-螺纹VIP免费

机械基础-螺纹_第1页
1/7
机械基础-螺纹_第2页
2/7
机械基础-螺纹_第3页
3/7
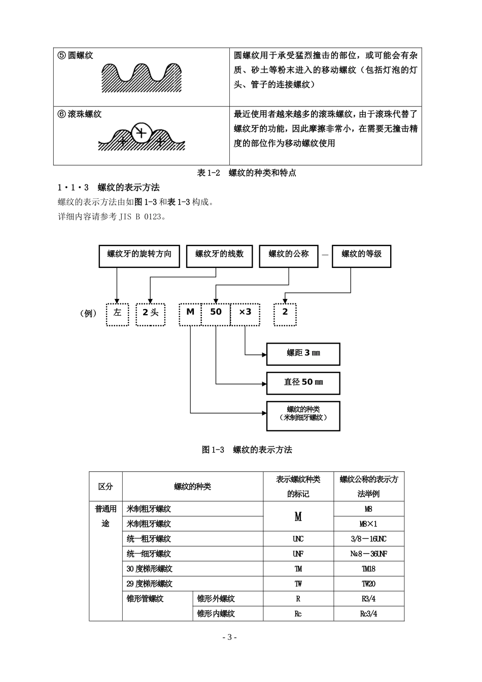
机械基础1螺纹1・1螺纹的种类和特征1・1・1螺纹的基础(1)螺纹升角和牙型角的关系将直角三角形的纸张卷到圆柱上时,该直角三角形的斜边形成的曲线呈螺旋状,我们把这称为螺旋线。如图1-1所示,这时的β角称为螺纹升角或螺旋角,表示螺旋线的倾斜程度。而牙型角是指螺纹牙型螺旋线和穿过其上方1点的与螺轴平行的直线所形成的角度α。它们之间有着螺旋升角+牙型角=90°的关系。(2)内螺纹和外螺纹沿着螺旋线在圆柱表面切割出来的沟槽就是外螺纹,在圆柱内侧切割出来的沟槽就是内螺纹。(3)单头螺纹和多头螺纹由1根螺旋线形成的螺纹叫做单头螺纹,由2根形成的螺纹叫做双头螺纹。通常我们把由多根螺旋线形成的螺纹叫做多头螺纹。(4)导程和螺距相邻的两个螺纹牙型的中心线之间的距离叫做螺距,螺纹的轴向行进距离叫做导程(图1-2)。如果设导程为L,螺距为P,线数为n,则三者之间的关系为L=n×P。由上可以得出,如果采用多头螺纹,可以较少的转数较快地拧紧。(5)有效直径是指螺纹的牙型部分和沟槽部分的尺寸相等的假设圆柱的直径,它是计算螺纹的紧固力和强度或进行精密测量时的基本尺寸。如果螺纹的外径相同,则螺距越大,有效直径越小。1・1・2螺纹的种类、形状和用途三角螺纹是螺纹中最具有代表性的一种,不过对于管螺纹、梯形螺纹的形状和特点也要充分理解并牢记(表1-1、1-2)。-1-螺旋线牙型角螺旋线的切线の接線螺旋升角轴线螺纹槽螺纹牙型螺纹螺距螺距导程螺纹各个部分的名称(2头,右旋,平行外螺纹的情况)图1-1螺旋升角和牙型角图1-2导程和螺距名称螺纹牙型角度螺纹的形状螺距单位标称直径的尺寸表示方法牙顶槽底米制螺纹60°平面圆形㎜㎜粗牙M10M10×1.25细牙M10×1M10×0.75英制螺纹统一螺纹60°平面圆形山数英寸编号或英寸粗牙3/8-16UNC细牙№8-16UNF威氏螺纹55°圆形圆形山数英寸粗牙英寸细牙㎜粗牙W3/8细牙W18山14表1-1三角螺纹的种类和特点螺纹的种类特点①三角螺纹螺纹牙强度高,摩擦大,因此螺纹的松动小,适合作为紧固螺纹使用。但同时它的效率较差,不适合用于力的传递。管螺纹中,通常螺纹牙的角度为55°,是威氏螺纹粗牙的牙型,将管与管连接的原则是,对于平行外螺纹应使用平行内螺纹,对于锥形外螺纹(R)应使用锥形内螺纹(Rc)或平行内螺纹(Rp)②梯形螺纹与三角螺纹相比,其强度性能优异,适合于力的传递和零件的移动,易于作业,用于机床的丝杠、开关阀门用的螺纹、千斤顶、冲压机的螺杆等。其缺点是,螺纹会有自然的回力,因此不适合作为紧固螺纹③矩形螺纹与三角螺纹相比,摩擦小,因此适合于移动、传动使用,但难以进行精密作业,因此并不普遍。不用于车床的丝杠。螺纹的角是直角,对中性差.④锯齿形螺纹用于轴向的力作用于单个方向的地方(用于台虎钳、千斤顶)-2-内螺纹外螺纹内螺纹内螺纹外螺纹29度梯形螺纹(威氏螺纹类)外螺纹30度梯形螺纹(米制螺纹类)⑤圆螺纹圆螺纹用于承受猛烈撞击的部位,或可能会有杂质、砂土等粉末进入的移动螺纹(包括灯泡的灯头、管子的连接螺纹)⑥滚珠螺纹最近使用者越来越多的滚珠螺纹,由于滚珠代替了螺纹牙的功能,因此摩擦非常小,在需要无撞击精度的部位作为移动螺纹使用表1-2螺纹的种类和特点1・1・3螺纹的表示方法螺纹的表示方法由如图1-3和表1-3构成。详细内容请参考JISB0123。图1-3螺纹的表示方法区分螺纹的种类表示螺纹种类的标记螺纹公称的表示方法举例普通用途米制粗牙螺纹MM8米制粗牙螺纹M8×1统一粗牙螺纹UNC3/8-16UNC统一细牙螺纹UNF№8-36UNF30度梯形螺纹TMTM1829度梯形螺纹TWTW20锥形管螺纹锥形外螺纹RR3/4锥形内螺纹RcRc3/4-3-螺纹牙的旋转方向螺纹牙的线数螺纹的公称螺纹的等级左2头M50×32(例)螺距3㎜直径50㎜螺纹的种类(米制细牙螺纹)-平行内螺纹RpRp3/4平行管螺纹GG1/2特殊用途薄钢电线管螺纹CC15自行车螺纹普通用途BCBC3/4条幅用BC2.6缝纫机用螺纹SMSM1/4螺纹牙40灯泡螺纹EE10汽车用气阀螺纹TVTV8汽车用气阀螺纹CTVCTV8螺纹牙30表1-3表示螺纹种类的标记和螺纹公称的表示方法举例1・1・4用于联接的螺纹联接件的种类JIS中所规定的具有代表性的螺纹联接件种类我们汇总...

1、当您付费下载文档后,您只拥有了使用权限,并不意味着购买了版权,文档只能用于自身使用,不得用于其他商业用途(如 [转卖]进行直接盈利或[编辑后售卖]进行间接盈利)。
2、本站所有内容均由合作方或网友上传,本站不对文档的完整性、权威性及其观点立场正确性做任何保证或承诺!文档内容仅供研究参考,付费前请自行鉴别。
3、如文档内容存在违规,或者侵犯商业秘密、侵犯著作权等,请点击“违规举报”。

碎片内容

机械基础-螺纹

您可能关注的文档

书海行舟+ 关注
实名认证
内容提供者

热爱教学事业,对互联网知识分享很感兴趣

确认删除?
VIP
微信客服
  • 扫码咨询
会员Q群
  • 会员专属群点击这里加入QQ群
客服邮箱
回到顶部