电脑桌面
添加小米粒文库到电脑桌面
安装后可以在桌面快捷访问

人造砂岩施工工艺VIP免费

人造砂岩施工工艺_第1页
1/7
人造砂岩施工工艺_第2页
2/7
人造砂岩施工工艺_第3页
3/7
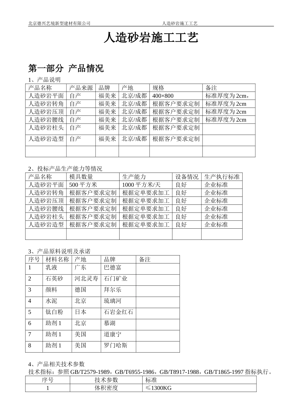
北京德兴艺境新型建材有限公司人造砂岩施工工艺人造砂岩施工工艺第一部分产品情况1、产品说明产品名称产品来源品牌产地规格备注人造砂岩平面自产福美来北京/成都400×800标准厚度为2cm,人造砂岩转角自产福美来北京/成都根据客户要求定制标准厚度为2cm人造砂岩压顶自产福美来北京/成都根据客户要求定制标准厚度为2cm人造砂岩腰线自产福美来北京/成都根据客户要求定制标准厚度为2cm人造砂岩柱头自产福美来北京/成都根据客户要求定制人造砂岩造型自产福美来北京/成都根据客户要求定制2、投标产品生产能力等情况产品名称模具数量生产能力设备情况生产执行标准人造砂岩平面500平方米1000平方米/天良好企业标准人造砂岩转角根据客户要求定制根据定单要求加工良好企业标准人造砂岩压顶根据客户要求定制根据定单要求加工良好企业标准人造砂岩腰线根据客户要求定制根据定单要求加工良好企业标准人造砂岩柱头根据客户要求定制根据定单要求加工良好企业标准人造砂岩造型根据客户要求定制根据定单要求加工良好企业标准3、产品原料说明及承诺序号材料名称产地品牌备注1乳液广东巴德富2石英砂河北灵寿石门矿业3颜料德国拜尔乐4水泥北京琉璃河5钛白粉日本石岩金红石6助剂1北京慕湖7助剂1美国道康宁8助剂1美国罗门哈斯4、产品相关技术参数技术指标:参照GB/T2579-1989,GB/T6955-1986,GB/T8917-1988,GB/T1865-1997指标执行。序号技术参数标准1体积密度≤1300KG北京德兴艺境新型建材有限公司人造砂岩施工工艺2平米重量≤50KG3抗冻性能50次冻溶循环无剥落,无断裂4吸水率≤4%5抗折强度≥11MPa6防火指标不可燃7耐化学腐蚀性能A级8泛霜性浸水7天无泛霜9人工老化150小时无明显变化5、投标产品质量特点及描述福美来品牌的产品全部由福美来公司独立研发(申请专利中)和生产完成,不存在OutSourcing(别人代工)问题,这就保证整个体系的产品相容性非常匹配。福美来人造砂岩核心技术原理完全模拟天然砂岩生成环境,应用现代顶尖技术,高温高压,再造地质运动时岩浆翻滚流动产生的空隙与气泡,把复合高分子材料进行高密度的渗透,高温熔融而成,完美再现天然砂岩纹路流畅、色彩柔和、表里如一的质感以及天然孔洞。产品特点高度仿真质感丰富,条理清晰,孔洞大小梳密随机生成,装饰效果变化莫测;性能超强表面强度高不易留下刮痕,抗老化、防水、防火、耐腐蚀,易清洁适合于各种环境。气度非凡尊贵至尚,时尚品位,于细腻与粗旷中透显出古朴典雅的自由气质;混搭专家表现力强,不同的砂岩能塑造出不同的经典设计风尚,也可与不同材料搭配成各种个性空间吸音静心孔洞具有吸音功能,能减少回声,消除杂音,能令人心情舒畅;体轻,易于安装。我公司所生产的人造砂岩板一平方米重量是≤35KG。无毒,无放射性。原材料全部采用环保材料。6、人造砂岩的优势与天然砂岩比在质量上不会风化,不存在色差,不存在数量限制;与玻璃钢造砂岩比耐候性更长久,不会出现褪色、掉色现象,强度更高;在色彩上可以根据设计师的要求定制;在安装上可以直接用水泥沙浆或者是石材/瓷砖粘接剂粘贴,不需要干挂,减少安装成本,而且更加牢固;第二部分产品施工方案北京德兴艺境新型建材有限公司人造砂岩施工工艺根据客户要求,结合基面状况及产品特性;具体方案如下:产品加工及安装工艺流程1、按照甲方工程、设计提供的图纸,制作模具。2、严格按照图纸编排施工工艺表。3、工件加工前,制作相应模具,以降低人为误差的影响。4、备料:严格按照高质量高标准的要求,购买各种原材料。5、根据图纸和现场做好尺寸和数量统计。6、模具加工严格按照规范,缩小误差。7、产品成型后经半成品检验合格,方可进行下一道工序。8、进行成品检验,不合格产品退厂返修。9、合格产品运抵施工现场后,报甲方、监理检验验收。10、基面检查与验收11、基面处理检查基面的空鼓、开裂、剥落等缺陷,并提出处理意见;坚持基面的线条水平垂直、滴水线、泛水坡等情况,如有不符合规范要求,向甲方提出通知,由相关方做出整改处理;检查基面的污染、返碱及角手架情况。注:基面检查与验收应由甲方、总包方及施工方等相关部门进行,验收合格后,并填写验收报...

1、当您付费下载文档后,您只拥有了使用权限,并不意味着购买了版权,文档只能用于自身使用,不得用于其他商业用途(如 [转卖]进行直接盈利或[编辑后售卖]进行间接盈利)。
2、本站所有内容均由合作方或网友上传,本站不对文档的完整性、权威性及其观点立场正确性做任何保证或承诺!文档内容仅供研究参考,付费前请自行鉴别。
3、如文档内容存在违规,或者侵犯商业秘密、侵犯著作权等,请点击“违规举报”。

碎片内容

人造砂岩施工工艺

确认删除?
VIP
微信客服
  • 扫码咨询
会员Q群
  • 会员专属群点击这里加入QQ群
客服邮箱
回到顶部