电脑桌面
添加小米粒文库到电脑桌面
安装后可以在桌面快捷访问

油罐防腐涂层设计及防腐涂装施工方案VIP专享VIP免费

油罐防腐涂层设计及防腐涂装施工方案_第1页
1/6
油罐防腐涂层设计及防腐涂装施工方案_第2页
2/6
油罐防腐涂层设计及防腐涂装施工方案_第3页
3/6
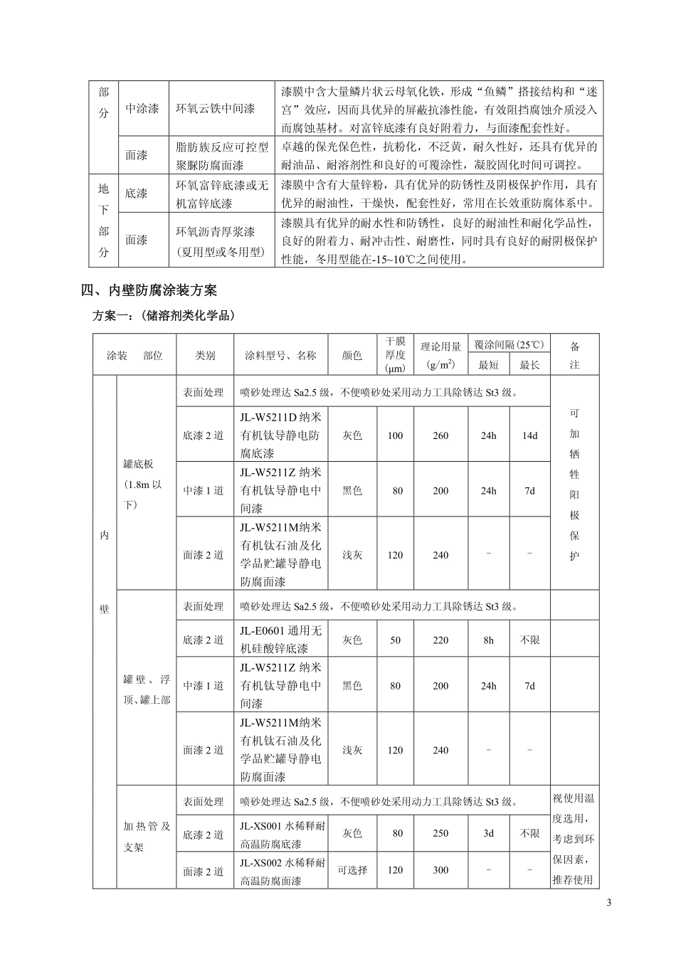
1石油及化学品贮罐内壁防腐涂层配套设计方案(江苏金陵特种涂料研究所设计)一、前言随着我国国民经济的快速发展,石油及石油制品日益成为主要的能源和化工原料。石油从原油开采、运输、贮存、加工都需要大量的贮罐。中国石化总公司制定的《加工高含硫原油贮罐防护技术管理规定》对原油贮罐内外壁防腐提出了整套防护方案,本防腐涂装设计及施工方案正是参照这一规定,结合本公司生产的相关防腐涂料的性能特点而编写。二、原油罐内外壁防腐蚀环境及要求1.内壁区域腐蚀环境防腐蚀要求罐底区(1.8米以下部位)底部滞留析出水,不同的油质析出水可能呈酸性可碱性,由于析出水的作用,钢材腐蚀严重,主要为溃疡状坑点腐蚀,有可能形成穿孔,是油罐腐蚀最严重的区域。1.按中石化《规定》方案,无导静电涂料强制要求。2.涂层屏蔽抗渗透性要好,避免介质渗透造成膜下腐蚀。3.避免采用电位大于铁的导电材料造成铁作为阳极而造成电化学腐蚀。罐壁区直接与油品接触,油品中可能含有水及各种酸、碱、盐等电解质,引起电化学腐蚀,特别是油水及油气交界面,为均匀点蚀,罐壁区的腐蚀较轻。1.涂层表面电阻率应在105~108Ω之间,以防止静电积集,保证油品安全。2.防止钢材的腐蚀。3.涂料对油质无损害。罐顶区不直接与油品接触,但受氧气、水汽、硫化氢等气体腐蚀。腐蚀程度较罐壁区严重。1.涂膜表面电阻率应在105~108Ω之间,以防止静电积集,保证油品安全。2.耐化工气体腐蚀性优异。3.涂料对油质无损害。2.外壁区域腐蚀环境防腐蚀要求地上部分(罐壁及罐顶外壁)处于户外大气腐蚀环境下,如海边大气腐蚀环境,炼油厂化工大气腐蚀环境等。1.应有较长的防护寿命(10年以上)。2.面漆应具有良好的耐油性、耐沾污性,外观漂亮、醒目,有较好的装饰和标志效果,保光保色性佳。3.为满足长期使用要求,面漆应易于覆涂和维修。地下部分(罐底外部)埋于地下,处于潮湿环境中,受土壤中水份和微生物腐蚀。1.涂层防锈性、耐水性、耐油性要好。2.应具有良好的耐阴极保护性能。2三、设计原则本方案遵循“科学、合理、清洁、环保、安全、可靠、经济、适用”的设计原则,采用高新技术产品“纳米有机钛高分子合金涂料”做涂层配套设计。本设计方案是经过长久科学试验获得的可行性依据。1996年采用本设计方案,在青岛炼油厂4个10000m3石油化学污水处理贮罐上做应用试验,使用至今仍完好无损;1997年在广东茂名三十万吨乙烯工程的4个10000m3乙二醇和苯乙烯贮罐上做应用试验,也使用至今而完好无损。从而验证了新材料、新产品在石油化工防腐蚀技术领域应用,具有传统防腐涂层材料不可替代的先进性。四、石油贮罐选用防腐蚀涂料依据1.内壁用导静电涂料根据GB13348-92《液体石油产品静电安全规程》、GB15599-95《石油和石油设施雷电安全规范》,要求原油罐内壁使用导静电涂料,GB6950-2001《石油罐导静电涂料技术指标》要求按标准GB/T16906-1997《石油罐导静电涂料电阻率测定法》检测,石油贮罐导静电涂料的表面电阻率应为105Ω<ps<108Ω。目前用于贮油罐内壁涂装的导静电涂料按导电介质来分类,计有以下几种:导电介质导电金属粉体黑色的本征导电聚合物性能特点1.颜色受金属粉体颜色所限制。2.本设计涂层材料导电金属为纳米钛粉。3.如采用电极电位高于钢材的金属粉末作为导电介质,与钢铁基材直接接触时,形成电化学腐蚀,使钢铁作为阳极而加速腐蚀。4.采用电位低于钢材的金属粉末(如锌粉)作为导电介质,对钢材有阴极保护防锈作用。1.颜色受限,只能制成深色漆。2.由于其电极电位高于钢材,与钢材直接接触时,形成电化学腐蚀,使钢铁作为阳极而加速腐蚀。3.由于其吸油量高,当导电性要求高时,加量大,漆膜较疏松,屏蔽性、抗渗透性下降,引起膜下腐蚀,防锈性不佳。相关对应产品JL7040无机硅酸锌车间底漆JL7041无机硅酸锌防锈漆JL7020环氧富锌车间底漆JL7021环氧富锌防锈漆E0601通用无机硅酸锌底漆JL-W5211D灰色石油及化学品贮罐导静电纳米有机钛防腐底漆JL-W5211Z黑色石油及化学品贮罐导静电纳米有机钛中间漆JL-W5211M浅灰石油及化学品贮罐导静电纳米有机钛防腐面漆2.外壁用防腐涂料考虑到原油罐多处于海边腐蚀性很强的海...

1、当您付费下载文档后,您只拥有了使用权限,并不意味着购买了版权,文档只能用于自身使用,不得用于其他商业用途(如 [转卖]进行直接盈利或[编辑后售卖]进行间接盈利)。
2、本站所有内容均由合作方或网友上传,本站不对文档的完整性、权威性及其观点立场正确性做任何保证或承诺!文档内容仅供研究参考,付费前请自行鉴别。
3、如文档内容存在违规,或者侵犯商业秘密、侵犯著作权等,请点击“违规举报”。

碎片内容

油罐防腐涂层设计及防腐涂装施工方案

确认删除?
VIP
微信客服
  • 扫码咨询
会员Q群
  • 会员专属群点击这里加入QQ群
客服邮箱
回到顶部