电脑桌面
添加小米粒文库到电脑桌面
安装后可以在桌面快捷访问

技术交底(汽车坡道回填土)VIP免费

技术交底(汽车坡道回填土)_第1页
1/5
技术交底(汽车坡道回填土)_第2页
2/5
技术交底(汽车坡道回填土)_第3页
3/5
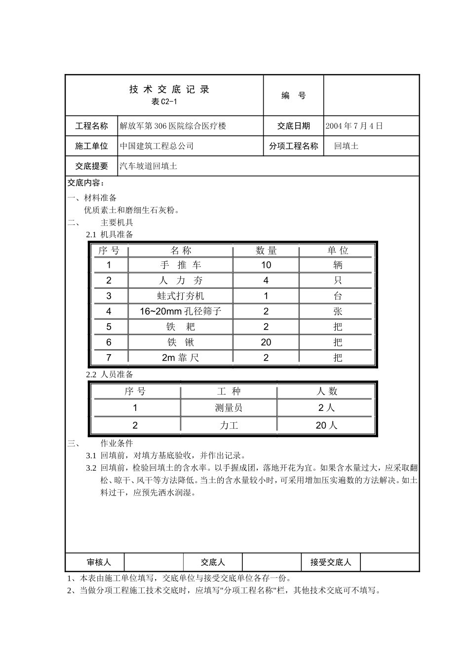
技术交底记录表C2-1编号工程名称解放军第306医院综合医疗楼交底日期2004年7月4日施工单位中国建筑工程总公司分项工程名称回填土交底提要汽车坡道回填土交底内容:一、材料准备优质素土和磨细生石灰粉。二、主要机具2.1机具准备序号名称数量单位1手推车10辆2人力夯4只3蛙式打夯机1台416~20mm孔径筛子2张5铁耙2把6铁锹20把72m靠尺2把2.2人员准备序号工种人数1测量员2人2力工20人三、作业条件3.1回填前,对填方基底验收,并作出记录。3.2回填前,检验回填土的含水率。以手握成团,落地开花为宜。如果含水量过大,应采取翻松、晾干、风干等方法降低。当土的含水量较小时,可采用增加压实遍数的方法解决。如土料过干,应预先洒水润湿。审核人交底人接受交底人1、本表由施工单位填写,交底单位与接受交底单位各存一份。2、当做分项工程施工技术交底时,应填写"分项工程名称"栏,其他技术交底可不填写。技术交底记录表C2-1编号工程名称解放军第306医院综合医疗楼交底日期2004年7月4日施工单位中国建筑工程总公司分项工程名称回填土交底提要汽车坡道回填土交底内容:3.3基坑回填时,需外墙防水卷材施工完毕并经有关人员验收合格;防水保护层施工完毕并经验收合格。四、操作工艺4.1填土前将基坑的垃圾杂物等清理干净;基坑回填,必须清理到基础底面标高,将回落的松散土、砂浆、石子等杂物清除干净。4.2土质检验:填土采用粉质粘土,对所进场土质抽样检验。不得用淤泥和淤泥质土、细砂、粉砂做回填用料;检验回填土的含水率是否在控制范围内,试验责任师可通过击实试验测定最优含水率与相应的最大干密度,施工含水率与最优含水率之差控制在-4%~+2%范围内;如含水率偏高,可以采用翻松、晾晒或均匀掺入干土、白灰等措施;如填土含水率低,可采用预先洒水润湿等措施,使回填土手推成团,落地松散为宜。回填土中不得掺杂有机物、垃圾等杂物。4.3现场试验人员及时做好各项试验,并作好记录工作。4.4回填土施工前将土过50mm筛子,然后将过筛合格的白灰与土按2:8(3:7)拌匀备用。白灰选用袋装粉末状生石灰。4.5将掺好的灰土分层回填,每层虚铺厚度为250mm压实后厚度为200mm。每层铺摊后,随之耙平。用人工夯实处,回填土虚铺厚度不大于150mm。审核人交底人接受交底人1、本表由施工单位填写,交底单位与接受交底单位各存一份。2、当做分项工程施工技术交底时,应填写"分项工程名称"栏,其他技术交底可不填写。基坑清理分层铺土、耙平过筛、检验土质、灰土拌合分层取样、验收夯打密实技术交底记录表C2-1编号工程名称解放军第306医院综合医疗楼交底日期2004年7月4日施工单位中国建筑工程总公司分项工程名称回填土交底提要汽车坡道回填土交底内容:4.6回填土用蛙式打夯机,每层至少打三遍,打夯应一夯压半夯,夯夯相连,行行相连,纵横交叉。对于阴阳角等打夯机夯不到边角部位,采用人力夯,不得漏夯。严禁采用浇水使土下沉。4.7深浅相连基坑,先深后浅,相平后再由近及远,分段填夯时,每层接缝处作成1∶2阶梯形。上下接缝错开平距1.0m。4.8每层土方夯实后,每层按每边进行环刀取样一组,测出土的最大干密度,达到要求后再铺上一层土。中间每层顶面必须清理干净方可继续回填。填土全部完成后,在表面拉线找平,凡高出允许偏差的地方,应及时依线铲平;凡低于规定高程的地方应补土夯实。4.9在回填土作业面低洼处设积水坑,遇雨及时将积水排除。五、质量要求5.1质量标准及验收方法5.1.1基底处理必须符合要求:1、把基坑内的砖头、垃圾清理干净。2、回填土施工前把基底虚土夯实。5.1.2回填土的土料必须符合要求:1、回填土必须过筛,土块粒径不大于5cm。2、回填土内不得有砖头。垃圾及砖块等。5.1.3回填必须按规定分层夯实,取样测定夯实后的干密度,其余合格率不应小于90%;不合格的最大干土密度最低值与设计值的差不应大于0.08g/cm3且不应集中。5.1.4接近坡道标高时,请测量人员定好标高后,审核人交底人接受交底人1、本表由施工单位填写,交底单位与接受交底单位各存一份。2、当做分项工程施工技术交底时,应填写"分项工程名称"栏,其他技术交底可不填写。技术交底记录表C2-1编号工程名称解放军...

1、当您付费下载文档后,您只拥有了使用权限,并不意味着购买了版权,文档只能用于自身使用,不得用于其他商业用途(如 [转卖]进行直接盈利或[编辑后售卖]进行间接盈利)。
2、本站所有内容均由合作方或网友上传,本站不对文档的完整性、权威性及其观点立场正确性做任何保证或承诺!文档内容仅供研究参考,付费前请自行鉴别。
3、如文档内容存在违规,或者侵犯商业秘密、侵犯著作权等,请点击“违规举报”。

碎片内容

技术交底(汽车坡道回填土)

书海行舟+ 关注
实名认证
内容提供者

热爱教学事业,对互联网知识分享很感兴趣

确认删除?
VIP
微信客服
  • 扫码咨询
会员Q群
  • 会员专属群点击这里加入QQ群
客服邮箱
回到顶部