电脑桌面
添加小米粒文库到电脑桌面
安装后可以在桌面快捷访问

普通螺纹 公差VIP免费

普通螺纹 公差_第1页
1/4
普通螺纹 公差_第2页
2/4
普通螺纹 公差_第3页
3/4
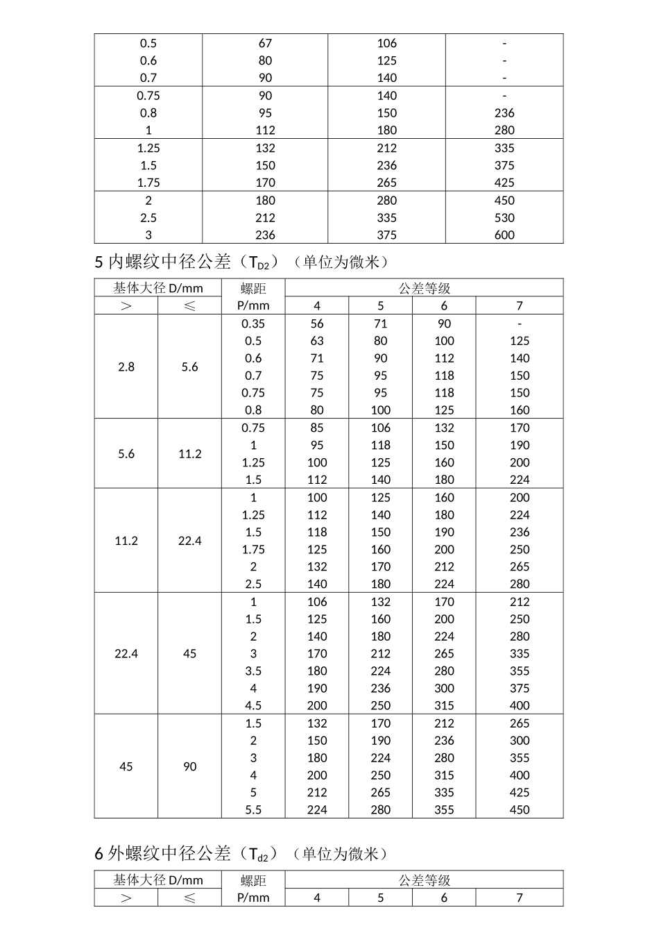
普通螺纹公差1普通螺纹公差:图形未注螺纹公差,默认为外螺纹公差:6g;内螺纹公差:6H2常用内外螺纹的基本偏差(单位为微米)螺距P/mm基本偏差内螺纹外螺纹GEIHEIEesFesGesHes0.50.60.7+20+21+22000-50-53-56-36-36-38-20-21-220000.750.81+22+24+26000-56-60-60-38-38-40-22-24-260001.251.51.75+28+32+34000-63-67-71-42-45-48-28-32-3400022.53+38+42+48000-71-80-85-52-58-63-38-42-480003内螺纹小径公差(TD1)(单位为微米)螺距P/mm公差等级456780.50.60.790100112112125140140160180180200224---0.750.81118125150150160190190200236236250300-3153751.251.51.7517019021221223626526530033533537542542547553022.532362803153003554003754505004755606306007108004外螺纹大径公差(Td)(单位为微米)螺距P/mm公差等级4680.50.60.7678090106125140---0.750.819095112140150180-2362801.251.51.7513215017021223626533537542522.531802122362803353754505306005内螺纹中径公差(TD2)(单位为微米)基体大径D/mm螺距P/mm公差等级>≤45672.85.60.350.50.60.70.750.8566371757580718090959510090100112118118125-1251401501501605.611.20.7511.251.5859510011210611812514013215016018017019020022411.222.411.251.51.7522.510011211812513214012514015016017018016018019020021222420022423625026528022.44511.5233.544.510612514017018019020013216018021222423625017020022426528030031521225028033535537540045901.523455.51321501802002122241701902242502652802122362803153353552653003554004254506外螺纹中径公差(Td2)(单位为微米)基体大径D/mm螺距P/mm公差等级>≤45672.85.60.350.50.60.70.750.842485356566053606771717567758590909585951061121121185.611.20.7511.251.56371758580909510610011211813212514015017011.222.411.251.51.7522.5758590951001069510611211812513211813214015016017015017018019020021222.44511.5233.544.5809510612513214015010011813216017018019012515017020021222423616019021225026528030045901.523455.561001121321501601701801251401701902002122241601802122362502652802002242653003153353557普通螺纹基本尺寸(单位为微米)公称直径D、d螺距P中径D2或d2小径D1或d130.52.6752.45940.73.5453.24250.84.4804.134615.3504.91781.2517.1887.3506.6476.917101.51.2519.0269.1889.3508.3768.6478.917121.751.51.25110.86311.02611.18811.35010.10610.37610.64710.917公称直径D、d螺距P中径D2或d2小径D1或d11421.512.70113.02611.83512.376113.35012.9171621.5114.70115.02615.35013.83514.37614.917182.521.5116.37616.70117.02617.35015..29415.83516.37616.917202.521.5118.37618.70119.02619.35017.29417.83518.37618.917222.521.5120.37620.70121.02621.35019.29419.83520.37620.91724321.5122.05122.70123.02623.35020.75221.83522.37622.91727321.5125.05125.70126.02626.35023.75224.83525.37625.917303.521.5127.72728.70129.02629.35026.21127.83528.37628.917333.521.530.72731.70132.02629.21130.83531.376364321.533.40234.05134.70135.02631.67032.75233.83534.376394321.536.40237.05137.70138.02634.67035.75236.83537.376424.5321.539.07740.05140.70141.02637.12938.75239.83540.376

1、当您付费下载文档后,您只拥有了使用权限,并不意味着购买了版权,文档只能用于自身使用,不得用于其他商业用途(如 [转卖]进行直接盈利或[编辑后售卖]进行间接盈利)。
2、本站所有内容均由合作方或网友上传,本站不对文档的完整性、权威性及其观点立场正确性做任何保证或承诺!文档内容仅供研究参考,付费前请自行鉴别。
3、如文档内容存在违规,或者侵犯商业秘密、侵犯著作权等,请点击“违规举报”。

碎片内容

普通螺纹 公差

您可能关注的文档

确认删除?
VIP
微信客服
  • 扫码咨询
会员Q群
  • 会员专属群点击这里加入QQ群
客服邮箱
回到顶部